科创中国
问题分诊室
具身智能与智慧医疗融合创新产业
高性能装备制造产业
智能机器人全产业链产业
中医药产业
人工智能产业
新一代信息技术产业
作物产业
量子科技与先进制造产业
海洋装备产业
煤炭开采及煤化工产业
特殊钢产业
节能环保产业
低空经济产业
光电产业
汽车产业
新能源产业
新材料产业
“以竹代塑”
成果发布厅
新型电力系统
化学领域
现代纺织
低空经济
信息通信
智慧公路
煤炭开采及煤化工
中医药
智能机器人全产业链
海洋装备
新一代信息技术
量子科技与先进制造
人工智能
高性能装备制造
具身智能与智慧医疗融合创新
作物
科创地方
科创北京
科创天津
科创内蒙古
科创辽宁
科创江苏
科创广西
科创广东
科创重庆
科创宁夏
科创河北
科创山东
科创河南
科创福建
科创湖南
科创黑龙江
科创湖北
科创浙江
科创山西
科创资讯
科创头条
科协活动
通知公告
科技政策
技术经理人
科技服务团
资源中心
项目库
问题库
案例库
开源库
学术资源
会议展览
品牌栏目
院士开讲
解码新质生产力
金融服务云课堂
企创云课堂
有问题想咨询
有成果想转化
我的交易
我的会议
我报名的路演会议
我的资讯
我的消息
我的动态
我的需求
我的成果
我的
个人资料编辑
退出登录
登录/注册
科创中国
需求发布
成果发布
科创案例库
揭榜挂帅
技术经理人
会议展览
科创联合体
科技服务团
科创资讯
科技政策
院士开讲
学术资源
城市站点
协作站点
搜索
问题库
项目库
开源库
English
我的交易
我的会议
我报名的路演会议
我的资讯
我的消息
我的动态
我的需求
我的成果
我的
个人资料编辑
退出登录
登录/注册
组织入驻
“科创中国”天府大道科创走廊产业科技服务团
示范项目
2023
产业科技服务团
“科创中国”天府大道科创走廊产业科技服务团由中国技术经济学会牵头,四川大学产业集团、四川大学国家大学科技园、四川大学商学院、四川大学产业技术研究院、国家技术转移西南中心、中国社会科学院数量经济与技术经济研究所、电子科技大学经济与管理学院、重庆大学经济与工商管理学院、四川兆辰科技咨询有限责任公司等单位参与组成,是围绕成渝双城圈产业创新需求组建的跨学科、跨领域、跨区域的科技服务组织。专家团成员来自全国协会、成渝地区高校科研院所、成果转化机构、科技企业服务机构等单位,具有丰富的产学研融合工作经验和广泛的行业影响力。 服务团依托“科创中国”平台,线上线下相结合,致力于精准挖掘成渝地区科创中国试点城市(园区)的服务需求,汇聚具备转移转化前景的技术成果,提供技术咨询、技术攻关、技术转移转化、技术推广应用、成果评价、标准研制与推介、项目投融资合作等转化对接服务,推动成渝双城经济圈内“政产学研金服用”各方创新主体协同联动,打造产学融合品牌活动,打造专业的技术经理人队伍,支撑科技成果转化高质量发展。
收起
工作进展
活动开展
智库报告
宣讲培训
高端研讨
转化对接
组织机构
科技成果
专家人才
技术需求
服务需求
人才需求
基于DNA条形码的珍稀药用资源快速检测技术
中国**********究所
智慧养老服务管理系统
四川********公司
花青素提取及应用项目
黑龙************公司
富硒葱水培种植技术
四川**
一种酸溶解性壳聚糖微球及其制备方法
四川**
微针制备方法
四川**
一种富硒花生或其制备的产品中有机硒含量测定的方法
中国**大学
具有内放射治疗性能的可视化单分散栓塞微球及其制备方法
四川**
一种以甘蔗叶为原料制备纳米纤维素的方法及所得产物
中国**大学
一种单管塔
同济**
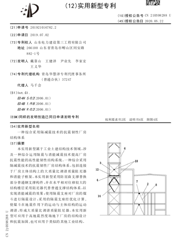
一种综合采用隔减震技术的抗震韧性厂房结构体系
四川**
一种微波—红外联合焙烤装置
中国**大学
首页
上一页
4
5
6
7
8
9
下一页
尾页
共9页 转到
页