科创中国
问题分诊室
具身智能与智慧医疗融合创新产业
高性能装备制造产业
智能机器人全产业链产业
中医药产业
人工智能产业
新一代信息技术产业
作物产业
量子科技与先进制造产业
海洋装备产业
煤炭开采及煤化工产业
特殊钢产业
节能环保产业
低空经济产业
光电产业
汽车产业
新能源产业
新材料产业
“以竹代塑”
成果发布厅
新型电力系统
化学领域
现代纺织
低空经济
信息通信
智慧公路
煤炭开采及煤化工
中医药
智能机器人全产业链
海洋装备
新一代信息技术
量子科技与先进制造
人工智能
高性能装备制造
具身智能与智慧医疗融合创新
作物
科创地方
科创北京
科创天津
科创内蒙古
科创辽宁
科创河北
科创湖南
科创宁夏
科创广东
科创江苏
科创广西
科创重庆
科创山东
科创河南
科创福建
科创黑龙江
科创湖北
科创浙江
科创山西
科创资讯
科创头条
科协活动
通知公告
科技政策
技术经理人
科技服务团
资源中心
项目库
问题库
案例库
开源库
学术资源
会议展览
品牌栏目
院士开讲
解码新质生产力
金融服务云课堂
企创云课堂
有问题想咨询
有成果想转化
我的交易
我的会议
我报名的路演会议
我的资讯
我的消息
我的动态
我的需求
我的成果
我的
个人资料编辑
退出登录
登录/注册
科创中国
需求发布
成果发布
科创案例库
揭榜挂帅
技术经理人
会议展览
科创联合体
科技服务团
科创资讯
科技政策
院士开讲
学术资源
城市站点
协作站点
搜索
问题库
项目库
开源库
English
我的交易
我的会议
我报名的路演会议
我的资讯
我的消息
我的动态
我的需求
我的成果
我的
个人资料编辑
退出登录
登录/注册
组织入驻
隐藏工作区
全国
在线展厅
切换展厅
全国
北京市
天津市
河北省
山西省
内蒙古
辽宁省
吉林省
黑龙江省
上海市
江苏省
浙江省
安徽省
福建省
江西省
山东省
河南省
湖北省
湖南省
广东省
广西
海南省
重庆市
四川省
贵州省
云南省
西藏
陕西省
甘肃省
青海省
宁夏
新疆
新疆兵团
路演活动
科技成果
参观
人数
0
0
0
0
0
0
0
点赞
人数
0
0
0
0
0
0
0
技术领域
全部
新兴行业
|
新基建
|
电子信息
|
高端产业
|
生物医药
|
石化与新材料
|
智能机械与光机电一体化
|
节能环保
|
新能源
|
现代农业
|
高端技术服务业
|
农林牧副渔
|
城建规划
|
文化创意
|
矿山工程
|
冶金工程
|
企业管理
|
知识产权
|
智库咨询
|
旅游休闲娱乐
|
企业发展服务
|
电子商务
|
纺织
|
其他
|
更多
基于WIFI辅助定位的视觉跟踪移动机器人及控制方法
中国矿业大学
一种煤矿工作面顶板过程涌水量的预测方法
中国矿业大学
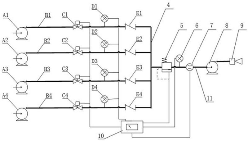
一种电感可调的正交电抗器
中国矿业大学
一种露天煤矿半连续工艺中间桥布置方式
中国矿业大学
一种复合催化剂循环重整-解析性能的评估装置与方法
中国矿业大学
一种错误累积敏感的增量式动态社区发现方法及系统
中国矿业大学
基于影响力最大化的社交网络关键节点识别方法及系统
中国矿业大学
一种用于消防车的集聚供液系统及操作方法
中国矿业大学
一种导水裂缝带发育高度预计方法
中国矿业大学
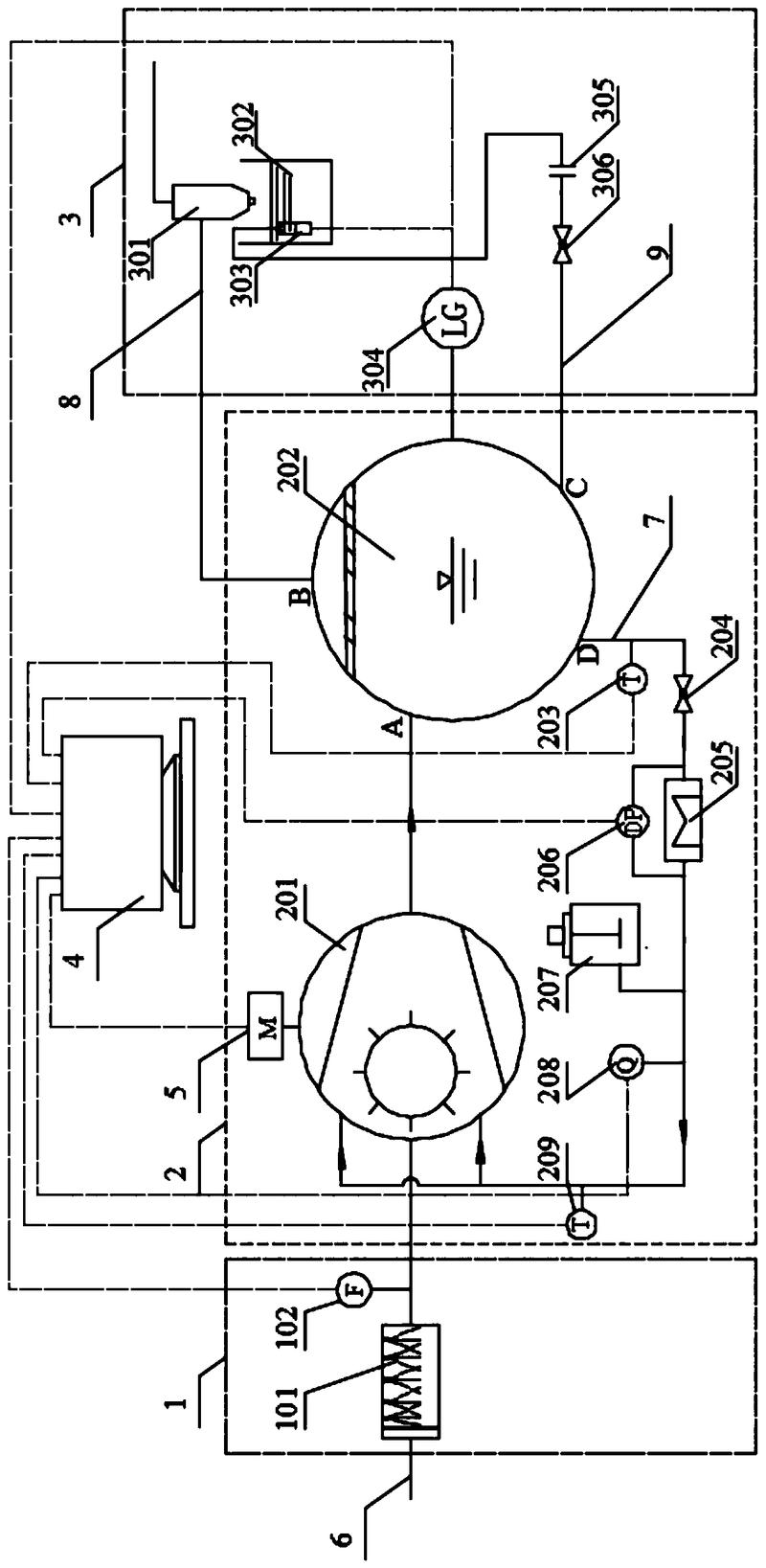
一种基于减阻工作液的全封闭瓦斯抽采泵节能系统
中国矿业大学
化学软化碳酸盐岩促进采动裂隙自修复的保水方法
中国矿业大学
一种坚硬岩体强度弱化的掘进方法
中国矿业大学
一种用于三维裂隙岩样的水-力耦合加载装置及加载方法
中国矿业大学
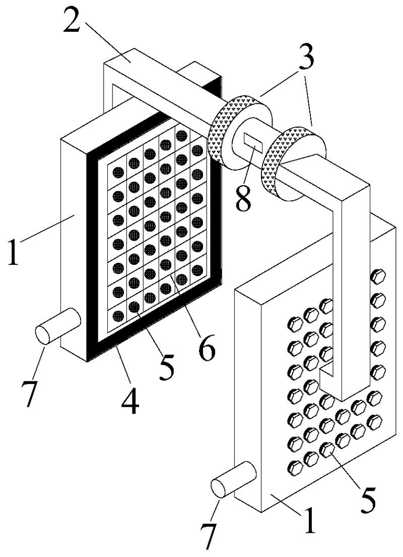
一种纳米磁性液体密封与润滑的带式输送机托辊
中国矿业大学
基于直线特征约束的三维空间相似变换模型参数的无初值求解方法
中国矿业大学
一种TRC永久性模板梁或柱的制备方法
中国矿业大学
一种TRC折叠式可拼装永久性模板及其制作方法
中国矿业大学
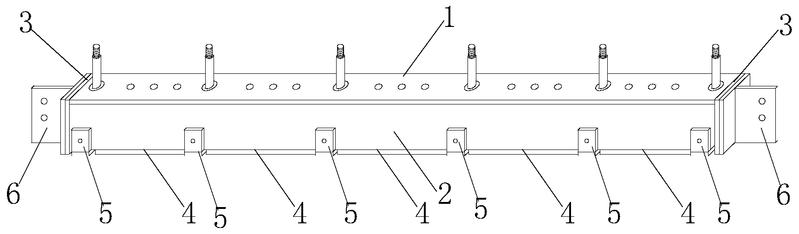
可多点局部独立传递竖向荷载的分配梁及其实施方法
中国矿业大学
深孔松动水力卸压一体化爆破方法及装置
中国矿业大学
可传递水平及多点局部竖向荷载的多功能支架及实施方法
中国矿业大学
首页
上一页
23
24
25
26
27
28
29
下一页
尾页
共253页 转到
页