科创中国
问题分诊室
具身智能与智慧医疗融合创新产业
高性能装备制造产业
智能机器人全产业链产业
中医药产业
人工智能产业
新一代信息技术产业
作物产业
量子科技与先进制造产业
海洋装备产业
煤炭开采及煤化工产业
特殊钢产业
节能环保产业
低空经济产业
光电产业
汽车产业
新能源产业
新材料产业
“以竹代塑”
成果发布厅
新型电力系统
化学领域
现代纺织
低空经济
信息通信
智慧公路
煤炭开采及煤化工
中医药
智能机器人全产业链
海洋装备
新一代信息技术
量子科技与先进制造
人工智能
高性能装备制造
具身智能与智慧医疗融合创新
作物
科创地方
科创北京
科创天津
科创内蒙古
科创辽宁
科创河北
科创湖南
科创宁夏
科创广东
科创江苏
科创广西
科创重庆
科创山东
科创河南
科创福建
科创黑龙江
科创湖北
科创浙江
科创山西
科创资讯
科创头条
科协活动
通知公告
科技政策
技术经理人
科技服务团
资源中心
项目库
问题库
案例库
开源库
学术资源
会议展览
品牌栏目
院士开讲
解码新质生产力
金融服务云课堂
企创云课堂
有问题想咨询
有成果想转化
我的交易
我的会议
我报名的路演会议
我的资讯
我的消息
我的动态
我的需求
我的成果
我的
个人资料编辑
退出登录
登录/注册
科创中国
需求发布
成果发布
科创案例库
揭榜挂帅
技术经理人
会议展览
科创联合体
科技服务团
科创资讯
科技政策
院士开讲
学术资源
城市站点
协作站点
搜索
问题库
项目库
开源库
English
我的交易
我的会议
我报名的路演会议
我的资讯
我的消息
我的动态
我的需求
我的成果
我的
个人资料编辑
退出登录
登录/注册
组织入驻
隐藏工作区
全国
在线展厅
切换展厅
全国
北京市
天津市
河北省
山西省
内蒙古
辽宁省
吉林省
黑龙江省
上海市
江苏省
浙江省
安徽省
福建省
江西省
山东省
河南省
湖北省
湖南省
广东省
广西
海南省
重庆市
四川省
贵州省
云南省
西藏
陕西省
甘肃省
青海省
宁夏
新疆
新疆兵团
路演活动
科技成果
参观
人数
0
0
0
0
0
0
0
点赞
人数
0
0
0
0
0
0
0
技术领域
全部
新兴行业
|
新基建
|
电子信息
|
高端产业
|
生物医药
|
石化与新材料
|
智能机械与光机电一体化
|
节能环保
|
新能源
|
现代农业
|
高端技术服务业
|
农林牧副渔
|
城建规划
|
文化创意
|
矿山工程
|
冶金工程
|
企业管理
|
知识产权
|
智库咨询
|
旅游休闲娱乐
|
企业发展服务
|
电子商务
|
纺织
|
其他
|
更多
一种可防堵矿仓
中国瑞林工程技术有限公司
自动碎袋装置
中国瑞林工程技术有限公司
可方便冲洗更换的金矿炭浸立式槽间筛装置
中国瑞林工程技术有限公司
重力选矿摇床用可更换床面
中国瑞林工程技术有限公司
自转节能式多管矿浆匀分器
中国瑞林工程技术有限公司
大型设备下井单绳吊架
中国瑞林工程技术有限公司
大型设备下井承托平台
中国瑞林工程技术有限公司
深竖井大管径排水管弯管支座支撑
中国瑞林工程技术有限公司
双拱马头门
中国瑞林工程技术有限公司
钢筋混凝土吊挂型井颈
中国瑞林工程技术有限公司
深竖井大管径排水管树脂锚杆托架
中国瑞林工程技术有限公司
井下掘进高效通风车
中国瑞林工程技术有限公司
地下工程稳定性监测用的耦合剂推进器
中国瑞林工程技术有限公司
利用热镀锌土(灰)再生锌粉(锭)技术
青岛有色金属再生有限公司
一种烧结NdFeB磁体的重稀土元素附着方法
工业园公租房
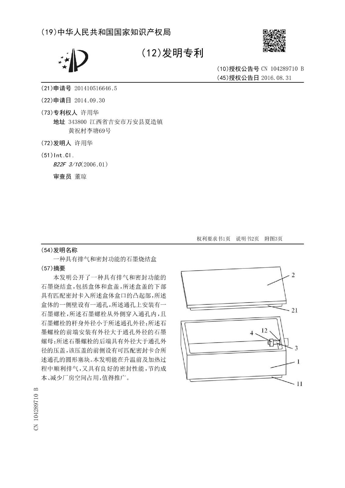
一种具有排气和密封功能的石墨烧结盒
工业园公租房
一种膨胀螺丝(防盗门及不锈钢门门业安装专用膨胀螺丝)
徐文岩、徐洪明、赵敏
一种具有辅助捶打功能的套筒扳手(防盗门及不锈钢门门业安装专用套筒扳手)
徐文岩、徐洪明、赵敏
降本增效、节能减排钢铁技术(用煤粉冶炼钢铁的设备)
个人专利技术转让合作
一种焦炉机.焦侧操作平台用安全防护栏
黑龙江省七台河宝泰隆煤化工有限责任公司
首页
上一页
130
131
132
133
134
135
136
下一页
尾页
共253页 转到
页