科创中国
问题分诊室
具身智能与智慧医疗融合创新产业
高性能装备制造产业
智能机器人全产业链产业
中医药产业
人工智能产业
新一代信息技术产业
作物产业
量子科技与先进制造产业
海洋装备产业
煤炭开采及煤化工产业
特殊钢产业
节能环保产业
低空经济产业
光电产业
汽车产业
新能源产业
新材料产业
“以竹代塑”
成果发布厅
新型电力系统
化学领域
现代纺织
低空经济
信息通信
智慧公路
煤炭开采及煤化工
中医药
智能机器人全产业链
海洋装备
新一代信息技术
量子科技与先进制造
人工智能
高性能装备制造
具身智能与智慧医疗融合创新
作物
科创地方
科创北京
科创天津
科创内蒙古
科创辽宁
科创江苏
科创广西
科创广东
科创重庆
科创宁夏
科创河北
科创山东
科创河南
科创福建
科创湖南
科创黑龙江
科创湖北
科创浙江
科创山西
科创资讯
科创头条
科协活动
通知公告
科技政策
技术经理人
科技服务团
资源中心
项目库
问题库
案例库
开源库
学术资源
会议展览
品牌栏目
院士开讲
解码新质生产力
金融服务云课堂
企创云课堂
有问题想咨询
有成果想转化
我的交易
我的会议
我报名的路演会议
我的资讯
我的消息
我的动态
我的需求
我的成果
我的
个人资料编辑
退出登录
登录/注册
科创中国
需求发布
成果发布
科创案例库
揭榜挂帅
技术经理人
会议展览
科创联合体
科技服务团
科创资讯
科技政策
院士开讲
学术资源
城市站点
协作站点
搜索
问题库
项目库
开源库
English
我的交易
我的会议
我报名的路演会议
我的资讯
我的消息
我的动态
我的需求
我的成果
我的
个人资料编辑
退出登录
登录/注册
组织入驻
隐藏工作区
全国
在线展厅
切换展厅
全国
北京市
天津市
河北省
山西省
内蒙古
辽宁省
吉林省
黑龙江省
上海市
江苏省
浙江省
安徽省
福建省
江西省
山东省
河南省
湖北省
湖南省
广东省
广西
海南省
重庆市
四川省
贵州省
云南省
西藏
陕西省
甘肃省
青海省
宁夏
新疆
新疆兵团
路演活动
科技成果
参观
人数
0
0
0
0
0
0
0
点赞
人数
0
0
0
0
0
0
0
技术领域
全部
新兴行业
|
新基建
|
电子信息
|
高端产业
|
生物医药
|
石化与新材料
|
智能机械与光机电一体化
|
节能环保
|
新能源
|
现代农业
|
高端技术服务业
|
农林牧副渔
|
城建规划
|
文化创意
|
矿山工程
|
冶金工程
|
企业管理
|
知识产权
|
智库咨询
|
旅游休闲娱乐
|
企业发展服务
|
电子商务
|
纺织
|
其他
|
更多
一种新型能量自给式燃气热水器
武进区科技成果转移中心
细水雾室外环境降温系统(机)
武进区科技成果转移中心
多功能高压静电喷洒车
武进区科技成果转移中心
铆塞密封性集成式检测装置的降温换气机构
湖北博士隆科技有限公司
系列高温熔盐泵的研制开发
武进区科技成果转移中心
设有拉索机构的多用途客车可自动展开与收拢活动地板
湖南衡山汽车制造有限公司
一种生物质锅炉的往复炉排
衡阳市大成锅炉有限公司
铆塞密封性集成式检测装置
湖北博士隆科技有限公司
一种高速制作钉芯的方法
湖北博士隆科技有限公司
离心泵内部流场分析优化技术
武进区科技成果转移中心
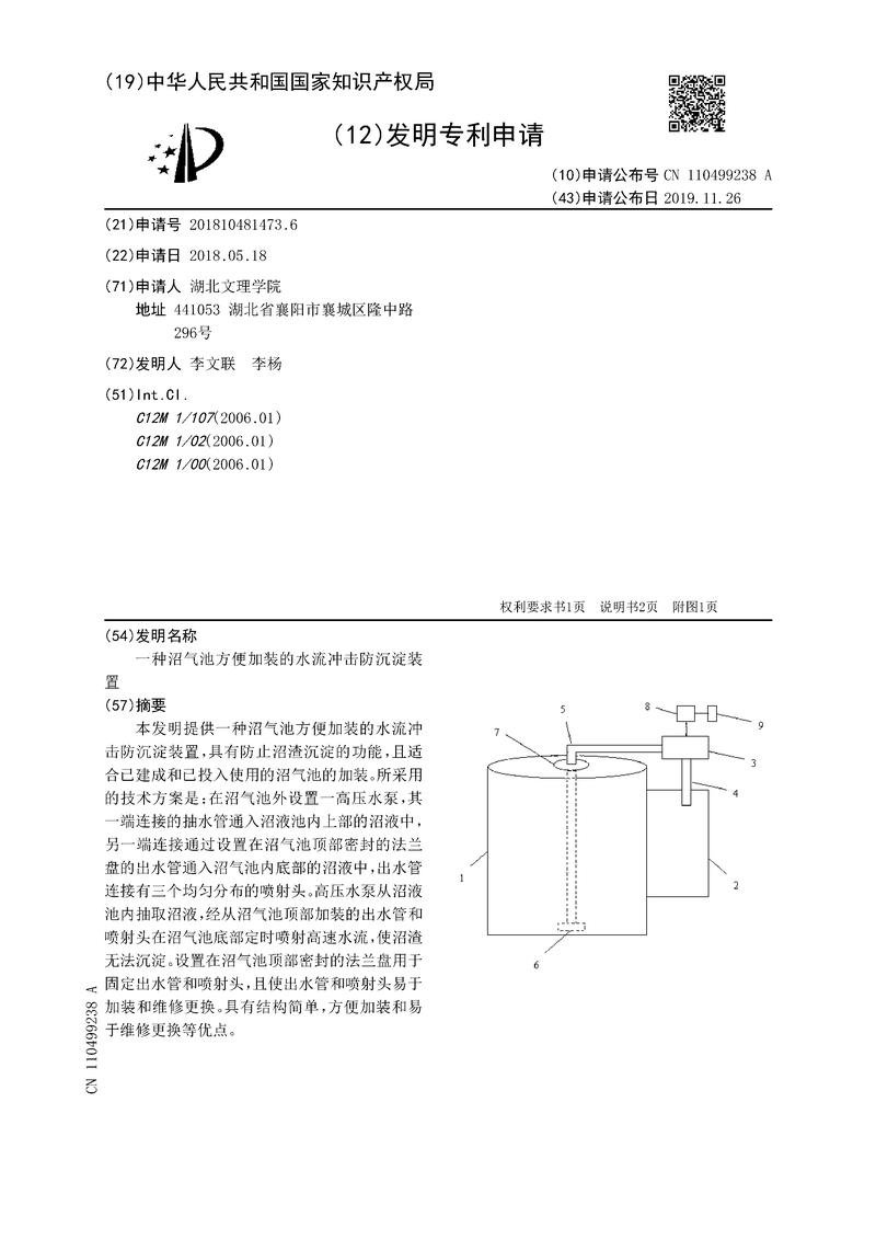
一种沼气池方便加装的水流冲击防沉淀装置
湖北文理学院
一种硬质钞箱的防摔卡扣机构
湖北博士隆科技有限公司
一种自动焊接设备的辅助导轨装置
湖北文理学院
铆塞密封性检测装置
湖北博士隆科技股份有限公司
抗坠毁座椅吸能器关键参数确定方法及装置
湖北文理学院
一种硬质钞箱电子锁
湖北博士隆科技股份有限公司
节能节材深井离心泵
武进区科技成果转移中心
一种水锤泵
湖北文理学院
间断快速泥瓦坯出料输送装置
湖北文理学院
一种汽车零部件加工用翻转装置
湖北文理学院
首页
上一页
61
62
63
64
65
66
67
下一页
尾页
共260页 转到
页