科创中国
问题分诊室
具身智能与智慧医疗融合创新产业
高性能装备制造产业
智能机器人全产业链产业
中医药产业
人工智能产业
新一代信息技术产业
作物产业
量子科技与先进制造产业
海洋装备产业
煤炭开采及煤化工产业
特殊钢产业
节能环保产业
低空经济产业
光电产业
汽车产业
新能源产业
新材料产业
“以竹代塑”
成果发布厅
新型电力系统
化学领域
现代纺织
低空经济
信息通信
智慧公路
煤炭开采及煤化工
中医药
智能机器人全产业链
海洋装备
新一代信息技术
量子科技与先进制造
人工智能
高性能装备制造
具身智能与智慧医疗融合创新
作物
科创地方
科创北京
科创天津
科创内蒙古
科创辽宁
科创江苏
科创广西
科创广东
科创重庆
科创宁夏
科创河北
科创山东
科创河南
科创福建
科创湖南
科创黑龙江
科创湖北
科创浙江
科创山西
科创资讯
科创头条
科协活动
通知公告
科技政策
技术经理人
科技服务团
资源中心
项目库
问题库
案例库
开源库
学术资源
会议展览
品牌栏目
院士开讲
解码新质生产力
金融服务云课堂
企创云课堂
有问题想咨询
有成果想转化
我的交易
我的会议
我报名的路演会议
我的资讯
我的消息
我的动态
我的需求
我的成果
我的
个人资料编辑
退出登录
登录/注册
科创中国
需求发布
成果发布
科创案例库
揭榜挂帅
技术经理人
会议展览
科创联合体
科技服务团
科创资讯
科技政策
院士开讲
学术资源
城市站点
协作站点
搜索
问题库
项目库
开源库
English
我的交易
我的会议
我报名的路演会议
我的资讯
我的消息
我的动态
我的需求
我的成果
我的
个人资料编辑
退出登录
登录/注册
组织入驻
隐藏工作区
全国
在线展厅
切换展厅
全国
北京市
天津市
河北省
山西省
内蒙古
辽宁省
吉林省
黑龙江省
上海市
江苏省
浙江省
安徽省
福建省
江西省
山东省
河南省
湖北省
湖南省
广东省
广西
海南省
重庆市
四川省
贵州省
云南省
西藏
陕西省
甘肃省
青海省
宁夏
新疆
新疆兵团
路演活动
科技成果
参观
人数
0
0
0
0
0
0
0
点赞
人数
0
0
0
0
0
0
0
技术领域
全部
新兴行业
|
新基建
|
电子信息
|
高端产业
|
生物医药
|
石化与新材料
|
智能机械与光机电一体化
|
节能环保
|
新能源
|
现代农业
|
高端技术服务业
|
农林牧副渔
|
城建规划
|
文化创意
|
矿山工程
|
冶金工程
|
企业管理
|
知识产权
|
智库咨询
|
旅游休闲娱乐
|
企业发展服务
|
电子商务
|
纺织
|
其他
|
更多
一种用于燃油喷射系统高压喷油泵调速器的负校正装置
南岳电控(衡阳)工业技术有限公司
一种应用于高压共轨燃油喷射系统的径向柱塞供油泵
南岳电控(衡阳)工业技术股份有限公司
一种控制低压进油的直列式共轨供油泵
南岳电控(衡阳)工业技术有限公司
橡胶注射机自动装模出模装置
衡阳华意机械有限公司
等离子体喷射点火器
湖南中部芯谷科技有限公司
一种旋转式紫外线消毒设备
湖南新元素智慧医疗科技有限公司
消防机器人上下车辆升降装置
湖南新业态智慧消防科技有限公司
一种锂离子电池负极材料定量废料收集装置
湖南铭东新材料有限公司
多极子阵列声波测井仪及其发射控制电路
湖南率为控制科技有限公司
一种自动切换式干电池充电器
湖南凯铭电子科技有限公司
用于电池加工的升降机构
湖南衡盈电子科技有限公司
便于安装的蓄电池
湖南衡盈电子科技有限公司
一种伺服电机用支撑固定底座
湖南超川电子科技有限公司
一种伺服驱动器短路保护装置
湖南超川电子科技有限公司
导电银胶原料树脂粉料的储料桶结构
衡阳思迈科科技有限公司
银胶加工用的搅拌刀片及其加工方法
衡阳思迈科科技有限公司
导电银胶的搅拌设备
衡阳思迈科科技有限公司
一种利用循环水管取暖的桌子
湖北文理学院
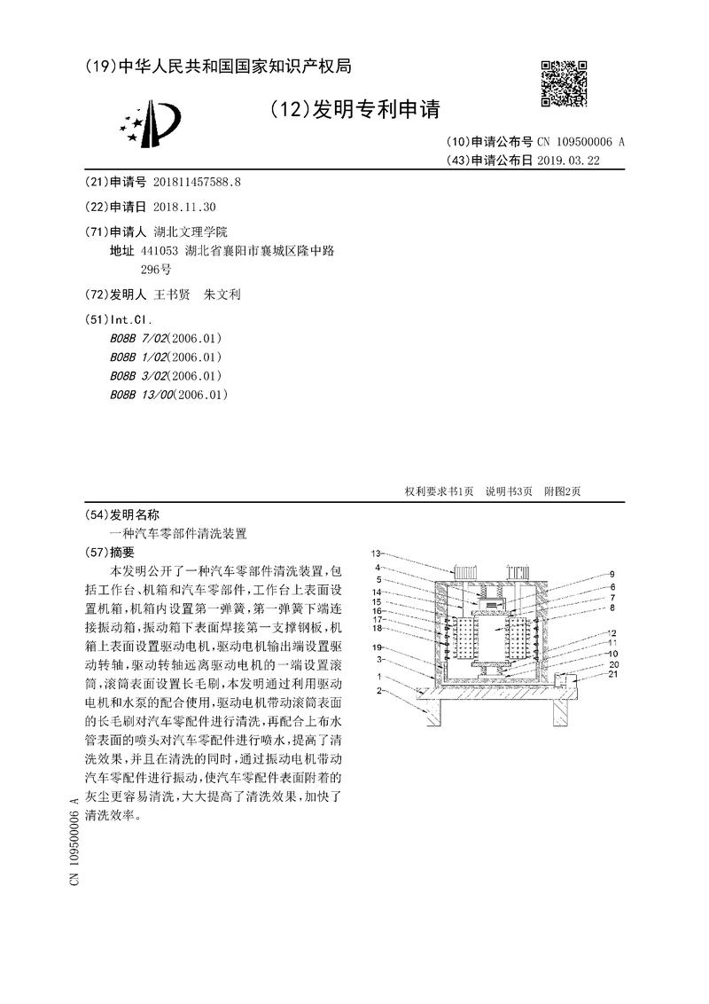
一种汽车零部件清洗装置
湖北文理学院
波纹管补偿器运行状态智能监控系统关键技术研究及产业化
沈阳工业大学
首页
上一页
51
52
53
54
55
56
57
下一页
尾页
共260页 转到
页