饮水机附加抗生素过滤器
江苏师范大学
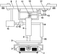
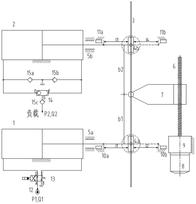
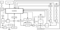
一种可调节的思政课在线教育投影仪
江苏师范大学
一株产生物表面活性剂的贝莱斯芽孢杆菌MMB-51及其应用
江苏师范大学
一种钻井液用阳离子型封堵剂的制备方法
江苏师范大学
微生物转化制造 L-瓜氨酸的方法
常州市武进区科学技术协会
生物催化法制备手性医药中间体(R)-2-羟基-4-苯基丁酸乙酯
常州市武进区科学技术协会
枯草芽孢杆菌氨肽酶的发酵制备及应用
常州市武进区科学技术协会
一种烟囱内壁清理装置
江苏师范大学
一种插接型机械连接装置
江苏师范大学
一种工业废气检测处理装置
江苏师范大学
一种力臂可调杠杆式电磁阀控缸液压变压器
江苏师范大学
粮食仓储环境立体全方位多参量的监测装置
江苏师范大学
一种LED应急灯
江苏师范大学
一种消防指示用复合蓄光陶瓷及其制备方法
江苏师范大学
一种产生中红外波段的矢量超短激光脉冲的装置与方法
江苏师范大学
一种MnCoP催化剂、制备和应用
江苏师范大学
一种高通量电化学合成与测试一体机及其使用方法
江苏师范大学
一种喷枪喷涂制备YAG基复合结构透明陶瓷的方法
江苏师范大学
一种凝胶注模成型制备YAG透明陶瓷的方法
江苏师范大学
基于核酸适配体的抗生素快速检测试纸
常州市武进区科学技术协会
共4040页 转到