科创中国
问题分诊室
具身智能与智慧医疗融合创新产业
高性能装备制造产业
智能机器人全产业链产业
中医药产业
人工智能产业
新一代信息技术产业
作物产业
量子科技与先进制造产业
海洋装备产业
煤炭开采及煤化工产业
特殊钢产业
节能环保产业
低空经济产业
光电产业
汽车产业
新能源产业
新材料产业
“以竹代塑”
成果发布厅
新型电力系统
化学领域
现代纺织
低空经济
信息通信
智慧公路
煤炭开采及煤化工
中医药
智能机器人全产业链
海洋装备
新一代信息技术
量子科技与先进制造
人工智能
高性能装备制造
具身智能与智慧医疗融合创新
作物
科创地方
科创北京
科创天津
科创内蒙古
科创辽宁
科创河北
科创湖南
科创宁夏
科创广东
科创江苏
科创广西
科创重庆
科创山东
科创河南
科创福建
科创黑龙江
科创湖北
科创浙江
科创山西
科创资讯
科创头条
科协活动
通知公告
科技政策
技术经理人
科技服务团
资源中心
项目库
问题库
案例库
开源库
会议展览
品牌栏目
院士开讲
解码新质生产力
金融服务云课堂
企创云课堂
有问题想咨询
有成果想转化
我的交易
我的会议
我报名的路演会议
我的资讯
我的消息
我的动态
我的需求
我的成果
我的
个人资料编辑
退出登录
登录/注册
科创中国
需求发布
成果发布
科创案例库
揭榜挂帅
技术经理人
会议展览
科创联合体
科技服务团
科创资讯
科技政策
院士开讲
学术资源
城市站点
协作站点
搜索
问题库
项目库
开源库
English
我的交易
我的会议
我报名的路演会议
我的资讯
我的消息
我的动态
我的需求
我的成果
我的
个人资料编辑
退出登录
登录/注册
组织入驻
隐藏工作区
全国
在线展厅
切换展厅
全国
北京市
天津市
河北省
山西省
内蒙古
辽宁省
吉林省
黑龙江省
上海市
江苏省
浙江省
安徽省
福建省
江西省
山东省
河南省
湖北省
湖南省
广东省
广西
海南省
重庆市
四川省
贵州省
云南省
西藏
陕西省
甘肃省
青海省
宁夏
新疆
新疆兵团
路演活动
科技成果
参观
人数
0
0
0
0
0
0
0
点赞
人数
0
0
0
0
0
0
0
技术领域
全部
新兴行业
|
新基建
|
电子信息
|
高端产业
|
生物医药
|
石化与新材料
|
智能机械与光机电一体化
|
节能环保
|
新能源
|
现代农业
|
高端技术服务业
|
农林牧副渔
|
城建规划
|
文化创意
|
矿山工程
|
冶金工程
|
企业管理
|
知识产权
|
智库咨询
|
旅游休闲娱乐
|
企业发展服务
|
电子商务
|
纺织
|
其他
|
更多
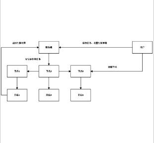
一种医疗垃圾箱
哈尔滨医科大学
肛门直肠检测用带有可更换清洁套结构的内窥镜影像装置
哈尔滨医科大学
一种车辆偏航警示与控制方法及系统
深圳博士创新技术转移有限公司
一种直肠检测用具有辅助定位结构的影像装置
哈尔滨医科大学
磁性等离子技术
北京创业投资协会
真空等离子体喷涂系统
包头迈坦科技服务有限公司
一种直肠检查用可旋转观察的影像显示装置
哈尔滨医科大学
红细胞和血小板磷脂酰丝氨酸外翻做为分子标志物在检测血栓形成中的用途
哈尔滨医科大学
一种直肠检测用具有扩张机构的医疗影像装置
哈尔滨医科大学
消除低灯位路灯眩光的无反射截光方法及灯具
深圳博士创新技术转移有限公司
一种直肠影像采集用设有辅助润滑结构的内窥拍摄装置
哈尔滨医科大学
一种可调节股骨截骨器械
哈尔滨医科大学
镁合金板材
北京创业投资协会
一种防止渗液且便于携带的一次性引流包
哈尔滨医科大学
基于制浆造纸的竹、桑枝等生物资源的综合利用
武进区科技成果转移中心
一种低灯位路灯的眩光指数检测方法
深圳博士创新技术转移有限公司
四氢小檗红碱在制备心脏保护药物中的用途
哈尔滨医科大学
检测盒
哈尔滨医科大学
智能辅助驾驶方法及系统
深圳博士创新技术转移有限公司
四氢小檗红碱用于制备激活棕色脂肪活化和白色脂肪棕色化 的药物的用途
哈尔滨医科大学
首页
上一页
3828
3829
3830
3831
3832
3833
3834
下一页
尾页
共16046页 转到
页