寒地玉米耐低温耐涝渍关键技术研究与应用
科学技术部火炬高技术产业开发中心技术市场与成果转化处
基于Wifi的无线远程操控系统
常州工程职业技术学院
折弯机机架
佛山市固肯数控机床有限公司
荷斯坦公犊低成本高效生产优质牛肉技术研发与应用
科学技术部火炬高技术产业开发中心技术市场与成果转化处
一种用于工业生产的碎料机
奇刃(广东)精密科技有限公司
一种板材或带材的激光切割机
金凯达(佛山)智能装备有限公司
60Co-γ射线诱变技术在粮食作物种质资源创制及新品种选育中的应用
科学技术部火炬高技术产业开发中心技术市场与成果转化处
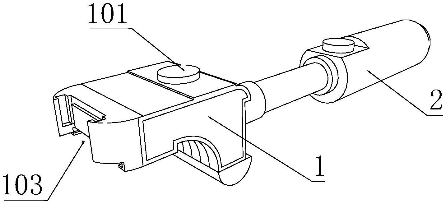
一种轮载式智能传感四轮定位夹具
佛山市广物君奥汽车贸易有限公司
一种林木碳汇量的测定方法、系统及装置
哈尔滨理工大学
一种松嫩平原盐碱地蒙古柳雨季人工辅助栽培的方法
哈尔滨理工大学
小麦近缘野生资源利用关键技术及品种改良
科学技术部火炬高技术产业开发中心技术市场与成果转化处
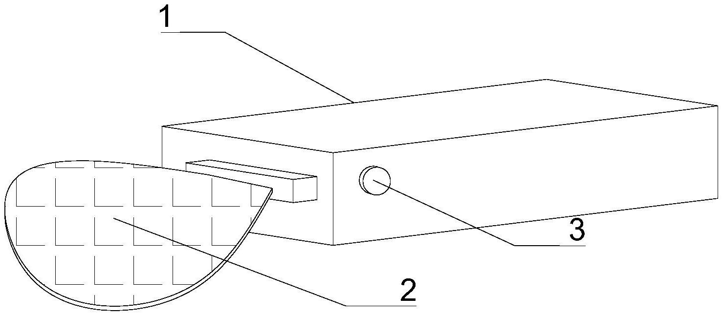
一种烤箱用内胆箱体
佛山科瑞菲新能源科技有限公司
一种林业树干钻孔装置及操作方法
哈尔滨理工大学
一种特异性检测结核分枝杆菌感染的蛋白
体必康生物科技(广东)股份有限公司
一种纳米改性双酚A型环氧树脂的制备方法
哈尔滨理工大学
一种零件加工用固定架
佛山科瑞菲新能源科技有限公司
BOS智慧空间操作系统
科学技术部火炬高技术产业开发中心技术市场与成果转化处
高寒地区杜仲引种培育技术
西安理工大学
玛莎尔®微胶囊祛痘皂
温州科技大市场
一种钢材加工车床
佛山市宇恒模具有限公司
共16046页 转到