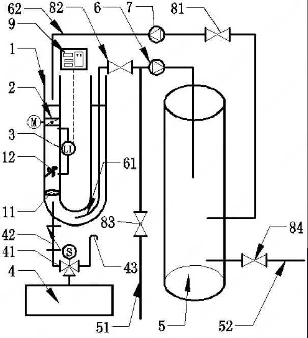
超高聚合度聚氯乙烯树脂生产工艺中检测转换快接头装置
新疆天业(集团)有限公司
一种双网络胶原蛋白基超分子水凝胶及其制备方法
陕西科技大学
一种风力发电塔筒制造用卷板机
山东启明风电有限公司
一种二唑类杂环化合物及其制备方法与应用
湖北文理学院
一种长度可调节的离合踏板结构
江西昌河汽车有限责任公司
一种测量混合气含量变化的装置
新疆天业(集团)有限公司
一种基于纳米温度尺寸效应的金属三维打印成型方法
温州大学
一种多功能胶原基纳米复合水凝胶及其制备方法
陕西科技大学
一种环保型兔皮毛革一体的制作方法
陕西科技大学
一种基于三相异质共生结构的层状氧化物正极材料的制备方法及一种钠离子电池
温州大学
一种双层绝缘板工具阴极表面织构的电解加工方法
常州大学
一种环保型高效皮革用纳米抗菌剂及其制备方法和应用
陕西科技大学
设施草莓生产及种苗高效繁育技术应用
科学技术部火炬高技术产业开发中心技术市场与成果转化处
黑龙江1:5万大溪沟林场(L523E023009)等四幅区域地质矿产调查报告
科学技术部火炬高技术产业开发中心技术市场与成果转化处
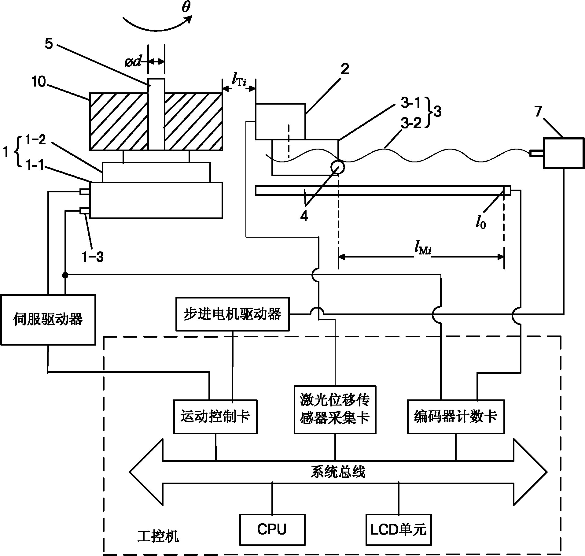
基于直驱式电机的凸轮轮廓检测系统
常州大学
基于机器学习的糖尿病人群膳食指导系统构建及其特医食品创制
上海全国高校技术市场
黑龙江省冬季气温季节内差异及成因分析
科学技术部火炬高技术产业开发中心技术市场与成果转化处
基于多尺度光声成像的早期肿瘤诊断平台及分子影像手术导航系统
上海技术交易所
高线性度、超宽带5G毫米波相控阵收发前端芯片
上海技术交易所
照明亮度和颜色可调的显微镜
常州大学
共15997页 转到