一体式画架
湖北文理学院
植物源农药配方筛选
潍坊奥丰作物病害防治有限公司
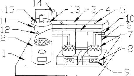
一种水产养殖池加药系统
重庆摆渡谷科技发展有限公司
产品红外热成像检测装置
宁波迈坦信息科技有限公司
一种工具架
四川国际标榜职业学院
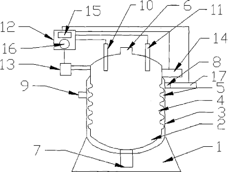
一种危废焚烧废气处理系统
湖北超越环保设备有限公司
“鲁秀”梨新品种
巴彦淖尔科学技术协会
智慧农业智造大棚项目
建宇智造(北京)科技有限责任公司
一种复方丹参泥灸组合物及其制备方法
四川国际标榜职业学院
一种雨水蓄水模块的初级过滤结构
湖北雨乐环保科技有限公司
一种海绵城市雨水井收集过滤系统
湖北雨乐环保科技有限公司
一种碰撞试验后氢系统完整性数据采集装置
襄阳达安汽车检测中心有限公司
一种电缆过桥用引导装置
国网山东省电力公司单县供电公司
汽车最小转弯半径的计算方法、装置、设备及存储介质
襄阳达安汽车检测中心有限公司
智能防爆设备的定制化云监测与控制系统
南阳师范学院
一种8-OHdG传感器及其制备方法和应用
鲁西新区科创中心
便携式智能数字化寄生虫体外诊断仪
台州云海医疗科技有限公司
用于复杂结构检测的半球形全向型超声换能器与制备方法
中国科学院深圳先进技术研究院
基于数字孪生的智能变配电装备控制系统
南阳师范学院
一种光学镜片调节装置
襄阳奥莱特光电仪器有限公司
共16046页 转到