您所在位置:湖北省荆门市> 科技成果> 一种高速制钉机
点赞

一种高速制钉机

发布时间:2022-07-25

基本信息

  • 合作方式: 技术转让
  • 成果类型:
价格 双方协商

行业领域

高新技术改造传统产业,先进制造技术

成果描述

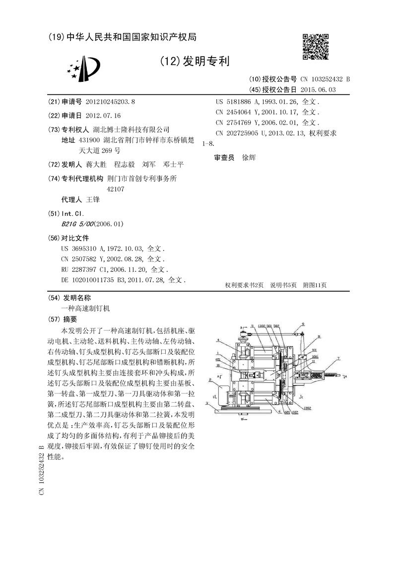
本发明公开了一种高速制钉机,包括机座、驱动电机、主动轮、送料机构、主传动轴、左传动轴、右传动轴、钉头成型机构、钉芯头部断口及装配位成型机构、钉芯尾部断口成型机构和错断机构,所述钉头成型机构主要由连接套环和冲头构成,所述钉芯头部断口及装配位成型机构主要由基板、第一转盘、第一成型刀、第一刀具驱动体和第一拉簧,所述钉芯尾部断口成型机构主要由第二转盘、第二成型刀、第二刀具驱动体和第二拉簧,本发明优点是:生产效率高,钉芯头部断口及装配位形成了均匀的多面体结构,有利于产品铆接后的美观度,铆接后牢固,有效保证了铆钉使用时的安全性能。

成果资料