科创中国
问题分诊室
具身智能与智慧医疗融合创新产业
高性能装备制造产业
智能机器人全产业链产业
中医药产业
人工智能产业
新一代信息技术产业
作物产业
量子科技与先进制造产业
海洋装备产业
煤炭开采及煤化工产业
特殊钢产业
节能环保产业
低空经济产业
光电产业
汽车产业
新能源产业
新材料产业
“以竹代塑”
成果发布厅
新型电力系统
化学领域
现代纺织
低空经济
信息通信
智慧公路
煤炭开采及煤化工
中医药
智能机器人全产业链
海洋装备
新一代信息技术
量子科技与先进制造
人工智能
高性能装备制造
具身智能与智慧医疗融合创新
作物
科创地方
科创北京
科创天津
科创内蒙古
科创辽宁
科创江苏
科创广西
科创广东
科创重庆
科创宁夏
科创河北
科创山东
科创河南
科创福建
科创湖南
科创黑龙江
科创湖北
科创浙江
科创山西
科创资讯
科创头条
科协活动
通知公告
科技政策
技术经理人
科技服务团
资源中心
项目库
问题库
案例库
开源库
学术资源
会议展览
品牌栏目
院士开讲
解码新质生产力
金融服务云课堂
企创云课堂
有问题想咨询
有成果想转化
我的交易
我的会议
我报名的路演会议
我的资讯
我的消息
我的动态
我的需求
我的成果
我的
个人资料编辑
退出登录
登录/注册
科创中国
需求发布
成果发布
科创案例库
揭榜挂帅
技术经理人
会议展览
科创联合体
科技服务团
科创资讯
科技政策
院士开讲
学术资源
城市站点
协作站点
搜索
问题库
项目库
开源库
English
我的交易
我的会议
我报名的路演会议
我的资讯
我的消息
我的动态
我的需求
我的成果
我的
个人资料编辑
退出登录
登录/注册
组织入驻
“科创中国”四川科技服务团
示范项目
2023
区域科技服务团
“科创中国”四川科技服务团围绕电子信息、装备制造、先进材料、能源化工、食品轻纺、医药健康六大优势产业,集聚省内科技资源组织相关领域科研团队、服务团队与产业团、专业团以及省级、市级服务团建立协同工作机制,推动“科创中国”融入省市两级党政中心工作,按照“政府-科研机构-高校-企业”的协同创新模式,挖掘梳理凝练重点产业需求,汇聚技术问题和科技成果,开展技术评估、诊断等服务,组织开展相关工作部署、交流、总结活动,全面总结四川“科创中国”建设成效和经验,服务科技与经济高质量融合发展。服务团由四川省科协牵头,中国工程院王琪院士作为首席专家,四川省科技协同创新促进会作为项目实施单位开展具体服务工作。
收起
工作进展
活动开展
智库报告
宣讲培训
高端研讨
转化对接
组织机构
科技成果
专家人才
技术需求
服务需求
人才需求
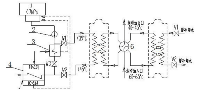
湿冷汽轮发电机组润滑油热量回收利用方法
东方***********公司
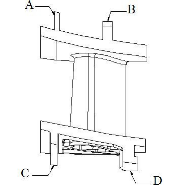
汽轮机高温段动叶片叉形叶根锁紧结构
东方***********公司
档案管理系统中查询档案信息的图示方法
东方***********公司
修补熔模精密铸造硅溶胶模壳的方法及模壳排蜡口封堵材料
东方***********公司
一种汽轮机盖缸过程监测汽缸中心变化的装置及方法
东方***********公司
社会组织档案管理系统及方法
东方***********公司
燃气轮机柱晶导向叶片精密铸造方法
东方***********公司
一种直动提板式调节阀配汽机构
东方***********公司
一种汽缸中分面密封方法
东方***********公司
风力发电机的控制方法
东方***********公司
浮动套筒加工方法
东方***********公司
一种变桨控制器测试装置
东方***********公司
首页
上一页
66
67
68
69
70
71
72
下一页
尾页
共116页 转到
页