科创中国
问题分诊室
具身智能与智慧医疗融合创新产业
高性能装备制造产业
智能机器人全产业链产业
中医药产业
人工智能产业
新一代信息技术产业
作物产业
量子科技与先进制造产业
海洋装备产业
煤炭开采及煤化工产业
特殊钢产业
节能环保产业
低空经济产业
光电产业
汽车产业
新能源产业
新材料产业
“以竹代塑”
成果发布厅
新型电力系统
化学领域
现代纺织
低空经济
信息通信
智慧公路
煤炭开采及煤化工
中医药
智能机器人全产业链
海洋装备
新一代信息技术
量子科技与先进制造
人工智能
高性能装备制造
具身智能与智慧医疗融合创新
作物
科创地方
科创北京
科创天津
科创内蒙古
科创辽宁
科创江苏
科创广西
科创广东
科创重庆
科创宁夏
科创河北
科创山东
科创河南
科创福建
科创湖南
科创黑龙江
科创湖北
科创浙江
科创山西
科创资讯
科创头条
科协活动
通知公告
科技政策
技术经理人
科技服务团
资源中心
项目库
问题库
案例库
开源库
学术资源
会议展览
品牌栏目
院士开讲
解码新质生产力
金融服务云课堂
企创云课堂
有问题想咨询
有成果想转化
我的交易
我的会议
我报名的路演会议
我的资讯
我的消息
我的动态
我的需求
我的成果
我的
个人资料编辑
退出登录
登录/注册
科创中国
需求发布
成果发布
科创案例库
揭榜挂帅
技术经理人
会议展览
科创联合体
科技服务团
科创资讯
科技政策
院士开讲
学术资源
城市站点
协作站点
搜索
问题库
项目库
开源库
English
我的交易
我的会议
我报名的路演会议
我的资讯
我的消息
我的动态
我的需求
我的成果
我的
个人资料编辑
退出登录
登录/注册
组织入驻
“科创中国”黑龙江科技服务团
示范项目
2023
区域科技服务团
“科创中国”哈尔滨新区科技服务团是由黑龙江省科协牵头,中国工程院龙乐豪院士作为领衔专家,19个国家、省、市级科技社团组织和大学、科研院所及相关领域专家组成。服务团立足于服务哈尔滨新区高端装备制造及新一代信息技术、生物医药、新材料产业,覆盖哈尔滨周边地区,辐射黑龙江省全域。服务团专家涵盖智能制造、生物技术、科技咨询、金融、财税、投融资等多个领域,在行业内均有较高的影响力,长期致力于科技服务工作,有丰富的服务产业、企业(园区)实践经验,在科技攻关、成果转化、助推创新创业等方面取得丰硕成果。2021年,服务哈尔滨新区试点建设,积极开展科技成果转化对接,为哈尔滨新区在“科创中国”平台——试点城市(园区)对接转化排行取得第6名做出积极贡献,积累了丰富经验。 2023年,“科创中国”哈尔滨新区科技服务团将聚焦哈尔滨新区重点产业,按照中国科协“科创中国”部署要求署,通过搭建产学研协同平台,开展细分领域定制服务,着力求实效、植内涵、提质量、筑生态,充分发挥协同创新的组织人才优势,深化“科创”服务“双创”,在重点推动哈尔滨新区科技经济融合发展的同时,辐射哈大齐,促进科技经济融合。
收起
工作进展
活动开展
智库报告
宣讲培训
高端研讨
转化对接
组织机构
科技成果
专家人才
技术需求
服务需求
人才需求
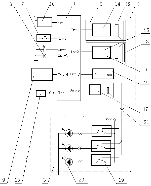
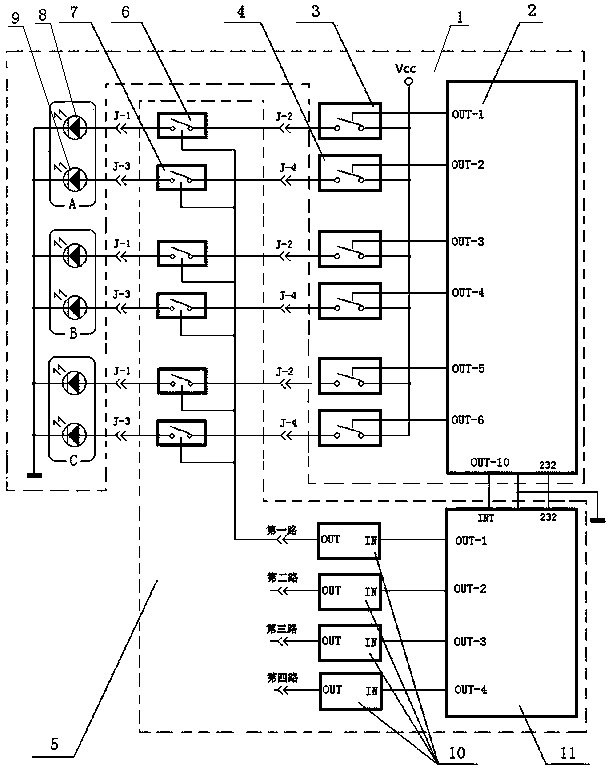
交通信号灯内的交通编码信息输出控制装置及编码方法
黑龙*大学
安装在机动车内数字化交通信号发射、接收系统
黑龙*大学
安装在机动车内数字化交通信号接收装置及信号接收方法
黑龙*大学
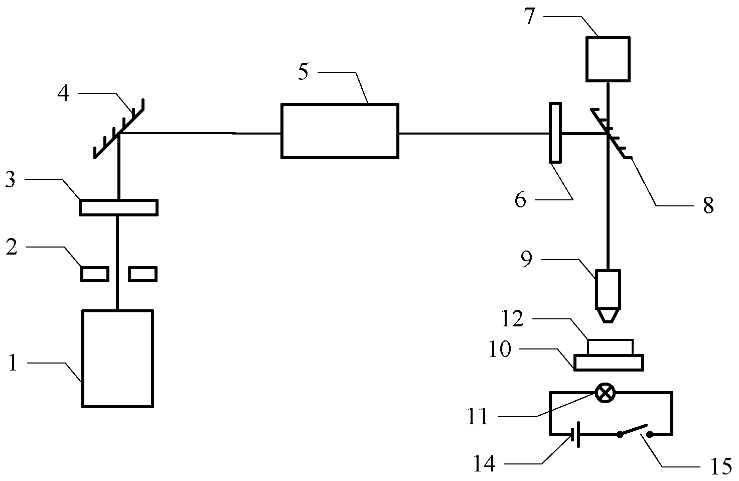
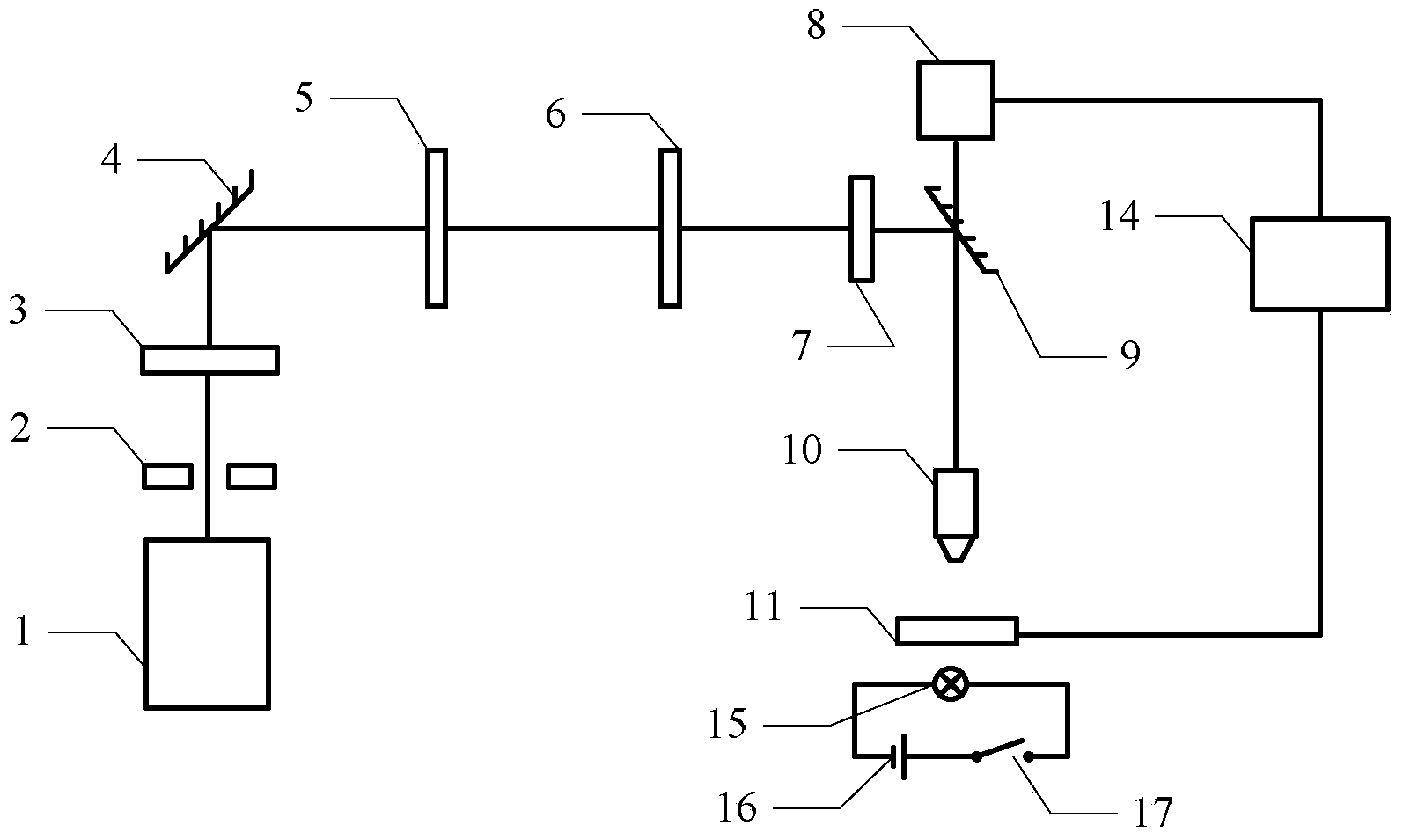
一种基于柱矢量光束的飞秒激光光镊操控装置
黑龙*大学
一种基于S波片的飞秒激光光镊操控装置
黑龙*大学
一种基于柱矢量光束的飞秒激光模式可调光镊操控装置
黑龙*大学
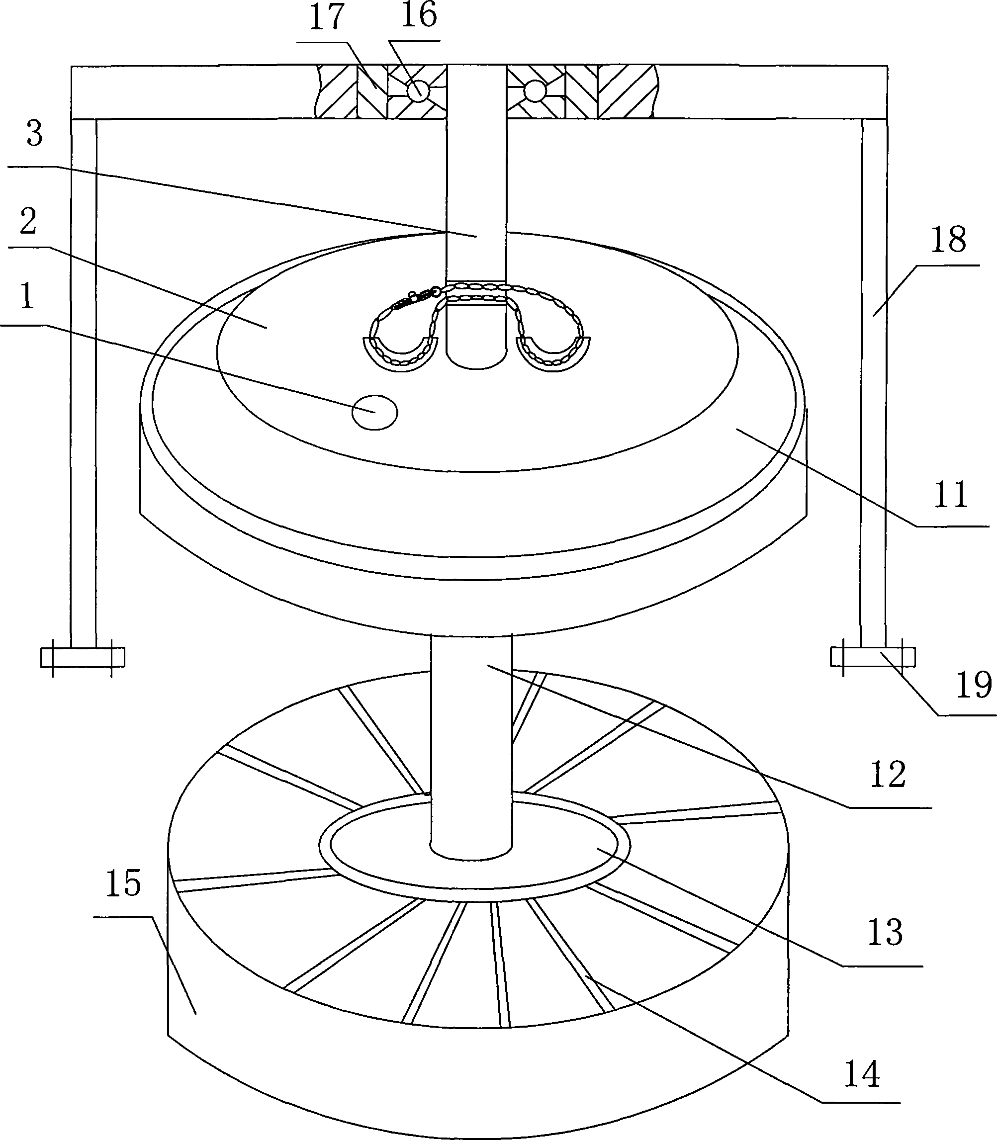
水能转换动能物理实验教具
黑龙*大学
一种猕猴桃采摘末端执行器
东北**大学
一种树干式天牛捕捉器
东北**大学
一种可升高式笔记本电脑支架
东北**大学
一种用于无侧限抗压实验试样的制备及脱模装置
东北**大学
一种螺栓双波超声检测探头
东北**大学
首页
上一页
57
58
59
60
61
62
63
下一页
尾页
共366页 转到
页