科创中国
问题分诊室
具身智能与智慧医疗融合创新产业
高性能装备制造产业
智能机器人全产业链产业
中医药产业
人工智能产业
新一代信息技术产业
作物产业
量子科技与先进制造产业
海洋装备产业
煤炭开采及煤化工产业
特殊钢产业
节能环保产业
低空经济产业
光电产业
汽车产业
新能源产业
新材料产业
“以竹代塑”
成果发布厅
新型电力系统
化学领域
现代纺织
低空经济
信息通信
智慧公路
煤炭开采及煤化工
中医药
智能机器人全产业链
海洋装备
新一代信息技术
量子科技与先进制造
人工智能
高性能装备制造
具身智能与智慧医疗融合创新
作物
科创地方
科创北京
科创天津
科创内蒙古
科创辽宁
科创江苏
科创广西
科创广东
科创重庆
科创宁夏
科创河北
科创山东
科创河南
科创福建
科创湖南
科创黑龙江
科创湖北
科创浙江
科创山西
科创资讯
科创头条
科协活动
通知公告
科技政策
技术经理人
科技服务团
资源中心
项目库
问题库
案例库
开源库
学术资源
会议展览
品牌栏目
院士开讲
解码新质生产力
金融服务云课堂
企创云课堂
有问题想咨询
有成果想转化
我的交易
我的会议
我报名的路演会议
我的资讯
我的消息
我的动态
我的需求
我的成果
我的
个人资料编辑
退出登录
登录/注册
科创中国
需求发布
成果发布
科创案例库
揭榜挂帅
技术经理人
会议展览
科创联合体
科技服务团
科创资讯
科技政策
院士开讲
学术资源
城市站点
协作站点
搜索
问题库
项目库
开源库
English
我的交易
我的会议
我报名的路演会议
我的资讯
我的消息
我的动态
我的需求
我的成果
我的
个人资料编辑
退出登录
登录/注册
组织入驻
“科创中国”新材料与新能源专业科技服务团
2022
专业科技服务团
为集聚和发挥交叉领域学科的人才优势,实现资源优化与资源共享,由广东省真空学会牵头,暨南大学新能源技术研究院院长、国家特聘专家麦耀华教授作为首席专家,与交易中心联合组建“科创中国”新材料与新能源专业科技服务团。服务团将充分发挥学会平台优势,广泛集成国家、省、市级三级学会资源与中国科协所属地方科协资源,为地方产业解决发展中的关键共性问题,助力科技经济深度融合发展。 服务团以打造“科创+产业”模式为特色,从试点城市广州及粤港澳大湾区新材料与新能源产业需求出发,通过汇聚国内外高校、科研院所、企业的技术成果供需资源信息,通过开展以“送政策、送服务、送要素,解难题”为内容的“三送一解”活动,发布产业对接项目,提供技术攻关支持,完善产学研协同创新平台的长效服务机制,承办中国创交会科技成果转化促进相关活动,提供投融资对接等科技金融服务,举办高端研讨会议,组织技术转移经纪人培训,制定团体标准等活动,围绕“科技成果转化”这一中心任务,提供技术对接交流、联合技术攻关、科技成果转化、建设产学协同组织、产学融合会议、智库咨询建议、适用性技术推广、知识产权服务、人才引进或培训、科技金融等科技公共服务。
收起
工作进展
活动开展
智库报告
宣讲培训
高端研讨
转化对接
组织机构
科技成果
专家人才
技术需求
服务需求
人才需求
一种牙科医疗床用全自动消毒装置及其消毒方法
中国**************作组
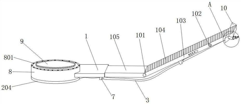
一种智能环保可调式扒炉
广州********公司
过滤式消防自救呼吸器装配方法
中国**************作组
一种智能消防防护的电池充电柜
广州********公司
一种基于活性氧自放大降解的聚硫缩醛及其制备方法和应用
中国**************作组
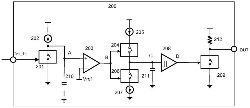
一种信号积分电路、信号处理方法及红外信号接收系统
中国**************作组
钮扣转盘及打钮扣机
广州********公司
基于机器视觉的家居识别方法、系统、装置及介质
中国**************作组
履行能力评估系统、方法及电子设备
中国**************作组
一种锡铋焊料带材及其连续生产工艺
中国**************作组
一种口腔镜
中国**************作组
一种集WiFi和NFC功能为一体的IOT模组及电器
中国**************作组
首页
上一页
55
56
57
58
59
60
61
下一页
尾页
共102页 转到
页