科创中国
问题分诊室
具身智能与智慧医疗融合创新产业
高性能装备制造产业
智能机器人全产业链产业
中医药产业
人工智能产业
新一代信息技术产业
作物产业
量子科技与先进制造产业
海洋装备产业
煤炭开采及煤化工产业
特殊钢产业
节能环保产业
低空经济产业
光电产业
汽车产业
新能源产业
新材料产业
“以竹代塑”
成果发布厅
新型电力系统
化学领域
现代纺织
低空经济
信息通信
智慧公路
煤炭开采及煤化工
中医药
智能机器人全产业链
海洋装备
新一代信息技术
量子科技与先进制造
人工智能
高性能装备制造
具身智能与智慧医疗融合创新
作物
科创地方
科创北京
科创天津
科创内蒙古
科创辽宁
科创江苏
科创广西
科创广东
科创重庆
科创宁夏
科创河北
科创山东
科创河南
科创福建
科创湖南
科创黑龙江
科创湖北
科创浙江
科创山西
科创资讯
科创头条
科协活动
通知公告
科技政策
技术经理人
科技服务团
资源中心
项目库
问题库
案例库
开源库
学术资源
会议展览
品牌栏目
院士开讲
解码新质生产力
金融服务云课堂
企创云课堂
有问题想咨询
有成果想转化
我的交易
我的会议
我报名的路演会议
我的资讯
我的消息
我的动态
我的需求
我的成果
我的
个人资料编辑
退出登录
登录/注册
科创中国
需求发布
成果发布
科创案例库
揭榜挂帅
技术经理人
会议展览
科创联合体
科技服务团
科创资讯
科技政策
院士开讲
学术资源
城市站点
协作站点
搜索
问题库
项目库
开源库
English
我的交易
我的会议
我报名的路演会议
我的资讯
我的消息
我的动态
我的需求
我的成果
我的
个人资料编辑
退出登录
登录/注册
组织入驻
“科创中国”河北区域科技服务团
示范项目
2022
区域科技服务团
服务城市:河北省保定市、雄安新区 服务产业:智能制造、5G通信、电子信息技术、生物医药、现代农业、汽车、新材料、新能源、通用航空技术、资源与环境保护 服务内容:科技咨询与服务,科技需求征集,科研成果发布,科技成果评价;学术交流,人才与技术培训;建立各类科技经济融合创新平台。
收起
工作进展
活动开展
智库报告
宣讲培训
高端研讨
转化对接
组织机构
科技成果
专家人才
技术需求
服务需求
人才需求
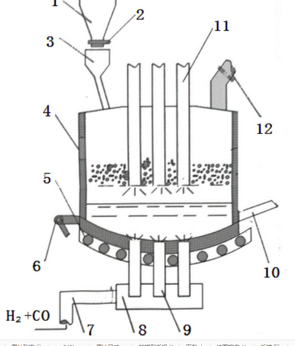
高钛型高炉渣制备金属钛或钛合金及残渣综合利用研究
河北*********中心
关键件激光熔覆修复、合金化、淬火工艺技术
河北*********中心
一种耐蚀锌基铝镁稀土合金微粉及其防腐涂料
河北*********中心
低成本高性能非氧化物复合耐火材料制备与应用技术
河北*********中心
固体电容器用碳/铝复合负极材料
河北*********中心
种制备碳氮化钛的方法
河北*********中心
大功率LED照明用金属基板
河北*********中心
5KW太阳能光伏并网示范工程介绍
河北*********中心
再生塑料基剑麻增强复合建筑模板的研究
河北*********中心
环保型非离子棉织物丰厚手感整理剂的制备
河北*********中心
电子束辐照项目
河北*********中心
高性能磷酸铁锂及其动力与储能电池
河北*********中心
首页
上一页
499
500
501
502
503
504
505
下一页
尾页
共521页 转到
页