科创中国
问题分诊室
具身智能与智慧医疗融合创新产业
高性能装备制造产业
智能机器人全产业链产业
中医药产业
人工智能产业
新一代信息技术产业
作物产业
量子科技与先进制造产业
海洋装备产业
煤炭开采及煤化工产业
特殊钢产业
节能环保产业
低空经济产业
光电产业
汽车产业
新能源产业
新材料产业
“以竹代塑”
成果发布厅
新型电力系统
化学领域
现代纺织
低空经济
信息通信
智慧公路
煤炭开采及煤化工
中医药
智能机器人全产业链
海洋装备
新一代信息技术
量子科技与先进制造
人工智能
高性能装备制造
具身智能与智慧医疗融合创新
作物
科创地方
科创北京
科创天津
科创内蒙古
科创辽宁
科创江苏
科创广西
科创广东
科创重庆
科创宁夏
科创河北
科创山东
科创河南
科创福建
科创湖南
科创黑龙江
科创湖北
科创浙江
科创山西
科创资讯
科创头条
科协活动
通知公告
科技政策
技术经理人
科技服务团
资源中心
项目库
问题库
案例库
开源库
学术资源
会议展览
品牌栏目
院士开讲
解码新质生产力
金融服务云课堂
企创云课堂
有问题想咨询
有成果想转化
我的交易
我的会议
我报名的路演会议
我的资讯
我的消息
我的动态
我的需求
我的成果
我的
个人资料编辑
退出登录
登录/注册
科创中国
需求发布
成果发布
科创案例库
揭榜挂帅
技术经理人
会议展览
科创联合体
科技服务团
科创资讯
科技政策
院士开讲
学术资源
城市站点
协作站点
搜索
问题库
项目库
开源库
English
我的交易
我的会议
我报名的路演会议
我的资讯
我的消息
我的动态
我的需求
我的成果
我的
个人资料编辑
退出登录
登录/注册
组织入驻
“科创中国”微纳助力智能制造与医疗健康产业科技服务团
2023
产业科技服务团
“科创中国”微纳助力智能制造及医疗健康产业科技服务团由中国微米纳米学会牵头,联合清华大学、中国地质大学、贵州大学、贵阳中医药大学、贵州医科大学、北京路浩知识产权集团有限公司等机构组建成立。服务团首席专家由俄罗斯工程院外籍院士、中国地质大学张以河教授担任,特邀贵州大学刘飞教授及生物医药、生命大健康、高端装备与智能制造相关企业、科研院所、高等院校、新材料研发及生产企业的知名专家共同组建专家顾问团。学会负责编制科技服务团工作方案及工作计划,结合自身资源与合作单位围绕智能制造及医疗健康产业链多年成果转移转化经验及相关资源,协同具备专业技术转移服务与专利分析检索的合作单位,服务于西部、中部、东北、黄河流域、粤港澳大湾区等国家重大战略发展区域。
收起
工作进展
活动开展
智库报告
宣讲培训
高端研讨
转化对接
组织机构
科技成果
专家人才
技术需求
服务需求
人才需求
分散型有机废弃物资源化处理模式及设备
中国*************究所
水性流变助剂硅酸镁锂
中国*************究所
用于蒸汽渗透(渗透汽化)醇/水分离的聚合物膜 制备及其耦合分离工艺开发研究
中国*************究所
高性能中空纤维沼气分离膜及膜法沼气提纯制压缩 天然气工艺开发
中国*************究所
高性能乙烯基润滑油生产与应用技术
中国*************究所
超高分子量聚乙烯生产与应用技术
中国*************究所
支化特种橡胶生产与应用技术
中国*************究所
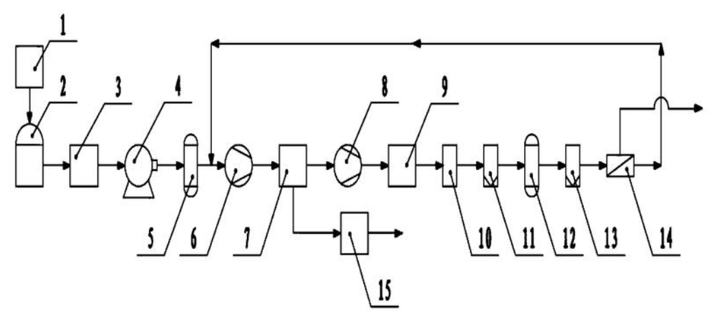
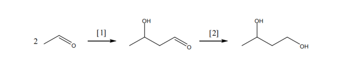
1,3-丁二醇连续式绿色生产新技术
中国*************究所
首页
上一页
1
2
3
尾页
共3页 转到
页