科创中国
问题分诊室
具身智能与智慧医疗融合创新产业
高性能装备制造产业
智能机器人全产业链产业
中医药产业
人工智能产业
新一代信息技术产业
作物产业
量子科技与先进制造产业
海洋装备产业
煤炭开采及煤化工产业
特殊钢产业
节能环保产业
低空经济产业
光电产业
汽车产业
新能源产业
新材料产业
“以竹代塑”
成果发布厅
新型电力系统
化学领域
现代纺织
低空经济
信息通信
智慧公路
煤炭开采及煤化工
中医药
智能机器人全产业链
海洋装备
新一代信息技术
量子科技与先进制造
人工智能
高性能装备制造
具身智能与智慧医疗融合创新
作物
科创地方
科创北京
科创天津
科创内蒙古
科创辽宁
科创河北
科创湖南
科创宁夏
科创广东
科创江苏
科创广西
科创重庆
科创山东
科创河南
科创福建
科创黑龙江
科创湖北
科创浙江
科创山西
科创资讯
科创头条
科协活动
通知公告
科技政策
技术经理人
科技服务团
资源中心
项目库
问题库
案例库
开源库
学术资源
会议展览
品牌栏目
院士开讲
解码新质生产力
金融服务云课堂
企创云课堂
有问题想咨询
有成果想转化
我的交易
我的会议
我报名的路演会议
我的资讯
我的消息
我的动态
我的需求
我的成果
我的
个人资料编辑
退出登录
登录/注册
科创中国
需求发布
成果发布
科创案例库
揭榜挂帅
技术经理人
会议展览
科创联合体
科技服务团
科创资讯
科技政策
院士开讲
学术资源
城市站点
协作站点
搜索
问题库
项目库
开源库
English
我的交易
我的会议
我报名的路演会议
我的资讯
我的消息
我的动态
我的需求
我的成果
我的
个人资料编辑
退出登录
登录/注册
组织入驻
“科创中国”湖北碳达峰碳中和区域科技服务团
2021
区域科技服务团
顺应全球绿色低碳发展潮流,发展低碳经济,加快产业低碳转型。 服务产业:能源化工、5G通信、新材料、医药健康、智能机电、生态修复等。 服务城市:武汉东湖、咸宁市、襄阳市、荆门市。 服务内容:产业技术方向研判、专业技术评估、共性技术研发、转化对接、专题研讨、宣讲培训等。 牵头单位:湖北省环境科学学会 领衔院士:茆智(武汉大学教授、中国工程院院士) 学会联系人:胡春华 13871346969 需求对接联系人:喻鑫 13297970980
收起
工作进展
活动开展
智库报告
宣讲培训
高端研讨
转化对接
组织机构
科技成果
专家人才
技术需求
服务需求
人才需求
一种乙烯基改性星形聚磷酸酯及其合成方法
武汉**大学
一种植酸部分掺杂聚苯胺热电材料及其制备方法
武汉**大学
一种红豆杉固体香水及其制备方法
湖北************公司
一种红豆杉枝条中多种黄酮化合物含量的检测方法及其制备方法
湖北************公司
一种抗菌妇科外用药物组合物及其制备方法与应用
湖北************公司
一种生产氟化铝联产高分子比冰晶石的方法
湖北********公司
一种利用低浓度氟硅酸生产高分子比冰晶石的方法
湖北********公司
一种营养餐
湖北*******公司
一种复合微生物肥料
湖北***********公司
一种复合微生物菌剂
湖北***********公司
一种生产磷铵的方法
湖北*********公司
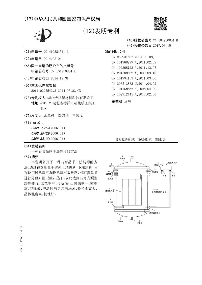
一种石膏晶须干法转形的方法
湖北*********公司
首页
上一页
18
19
20
21
22
23
24
下一页
尾页
共54页 转到
页