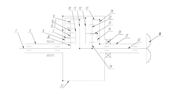
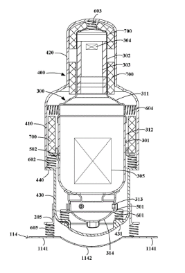
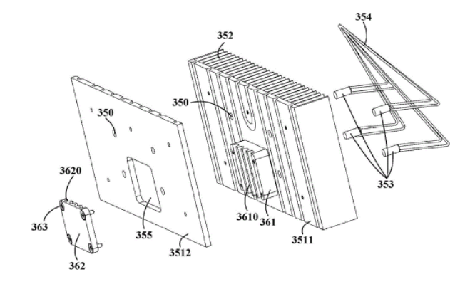
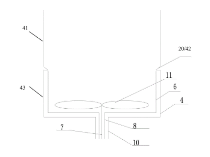
共33页 转到