科创中国
问题分诊室
具身智能与智慧医疗融合创新产业
高性能装备制造产业
智能机器人全产业链产业
中医药产业
人工智能产业
新一代信息技术产业
作物产业
量子科技与先进制造产业
海洋装备产业
煤炭开采及煤化工产业
特殊钢产业
节能环保产业
低空经济产业
光电产业
汽车产业
新能源产业
新材料产业
“以竹代塑”
成果发布厅
新型电力系统
化学领域
现代纺织
低空经济
信息通信
智慧公路
煤炭开采及煤化工
中医药
智能机器人全产业链
海洋装备
新一代信息技术
量子科技与先进制造
人工智能
高性能装备制造
具身智能与智慧医疗融合创新
作物
科创地方
科创北京
科创天津
科创内蒙古
科创辽宁
科创河北
科创湖南
科创宁夏
科创广东
科创江苏
科创广西
科创重庆
科创山东
科创河南
科创福建
科创黑龙江
科创湖北
科创浙江
科创山西
科创资讯
科创头条
科协活动
通知公告
科技政策
技术经理人
科技服务团
资源中心
项目库
问题库
案例库
开源库
学术资源
会议展览
品牌栏目
院士开讲
解码新质生产力
金融服务云课堂
企创云课堂
有问题想咨询
有成果想转化
我的交易
我的会议
我报名的路演会议
我的资讯
我的消息
我的动态
我的需求
我的成果
我的
个人资料编辑
退出登录
登录/注册
科创中国
需求发布
成果发布
科创案例库
揭榜挂帅
技术经理人
会议展览
科创联合体
科技服务团
科创资讯
科技政策
院士开讲
学术资源
城市站点
协作站点
搜索
问题库
项目库
开源库
English
我的交易
我的会议
我报名的路演会议
我的资讯
我的消息
我的动态
我的需求
我的成果
我的
个人资料编辑
退出登录
登录/注册
组织入驻
“科创中国”徐州区域科技服务团
2022
区域科技服务团
“科创中国”徐州科技服务团,由江苏省科协所属事业单位江苏省学会服务中心联合中国兵工学会、江苏省自动化学会、江苏省机械工程学会共同组建的服务团队,团队邀请中国工程院院士、华中科技大学教授李德群领衔担任首席专家,江苏省科协分管领导担任团长,成员由具有丰富产学研经验、工程机械和自动化领域的教授组成,其中国家级专家4人,团队主要服务“科创中国”试点城市徐州的工程机械产业。将开展走访企业,对接技术需求,开展技术服务,技术培训、科技成果转化等工作。
收起
工作进展
活动开展
智库报告
宣讲培训
高端研讨
转化对接
组织机构
科技成果
专家人才
技术需求
服务需求
人才需求
一种原子荧光光谱仪进样器中钳握装置
徐州******心站
一种简易的射流电沉积实验系统
江苏**大学
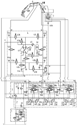
一种液压升降智能检伪减速带装置及其方法
江苏**大学
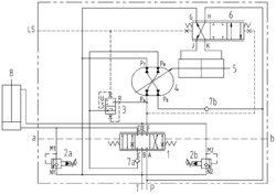
一种基于四通液压变压器阀后补偿的节能比例换向阀
江苏**大学
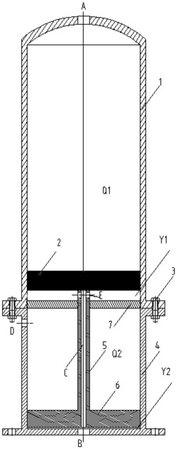
一种气液两相转化高能量存储密度液压蓄能器
江苏**大学
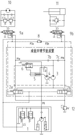
一种用于负载敏感比例控制系统的液能回馈节能装置
江苏**大学
一种煤矿运输带保护装置及其工作方法
江苏**大学
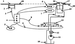
一种基于四通液压变压器液能回收的单泵挖掘机节能装置
江苏**大学
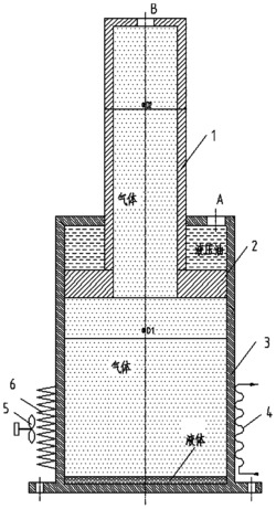
一种增压减容液压蓄能器
江苏**大学
一种连续变压的大变压范围高速阀控液压缸液压变压器
江苏**大学
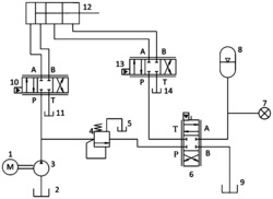
基于液压蓄能器和四腔液压缸的溢流损耗回收利用系统
江苏**大学
含胺基朝格尔碱衍生物、联二萘酚-朝格尔碱胺希夫碱衍生物的合成方法与应用
江苏**大学
首页
上一页
10
11
12
13
14
15
16
下一页
尾页
共16页 转到
页