科创中国
问题分诊室
具身智能与智慧医疗融合创新产业
高性能装备制造产业
智能机器人全产业链产业
中医药产业
人工智能产业
新一代信息技术产业
作物产业
量子科技与先进制造产业
海洋装备产业
煤炭开采及煤化工产业
特殊钢产业
节能环保产业
低空经济产业
光电产业
汽车产业
新能源产业
新材料产业
“以竹代塑”
成果发布厅
新型电力系统
化学领域
现代纺织
低空经济
信息通信
智慧公路
煤炭开采及煤化工
中医药
智能机器人全产业链
海洋装备
新一代信息技术
量子科技与先进制造
人工智能
高性能装备制造
具身智能与智慧医疗融合创新
作物
科创地方
科创北京
科创天津
科创内蒙古
科创辽宁
科创河北
科创湖南
科创宁夏
科创广东
科创江苏
科创广西
科创重庆
科创山东
科创河南
科创福建
科创黑龙江
科创湖北
科创浙江
科创山西
科创资讯
科创头条
科协活动
通知公告
科技政策
技术经理人
科技服务团
资源中心
项目库
问题库
案例库
开源库
学术资源
会议展览
品牌栏目
院士开讲
解码新质生产力
金融服务云课堂
企创云课堂
有问题想咨询
有成果想转化
我的交易
我的会议
我报名的路演会议
我的资讯
我的消息
我的动态
我的需求
我的成果
我的
个人资料编辑
退出登录
登录/注册
科创中国
需求发布
成果发布
科创案例库
揭榜挂帅
技术经理人
会议展览
科创联合体
科技服务团
科创资讯
科技政策
院士开讲
学术资源
城市站点
协作站点
搜索
问题库
项目库
开源库
English
我的交易
我的会议
我报名的路演会议
我的资讯
我的消息
我的动态
我的需求
我的成果
我的
个人资料编辑
退出登录
登录/注册
组织入驻
隐藏工作区
全国
在线展厅
切换展厅
全国
北京市
天津市
河北省
山西省
内蒙古
辽宁省
吉林省
黑龙江省
上海市
江苏省
浙江省
安徽省
福建省
江西省
山东省
河南省
湖北省
湖南省
广东省
广西
海南省
重庆市
四川省
贵州省
云南省
西藏
陕西省
甘肃省
青海省
宁夏
新疆
新疆兵团
路演活动
科技成果
参观
人数
0
0
0
0
0
0
0
点赞
人数
0
0
0
0
0
0
0
技术领域
全部
新兴行业
|
新基建
|
电子信息
|
高端产业
|
生物医药
|
石化与新材料
|
智能机械与光机电一体化
|
节能环保
|
新能源
|
现代农业
|
高端技术服务业
|
农林牧副渔
|
城建规划
|
文化创意
|
矿山工程
|
冶金工程
|
企业管理
|
知识产权
|
智库咨询
|
旅游休闲娱乐
|
企业发展服务
|
电子商务
|
纺织
|
其他
|
更多
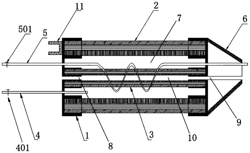
一种井下深孔松动爆破注水一体化封孔装置
中国矿业大学
多模态阵列式生物特征采集系统
中国矿业大学
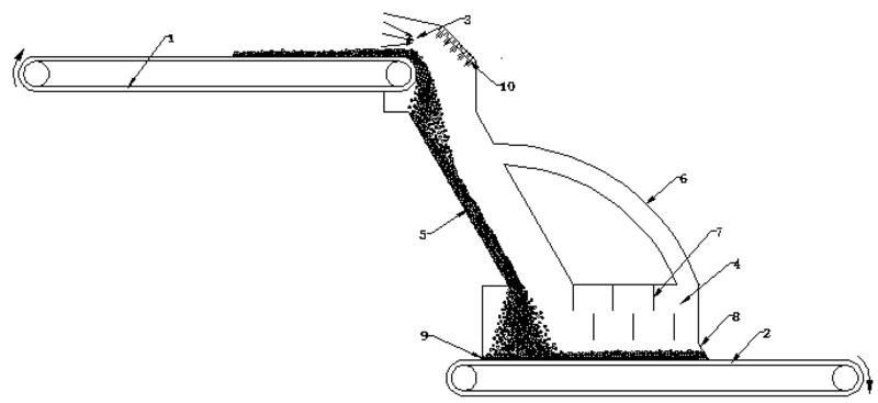
一种转运点粉尘抑制装置与方法
中国矿业大学
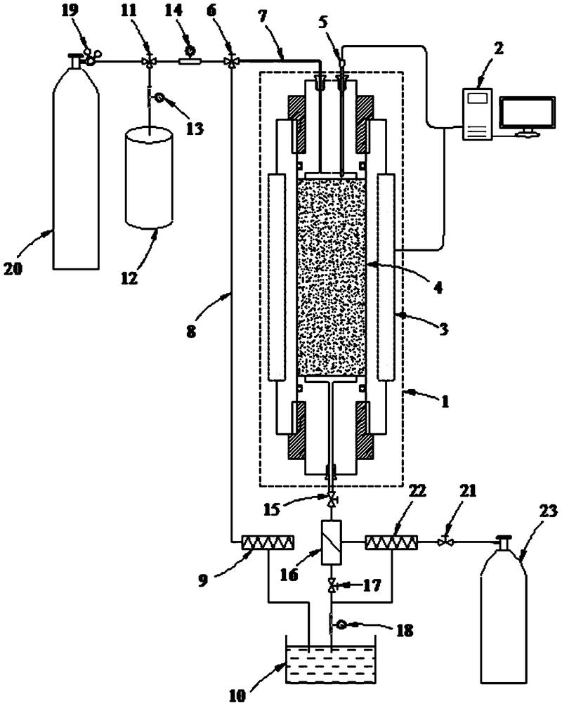
一种含水煤体解堵能力测试装置及测试方法
中国矿业大学
一种构造煤原位煤层气水平井洞穴卸压开采模拟试验方法
中国矿业大学
一种构造煤原位煤层气水平井洞穴卸压开采系统
中国矿业大学
一种构造煤原位煤层气水平井洞穴卸压开采模拟试验系统
中国矿业大学
一种构造煤原位煤层气水平井洞穴卸压开采方法
中国矿业大学
一种地下空洞智能化充填系统
中国矿业大学
一种地下封存空间构建封存系统
中国矿业大学
一种二自由度滑移式临时支护装置及其工作方法
中国矿业大学
一种防治煤自燃的温敏性微胶囊化阻化剂及其制备方法
中国矿业大学
一种地下空间构建方法
中国矿业大学
一种采掘工作面作业过程产尘分析模拟试验系统
中国矿业大学
一种基于室内可见光通信的新颖空间正交调制方法
中国矿业大学
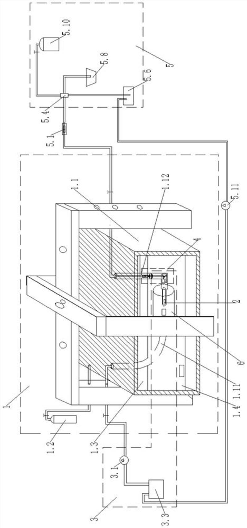
基于视觉的消防炮射流轨迹识别模拟实验装置及方法
中国矿业大学
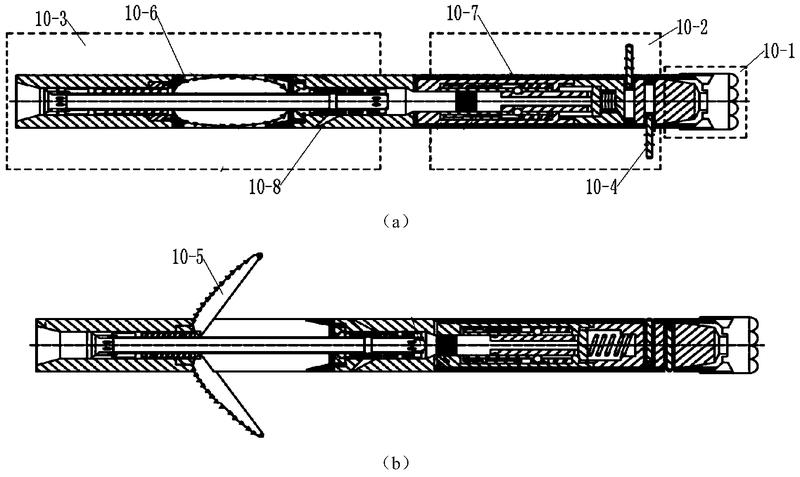
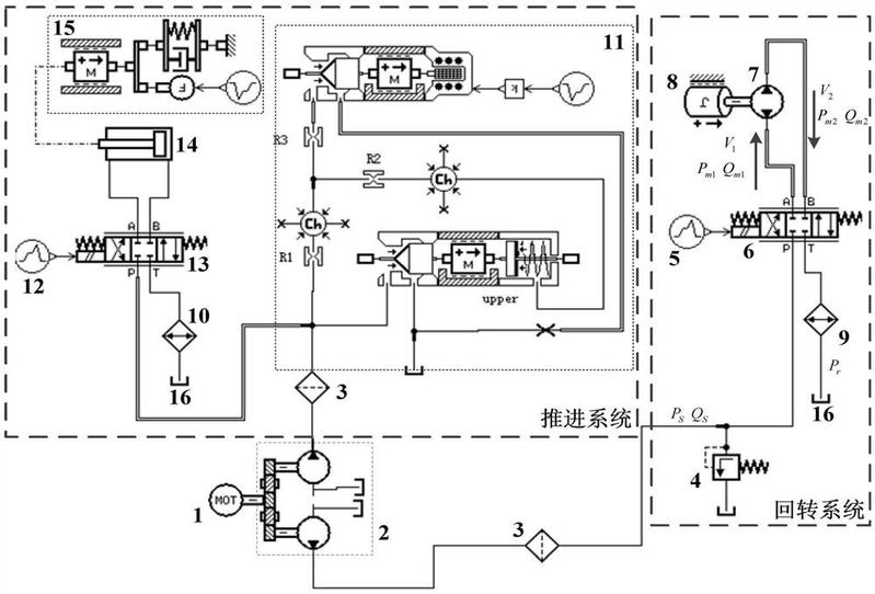
一种锚杆钻机推进回转系统及其协同自适应控制方法
中国矿业大学
一种基于液压蓄能器的可控压力喷射装置及其方法
中国矿业大学
基于氧化还原双重阻断的煤自燃智能复合阻化剂及其制法
中国矿业大学
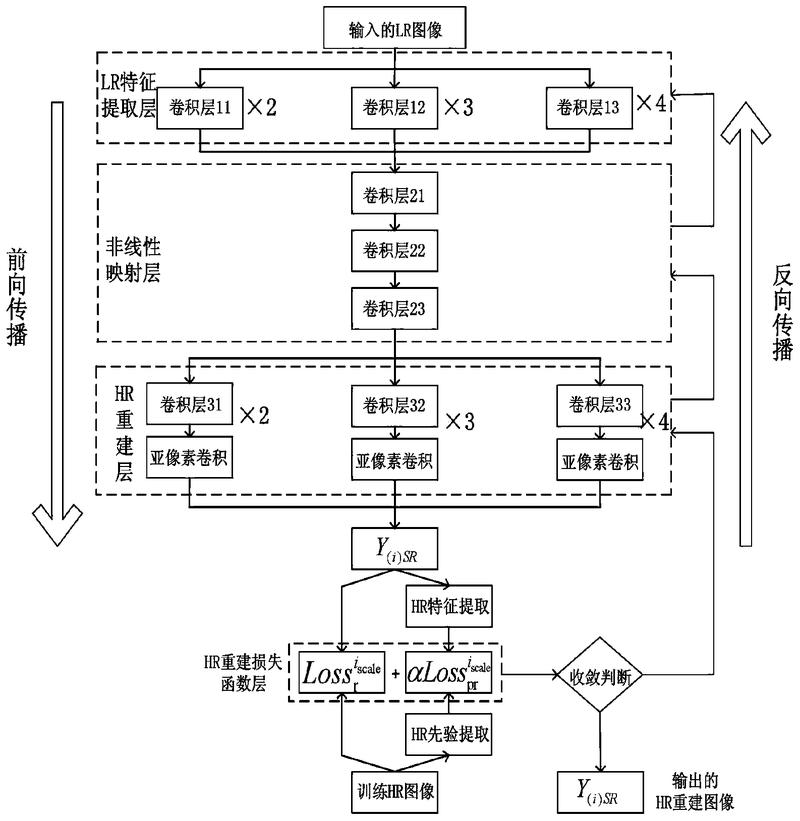
一种图像超分辨率重建方法
中国矿业大学
首页
上一页
24
25
26
27
28
29
30
下一页
尾页
共253页 转到
页