基于改进径向移动算法的含风电场电力系统经济调度方法
中国矿业大学
一种倾斜的钢筋混凝土板抗火试验装置
中国矿业大学
一种超细粒次烟煤选择性絮凝-反浮选降灰方法
中国矿业大学
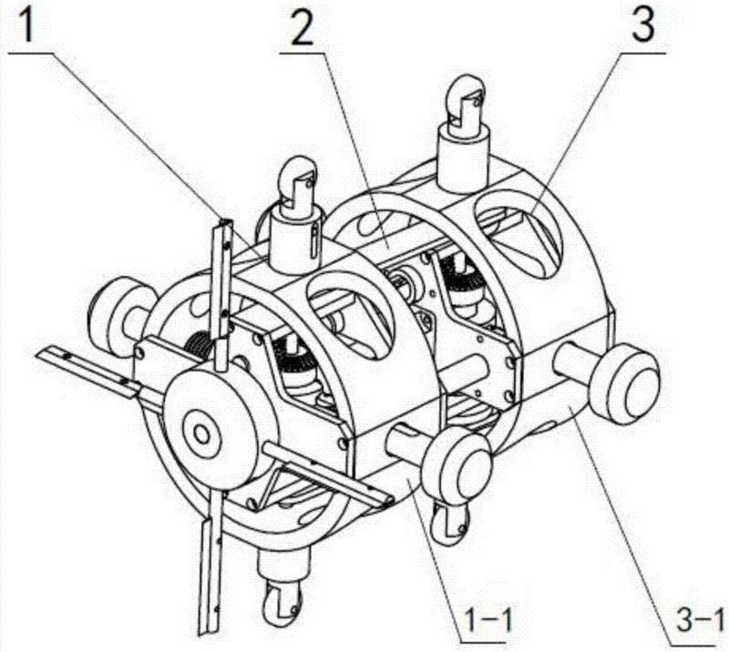
一种电磁驱动式快速伸缩机器人
江南大学
一种采煤机滚筒径向及轴向振动的同步监测装置及方法
中国矿业大学
一种基于决策树和神经网络的恒电位仪控制方法
中国矿业大学
一种电气复合驱动厚度异形板弹簧骨架柔性机械手
江南大学
一种液氮冻结式石门揭煤方法
中国矿业大学
一种基于机电耦合特性的永磁直驱式传动轴参数设计方法
中国矿业大学
一种用于带式输送机的防打滑悬挂式辅助驱动装置及工作方法
中国矿业大学
面向网络变量筛选与特征熵融合的轴承状态噪声诊断算法
中国矿业大学
一种电-气复合驱动串联柔性铰链骨架柔性机械手
江南大学
具有TRIP/TWIP效应的高强高塑性β钛合金及其制备方法
中国矿业大学
煤矿井下工作面矿压预测预警系统及方法
中国矿业大学
一种单驱双向蠕行式管道清理机器人
中国矿业大学
一种三相射流消防灭火技术移动式实验平台及其应用方法
中国矿业大学
一种低速大扭矩永磁驱动系统的负载模拟试验装置及方法
中国矿业大学
一种露天煤矿拉斗铲工作线分段交替式采区转向方法
中国矿业大学
一种软轴传动的刚柔耦合手指四指欠驱动机械手
江南大学
一种机载瓦斯遥感控制系统和方法
中国矿业大学
共260页 转到