整体叶盘复合数控铣削双立柱机床精度校准方法
湖北文理学院
一种车用余热回收系统及其涡旋膨胀机
湖北文理学院
一种土壤湿度检测电路
湖北文理学院
一种可放置于各种地面的全站仪
湖北文理学院
一种电机控制器控制板屏蔽结构
湖北文理学院
一种数控机床切削刀具磨损状态实时监测方法
湖北文理学院
一种丝杠磨损量实时预测方法
湖北文理学院
整体叶盘盘铣开槽加工方法
湖北文理学院
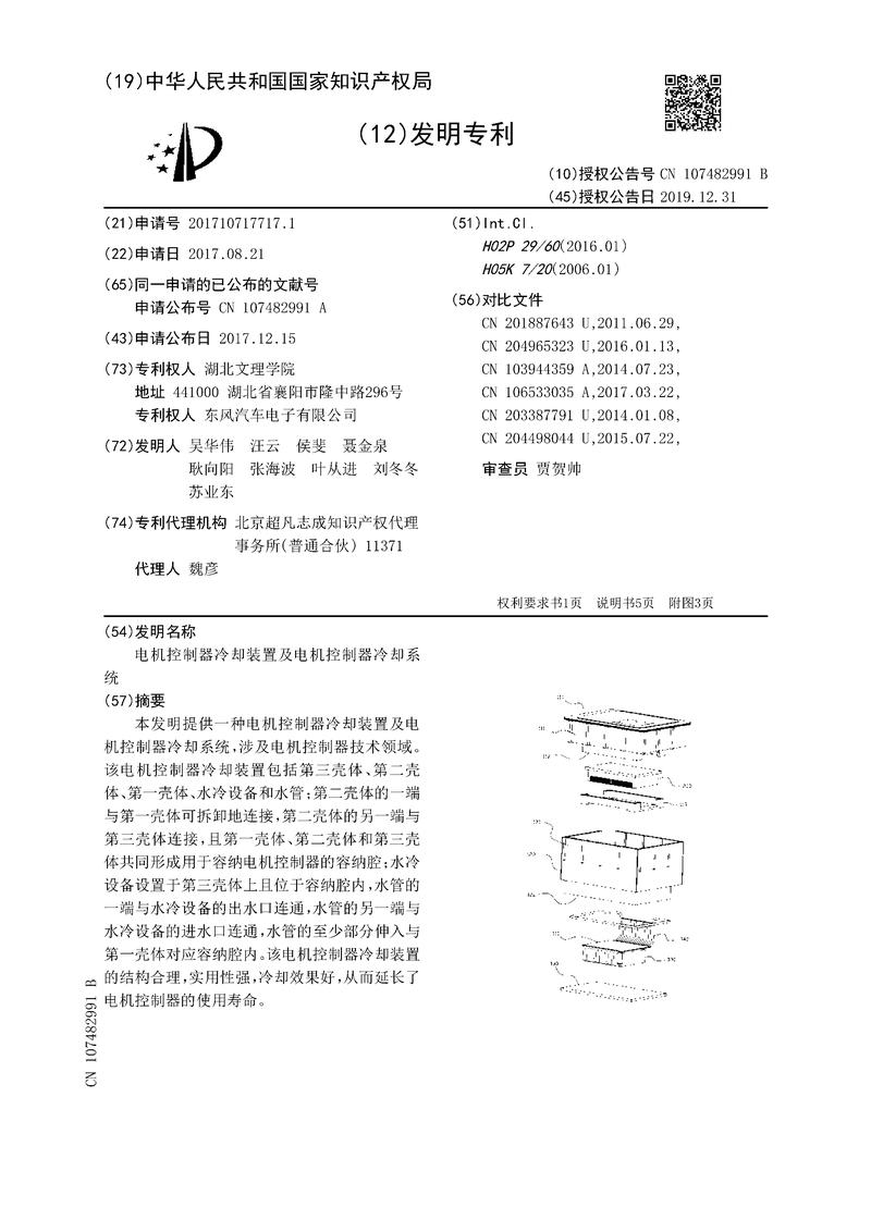
电机控制器冷却装置及电机控制器冷却系统
湖北文理学院
新型电负荷预测与电力系统经济调度融合方法
江苏师范大学
一种小型充电器自动装配与检测系统
江苏师范大学
一种天然材质的组合型生态浮床
湖北文理学院
一种ZigBee技术的短距离无线步进电机驱动模块
湖北文理学院
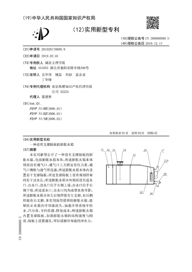
一种设有支撑隔板的膨胀水箱
湖北文理学院
一种机床主轴一维最佳温度测点的确定方法
湖北文理学院
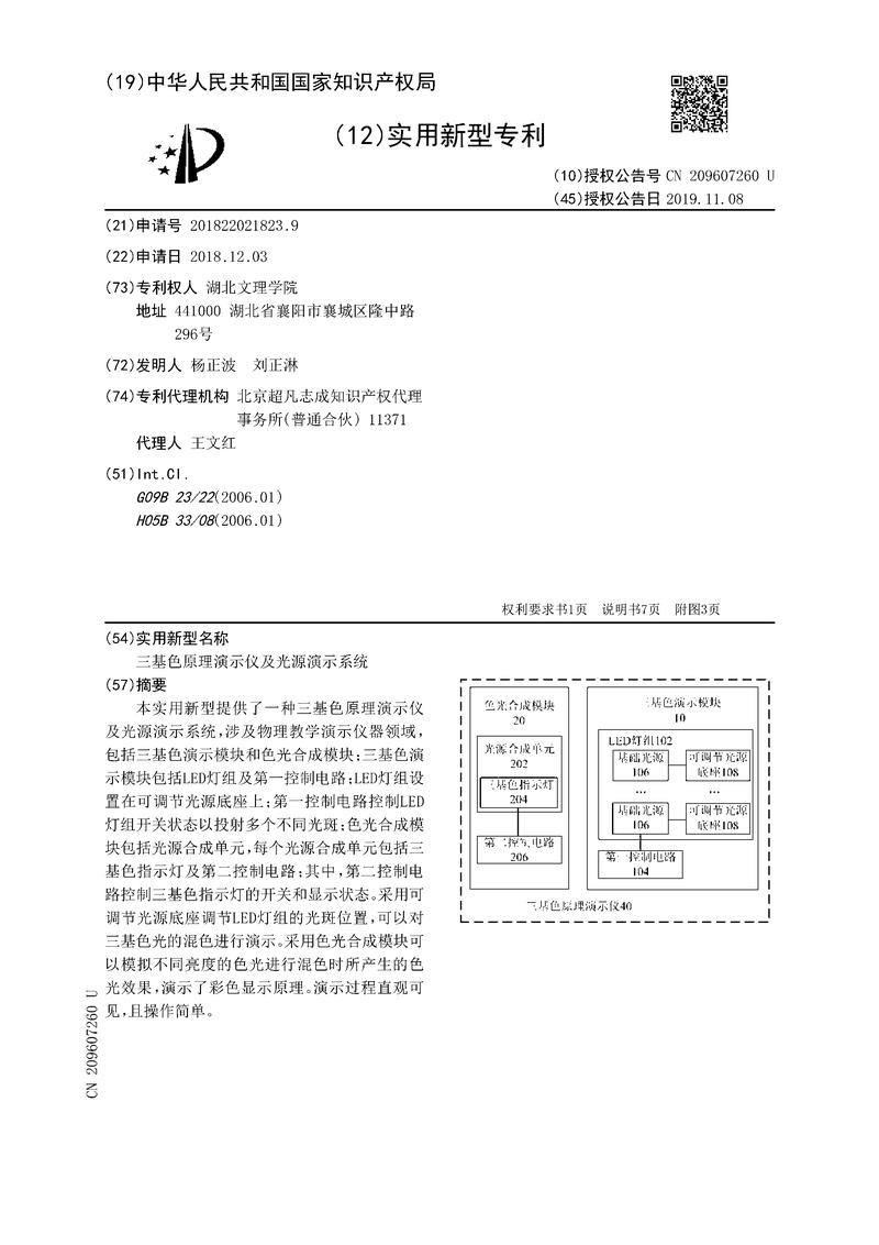
三基色原理演示仪及光源演示系统
湖北文理学院
电热液体蚊香器
湖北文理学院
同步磁阻电机变频控制器
国科温州研究院
车辆振动齿轮驱动压电弯曲元位移分段馈能机构
湖北文理学院
一种三维石墨烯磁性搅拌棒
湖北文理学院
共260页 转到