科创中国
问题分诊室
具身智能与智慧医疗融合创新产业
高性能装备制造产业
智能机器人全产业链产业
中医药产业
人工智能产业
新一代信息技术产业
作物产业
量子科技与先进制造产业
海洋装备产业
煤炭开采及煤化工产业
特殊钢产业
节能环保产业
低空经济产业
光电产业
汽车产业
新能源产业
新材料产业
“以竹代塑”
成果发布厅
新型电力系统
化学领域
现代纺织
低空经济
信息通信
智慧公路
煤炭开采及煤化工
中医药
智能机器人全产业链
海洋装备
新一代信息技术
量子科技与先进制造
人工智能
高性能装备制造
具身智能与智慧医疗融合创新
作物
科创地方
科创北京
科创天津
科创内蒙古
科创辽宁
科创江苏
科创广西
科创广东
科创重庆
科创宁夏
科创河北
科创山东
科创河南
科创福建
科创湖南
科创黑龙江
科创湖北
科创浙江
科创山西
科创资讯
科创头条
科协活动
通知公告
科技政策
技术经理人
科技服务团
资源中心
项目库
问题库
案例库
开源库
学术资源
会议展览
品牌栏目
院士开讲
解码新质生产力
金融服务云课堂
企创云课堂
有问题想咨询
有成果想转化
我的交易
我的会议
我报名的路演会议
我的资讯
我的消息
我的动态
我的需求
我的成果
我的
个人资料编辑
退出登录
登录/注册
科创中国
需求发布
成果发布
科创案例库
揭榜挂帅
技术经理人
会议展览
科创联合体
科技服务团
科创资讯
科技政策
院士开讲
学术资源
城市站点
协作站点
搜索
问题库
项目库
开源库
English
我的交易
我的会议
我报名的路演会议
我的资讯
我的消息
我的动态
我的需求
我的成果
我的
个人资料编辑
退出登录
登录/注册
组织入驻
隐藏工作区
全国
在线展厅
切换展厅
全国
北京市
天津市
河北省
山西省
内蒙古
辽宁省
吉林省
黑龙江省
上海市
江苏省
浙江省
安徽省
福建省
江西省
山东省
河南省
湖北省
湖南省
广东省
广西
海南省
重庆市
四川省
贵州省
云南省
西藏
陕西省
甘肃省
青海省
宁夏
新疆
新疆兵团
路演活动
科技成果
参观
人数
0
0
0
0
0
0
0
点赞
人数
0
0
0
0
0
0
0
技术领域
全部
新兴行业
|
新基建
|
电子信息
|
高端产业
|
生物医药
|
石化与新材料
|
智能机械与光机电一体化
|
节能环保
|
新能源
|
现代农业
|
高端技术服务业
|
农林牧副渔
|
城建规划
|
文化创意
|
矿山工程
|
冶金工程
|
企业管理
|
知识产权
|
智库咨询
|
旅游休闲娱乐
|
企业发展服务
|
电子商务
|
纺织
|
其他
|
更多
一种可见光催化苯乙烯双官能化反应的金属-有机框架材料及其制备方法和应用
江苏师范大学
一种配流腰型孔可变进出油等流量四通液压变压器
江苏师范大学
一种无人驾驶汽车的控制系统及方法
温州大学
一种电动车智能充电保护装置
温州大学
斜面数控综合对刀装置
江苏师范大学
一种光伏离并网发电一体控制系统
江苏师范大学
一种动画设计用调光装置
湖北文理学院
多功能太阳跟踪控制系统
武进区科技成果转移中心
一种基于全站仪与惯性元件的整平机
江苏师范大学
一种具有临摹练字功能的智能桌垫
湖北文理学院
一种组合式电动滑板车
湖北文理学院
一种腰部康复机器人
湖北文理学院
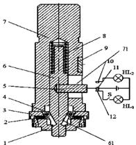
一种能自动调整光强的光控语音灯
湖北文理学院
一种鼓式刹车片外弧磨削的自动出料装置
湖北文理学院
一种外加磁场的自动焊接装备
湖北文理学院
柔性定位系统
柳州沪信汽车科技有限公司
一种咸水分离与储水一体装置
湖北文理学院
一种道路交通指示装置
湖北文理学院
一种基于工型永久磁铁的存放手机考勤系统
湖北文理学院
一种机械零件抓取装置
湖北文理学院
首页
上一页
115
116
117
118
119
120
121
下一页
尾页
共260页 转到
页