科创中国
问题分诊室
具身智能与智慧医疗融合创新产业
高性能装备制造产业
智能机器人全产业链产业
中医药产业
人工智能产业
新一代信息技术产业
作物产业
量子科技与先进制造产业
海洋装备产业
煤炭开采及煤化工产业
特殊钢产业
节能环保产业
低空经济产业
光电产业
汽车产业
新能源产业
新材料产业
“以竹代塑”
成果发布厅
新型电力系统
化学领域
现代纺织
低空经济
信息通信
智慧公路
煤炭开采及煤化工
中医药
智能机器人全产业链
海洋装备
新一代信息技术
量子科技与先进制造
人工智能
高性能装备制造
具身智能与智慧医疗融合创新
作物
科创地方
科创北京
科创天津
科创内蒙古
科创辽宁
科创江苏
科创广西
科创广东
科创重庆
科创宁夏
科创河北
科创山东
科创河南
科创福建
科创湖南
科创黑龙江
科创湖北
科创浙江
科创山西
科创资讯
科创头条
科协活动
通知公告
科技政策
技术经理人
科技服务团
资源中心
项目库
问题库
案例库
开源库
学术资源
会议展览
品牌栏目
院士开讲
解码新质生产力
金融服务云课堂
企创云课堂
有问题想咨询
有成果想转化
我的交易
我的会议
我报名的路演会议
我的资讯
我的消息
我的动态
我的需求
我的成果
我的
个人资料编辑
退出登录
登录/注册
科创中国
需求发布
成果发布
科创案例库
揭榜挂帅
技术经理人
会议展览
科创联合体
科技服务团
科创资讯
科技政策
院士开讲
学术资源
城市站点
协作站点
搜索
问题库
项目库
开源库
English
我的交易
我的会议
我报名的路演会议
我的资讯
我的消息
我的动态
我的需求
我的成果
我的
个人资料编辑
退出登录
登录/注册
组织入驻
隐藏工作区
全国
在线展厅
切换展厅
全国
北京市
天津市
河北省
山西省
内蒙古
辽宁省
吉林省
黑龙江省
上海市
江苏省
浙江省
安徽省
福建省
江西省
山东省
河南省
湖北省
湖南省
广东省
广西
海南省
重庆市
四川省
贵州省
云南省
西藏
陕西省
甘肃省
青海省
宁夏
新疆
新疆兵团
路演活动
科技成果
参观
人数
0
0
0
0
0
0
0
点赞
人数
0
0
0
0
0
0
0
技术领域
全部
新兴行业
|
新基建
|
电子信息
|
高端产业
|
生物医药
|
石化与新材料
|
智能机械与光机电一体化
|
节能环保
|
新能源
|
现代农业
|
高端技术服务业
|
农林牧副渔
|
城建规划
|
文化创意
|
矿山工程
|
冶金工程
|
企业管理
|
知识产权
|
智库咨询
|
旅游休闲娱乐
|
企业发展服务
|
电子商务
|
纺织
|
其他
|
更多
钢厂、电厂“超净排放”综合治理技术与装备
盛询科技集团
超重力强化处理有机废水技术
盛询科技集团
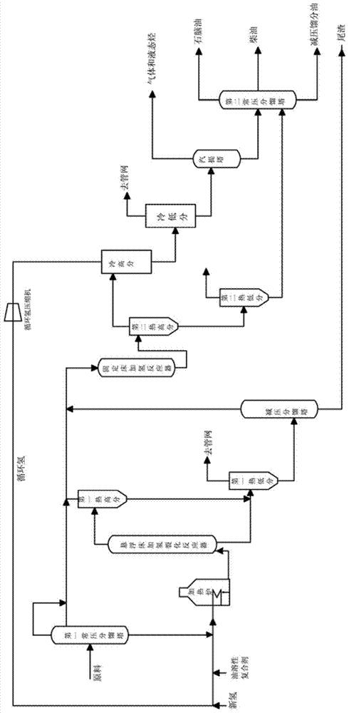
BRIC C全馏分煤焦油悬浮床加氢制清洁燃料及化学品技术
盛询科技集团
新一代永磁铁氧体材料
盛询科技集团
纳米改性WC/Co基金属陶瓷热喷涂涂层材料
盛询科技集团
纳米改性MCr AlY涂层材料
盛询科技集团
一种智能温湿度控制系统
杭州电子科技大学
用于溅射靶材的5N高纯钴产业化关键技术研究
兰州新区兰白试验区联合创新研究院
煤矸石生产A分子筛干燥剂新技术
盛询科技集团
锂电池正极材料关键技术
盛询科技集团
高性能各向异性HDDA粘结钕铁硼材料
盛询科技集团
弹性环氧树脂胶黏剂
盛询科技集团
超重力氧化还原法制备石墨烯技术
盛询科技集团
超弹性石墨烯气凝胶的制备及其性能的研究
青岛科技大学
环保型无卤 PC 阻燃片材的制备技术开发
青岛科技大学
碳纳米环保 TBR 胎面胶的研发与产业化
青岛科技大学
发动机用耐高温聚酰胺复合材料的研发与产业化
青岛科技大学
石墨烯改性新型海洋工程钢结构防腐涂层材料制备及产业化
青岛科技大学
高性能淀粉基环保纺织浆料的关键制备技术
江南大学
双相不锈钢研制开发
-
首页
上一页
170
171
172
173
174
175
176
下一页
尾页
共210页 转到
页