腔镜微创器械设计方法与应用
天津联创科技发展有限公司
微生物生产丹参素的新工艺技术
天津联创科技发展有限公司
药用植物工业化组织培养技术
天津联创科技发展有限公司
荧光微球POCT食品安全定量检测系统
天津联创科技发展有限公司
一种固定透析管的围脖
江南大学附属医院
橙花醇在制备防治阴道炎药物中的应用
江苏师范大学
组织器官智能分割关键技术
重庆大学产业技术研究院
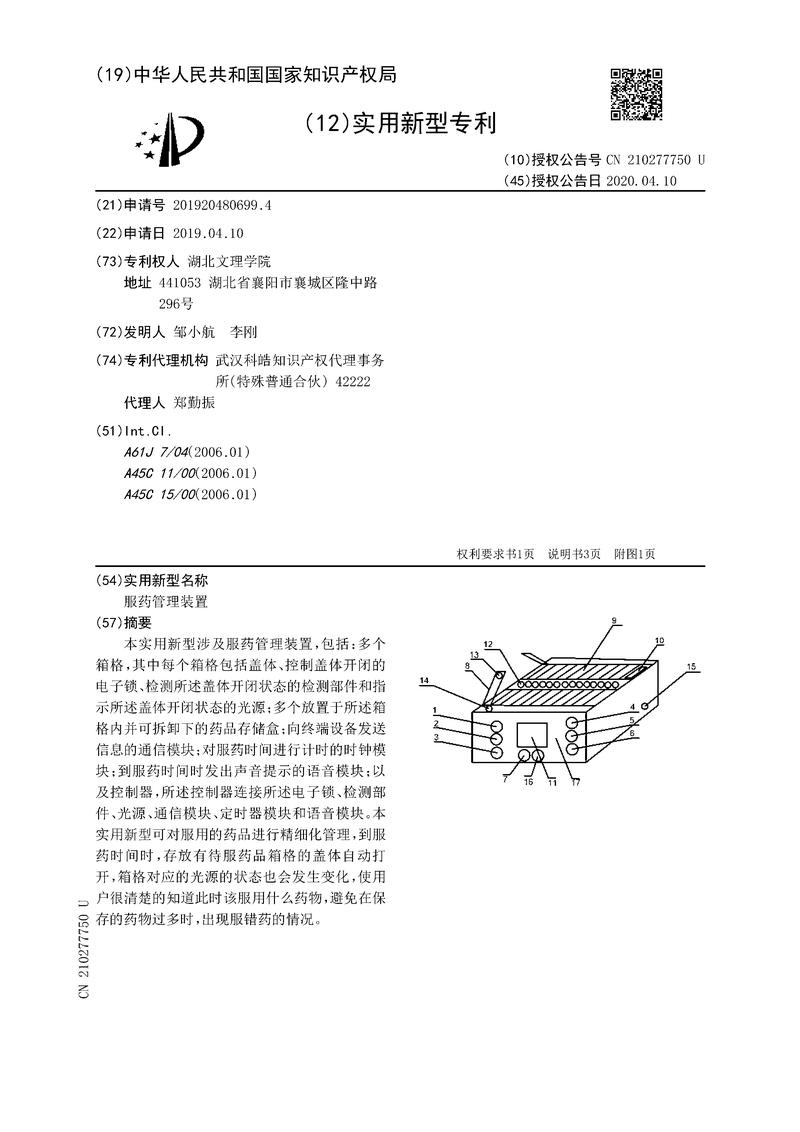
服药管理装置
湖北文理学院
无痛口腔推麻仪
天津联创科技发展有限公司
舒脑欣滴丸大品种系统开发
天津联创科技发展有限公司
速效救心丸大品种系统开发
天津联创科技发展有限公司
玄归滴丸
天津联创科技发展有限公司
一种吡喃并[2,3-b]吡啶衍生物的合成方法
江苏师范大学
现代中药智能制造
天津联创科技发展有限公司
注射用丹参多酚酸
天津联创科技发展有限公司
舒适型PICC维护椅
江南大学附属医院
通用试纸条快速免疫学检测技术
华中科技大学专利中心
蛋白质生物医用材料
华中科技大学专利中心
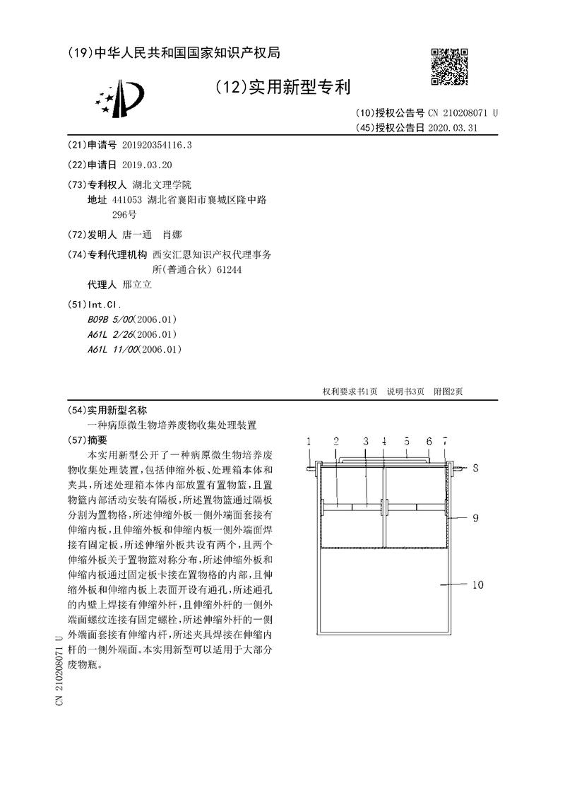
一种病原微生物培养废物收集处理装置
湖北文理学院
枸橼酸喷托维林抑制肝癌HepG2细胞增殖的作用
湖北文理学院
共1012页 转到