科创中国
问题分诊室
具身智能与智慧医疗融合创新产业
高性能装备制造产业
智能机器人全产业链产业
中医药产业
人工智能产业
新一代信息技术产业
作物产业
量子科技与先进制造产业
海洋装备产业
煤炭开采及煤化工产业
特殊钢产业
节能环保产业
低空经济产业
光电产业
汽车产业
新能源产业
新材料产业
“以竹代塑”
成果发布厅
新型电力系统
化学领域
现代纺织
低空经济
信息通信
智慧公路
煤炭开采及煤化工
中医药
智能机器人全产业链
海洋装备
新一代信息技术
量子科技与先进制造
人工智能
高性能装备制造
具身智能与智慧医疗融合创新
作物
科创地方
科创北京
科创天津
科创内蒙古
科创辽宁
科创江苏
科创广西
科创广东
科创重庆
科创宁夏
科创河北
科创山东
科创河南
科创福建
科创湖南
科创黑龙江
科创湖北
科创浙江
科创山西
科创资讯
科创头条
科协活动
通知公告
科技政策
技术经理人
科技服务团
资源中心
项目库
问题库
案例库
开源库
学术资源
会议展览
品牌栏目
院士开讲
解码新质生产力
金融服务云课堂
企创云课堂
有问题想咨询
有成果想转化
我的交易
我的会议
我报名的路演会议
我的资讯
我的消息
我的动态
我的需求
我的成果
我的
个人资料编辑
退出登录
登录/注册
科创中国
需求发布
成果发布
科创案例库
揭榜挂帅
技术经理人
会议展览
科创联合体
科技服务团
科创资讯
科技政策
院士开讲
学术资源
城市站点
协作站点
搜索
问题库
项目库
开源库
English
我的交易
我的会议
我报名的路演会议
我的资讯
我的消息
我的动态
我的需求
我的成果
我的
个人资料编辑
退出登录
登录/注册
组织入驻
隐藏工作区
全国
在线展厅
切换展厅
全国
北京市
天津市
河北省
山西省
内蒙古
辽宁省
吉林省
黑龙江省
上海市
江苏省
浙江省
安徽省
福建省
江西省
山东省
河南省
湖北省
湖南省
广东省
广西
海南省
重庆市
四川省
贵州省
云南省
西藏
陕西省
甘肃省
青海省
宁夏
新疆
新疆兵团
路演活动
科技成果
参观
人数
0
0
0
0
0
0
0
点赞
人数
0
0
0
0
0
0
0
技术领域
全部
新兴行业
|
新基建
|
电子信息
|
高端产业
|
生物医药
|
石化与新材料
|
智能机械与光机电一体化
|
节能环保
|
新能源
|
现代农业
|
高端技术服务业
|
农林牧副渔
|
城建规划
|
文化创意
|
矿山工程
|
冶金工程
|
企业管理
|
知识产权
|
智库咨询
|
旅游休闲娱乐
|
企业发展服务
|
电子商务
|
纺织
|
其他
|
更多
基于4f相位成像技术的高精度纳米薄膜的折射率测量仪
常熟微纳激光光子技术有限公司
纳米碱式碳酸铜
苏州长湖纳米科技有限公司
单分散高分子微球材料的研发与产业化
苏州知益微球科技有限公司
轿车后桥检测维修仪
一种采用光纤光栅传感器的薄板形变测量装置
南京师范大学
热效漫射光棚膜用塑料原料技术
北京塑料研究所
热效增温地膜用塑料原料技术
北京塑料研究所
纳米氧化物溶胶
厦门致力金刚石科技股份有限公司
汽车柴油机冬季烧10号柴油不蜡堵供油系统
棘齿传动式永磁转子电动机
个人专利
纳米功能膜及其制备方法
苏州今蓝纳米科技有限公司
纳米涂料及其制备方法、及应用
苏州今蓝纳米科技有限公司
一种让履带挖掘机悬空离地行走转运的装置
南昌天创
三体舰潜艇飞机
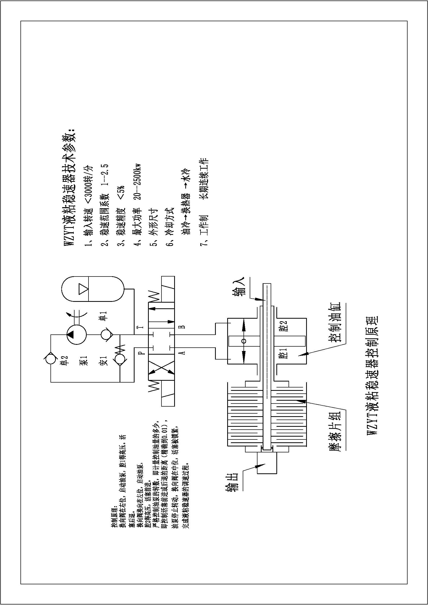
BYT系列 闭式油路液粘调速离合器
管道气密性自动检测机
深圳市洋旺科技发展有限公司
纳米压印设备及工艺
苏州光舵微纳科技有限公司
精密塑性成形工艺及模具装备技术
安徽工业大学材料工程学院
免贴墙砖
汽车等交通工具非常防撞器
首页
上一页
1064
1065
1066
1067
1068
1069
1070
下一页
尾页
共1490页 转到
页