科创中国
问题分诊室
具身智能与智慧医疗融合创新产业
高性能装备制造产业
智能机器人全产业链产业
中医药产业
人工智能产业
新一代信息技术产业
作物产业
量子科技与先进制造产业
海洋装备产业
煤炭开采及煤化工产业
特殊钢产业
节能环保产业
低空经济产业
光电产业
汽车产业
新能源产业
新材料产业
“以竹代塑”
成果发布厅
新型电力系统
化学领域
现代纺织
低空经济
信息通信
智慧公路
煤炭开采及煤化工
中医药
智能机器人全产业链
海洋装备
新一代信息技术
量子科技与先进制造
人工智能
高性能装备制造
具身智能与智慧医疗融合创新
作物
科创地方
科创北京
科创天津
科创内蒙古
科创辽宁
科创河北
科创湖南
科创宁夏
科创广东
科创江苏
科创广西
科创重庆
科创山东
科创河南
科创福建
科创黑龙江
科创湖北
科创浙江
科创山西
科创资讯
科创头条
科协活动
通知公告
科技政策
技术经理人
科技服务团
资源中心
项目库
问题库
案例库
开源库
学术资源
会议展览
品牌栏目
院士开讲
解码新质生产力
金融服务云课堂
企创云课堂
有问题想咨询
有成果想转化
我的交易
我的会议
我报名的路演会议
我的资讯
我的消息
我的动态
我的需求
我的成果
我的
个人资料编辑
退出登录
登录/注册
科创中国
需求发布
成果发布
科创案例库
揭榜挂帅
技术经理人
会议展览
科创联合体
科技服务团
科创资讯
科技政策
院士开讲
学术资源
城市站点
协作站点
搜索
问题库
项目库
开源库
English
我的交易
我的会议
我报名的路演会议
我的资讯
我的消息
我的动态
我的需求
我的成果
我的
个人资料编辑
退出登录
登录/注册
组织入驻
隐藏工作区
全国
在线展厅
切换展厅
全国
北京市
天津市
河北省
山西省
内蒙古
辽宁省
吉林省
黑龙江省
上海市
江苏省
浙江省
安徽省
福建省
江西省
山东省
河南省
湖北省
湖南省
广东省
广西
海南省
重庆市
四川省
贵州省
云南省
西藏
陕西省
甘肃省
青海省
宁夏
新疆
新疆兵团
路演活动
科技成果
参观
人数
0
0
0
0
0
0
0
点赞
人数
0
0
0
0
0
0
0
技术领域
全部
新兴行业
|
新基建
|
电子信息
|
高端产业
|
生物医药
|
石化与新材料
|
智能机械与光机电一体化
|
节能环保
|
新能源
|
现代农业
|
高端技术服务业
|
农林牧副渔
|
城建规划
|
文化创意
|
矿山工程
|
冶金工程
|
企业管理
|
知识产权
|
智库咨询
|
旅游休闲娱乐
|
企业发展服务
|
电子商务
|
纺织
|
其他
|
更多
亲水材料表面超疏水功能转换的微结构设计和方法
徐州众研美汇信息科技有限公司
可调节式焊缝探伤导波探头及使用方法
徐州众研美汇信息科技有限公司
一种基于多标签组合多分类器的恐怖行为预测方法
徐州众研美汇信息科技有限公司
一种产生和强化催化剂表面放电的原位漫反射红外光谱装置
徐州众研美汇信息科技有限公司
液压机械无级变速箱试验台架
徐州众研美汇信息科技有限公司
氧化钴/铌酸钾p-n异质结复合光催化剂的制备方法及应用
徐州众研美汇信息科技有限公司
非金属官能团边缘修饰的复合光催化剂及其制备方法和应用
徐州众研美汇信息科技有限公司
一种具有径向回流孔的低比转数离心叶轮
徐州众研美汇信息科技有限公司
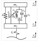
一种基于ADD正实网络优化的车辆ISD悬架二阶理想模型
徐州众研美汇信息科技有限公司
一种用于绘制复杂模型的3D画板
徐州众研美汇信息科技有限公司
一种交直轴电感可变式永磁无刷电机及其广域高效优化设计方法
徐州众研美汇信息科技有限公司
一种基于激光冲击波效应的金属多孔膜制备方法及装置
徐州众研美汇信息科技有限公司
一种粮箱籽粒含杂率、破碎率监测装置
徐州众研美汇信息科技有限公司
一种混流泵叶轮出口流场的PIV测量装置
徐州众研美汇信息科技有限公司
一种兼具低弹性模量和高强度的β型ZrTiNbTaSn系合金及其制备方法
徐州众研美汇信息科技有限公司
一种快速启炉系统及方法
徐州众研美汇信息科技有限公司
一种船用内燃机与燃料电池的混合动力系统及其控制方法
徐州众研美汇信息科技有限公司
一种电动汽车驱动电机的路况模拟加载试验装置及试验方法
徐州众研美汇信息科技有限公司
膨化管及包含其的冰淇淋机
广州市科学技术协会
一种防静电地板可调式托架
广州市科学技术协会
首页
上一页
88
89
90
91
92
93
94
下一页
尾页
共4040页 转到
页