科创中国
问题分诊室
具身智能与智慧医疗融合创新产业
高性能装备制造产业
智能机器人全产业链产业
中医药产业
人工智能产业
新一代信息技术产业
作物产业
量子科技与先进制造产业
海洋装备产业
煤炭开采及煤化工产业
特殊钢产业
节能环保产业
低空经济产业
光电产业
汽车产业
新能源产业
新材料产业
“以竹代塑”
成果发布厅
新型电力系统
化学领域
现代纺织
低空经济
信息通信
智慧公路
煤炭开采及煤化工
中医药
智能机器人全产业链
海洋装备
新一代信息技术
量子科技与先进制造
人工智能
高性能装备制造
具身智能与智慧医疗融合创新
作物
科创地方
科创北京
科创天津
科创内蒙古
科创辽宁
科创江苏
科创广西
科创广东
科创重庆
科创宁夏
科创河北
科创山东
科创河南
科创福建
科创湖南
科创黑龙江
科创湖北
科创浙江
科创山西
科创资讯
科创头条
科协活动
通知公告
科技政策
技术经理人
科技服务团
资源中心
项目库
问题库
案例库
开源库
学术资源
会议展览
品牌栏目
院士开讲
解码新质生产力
金融服务云课堂
企创云课堂
有问题想咨询
有成果想转化
我的交易
我的会议
我报名的路演会议
我的资讯
我的消息
我的动态
我的需求
我的成果
我的
个人资料编辑
退出登录
登录/注册
科创中国
需求发布
成果发布
科创案例库
揭榜挂帅
技术经理人
会议展览
科创联合体
科技服务团
科创资讯
科技政策
院士开讲
学术资源
城市站点
协作站点
搜索
问题库
项目库
开源库
English
我的交易
我的会议
我报名的路演会议
我的资讯
我的消息
我的动态
我的需求
我的成果
我的
个人资料编辑
退出登录
登录/注册
组织入驻
隐藏工作区
全国
在线展厅
切换展厅
全国
北京市
天津市
河北省
山西省
内蒙古
辽宁省
吉林省
黑龙江省
上海市
江苏省
浙江省
安徽省
福建省
江西省
山东省
河南省
湖北省
湖南省
广东省
广西
海南省
重庆市
四川省
贵州省
云南省
西藏
陕西省
甘肃省
青海省
宁夏
新疆
新疆兵团
路演活动
科技成果
参观
人数
0
0
0
0
0
0
0
点赞
人数
0
0
0
0
0
0
0
技术领域
全部
新兴行业
|
新基建
|
电子信息
|
高端产业
|
生物医药
|
石化与新材料
|
智能机械与光机电一体化
|
节能环保
|
新能源
|
现代农业
|
高端技术服务业
|
农林牧副渔
|
城建规划
|
文化创意
|
矿山工程
|
冶金工程
|
企业管理
|
知识产权
|
智库咨询
|
旅游休闲娱乐
|
企业发展服务
|
电子商务
|
纺织
|
其他
|
更多
一种室温下二氧化碳开关型复合乳化剂
江南大学
一种莼菜保健饮料及其制备方法
江南大学
一种苹果酵素饮料的快速制作方法
江南大学
一种以水葫芦为原料制备磁性吸附材料的方法
江南大学
一种强化表达Streptomyces sp.FA1来源木聚糖酶的毕氏酵母重组菌
江南大学
一种戊糖片球菌发酵剂制作发酵镜鲤鱼鱼糜肠的方法
江南大学
一种苹果罗勒奶酪酱的制备方法及苹果罗勒奶酪酱
江南大学
一种细菌I型拓扑异构酶的抑制剂及其应用
江南大学
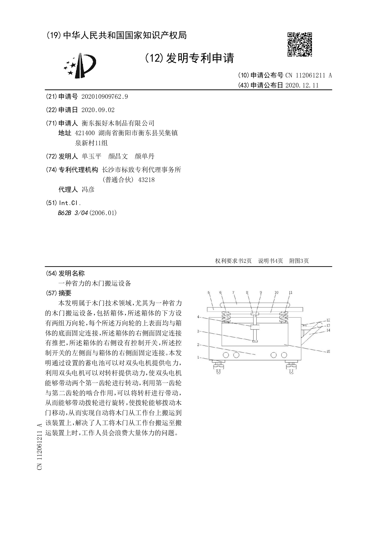
一种省力的木门搬运设备
衡东振好木制品有限公司
一种发酵食品中异味物质PC的控制方法
江南大学
一种表达L.mesenteroides来源的蔗糖磷酸化酶重组枯草芽孢杆菌
江南大学
一种苹果花生罗勒奶酪酱的制备方法及苹果花生罗勒奶酪酱
江南大学
本发明公开了一种功能性交联壳聚糖金属离子吸附剂,属于环境保护和材料科学领域。本发明采用对苯二甲醛作为
江南大学
一种产直链麦芽低聚糖生成酶的基因工程菌及其应用
江南大学
一种无定型磷化钴/硫化镉纳米棒复合催化剂的简便制备方法
江南大学
提高配合物trpv4-kca2.3偶联度的化合物及其抗高血压应用
江南大学
一株高产4-甲基苯酚的酪丁酸梭菌
江南大学
一种CO2和环氧化合物环加成制备环碳酸酯的双功能催化剂及其制备方法
江南大学
一种通过水法破乳核桃油体制备核桃油的方法
江南大学
凸轮曲线绘制教具
徐州工程学院
首页
上一页
875
876
877
878
879
880
881
下一页
尾页
共4040页 转到
页