科创中国
问题分诊室
具身智能与智慧医疗融合创新产业
高性能装备制造产业
智能机器人全产业链产业
中医药产业
人工智能产业
新一代信息技术产业
作物产业
量子科技与先进制造产业
海洋装备产业
煤炭开采及煤化工产业
特殊钢产业
节能环保产业
低空经济产业
光电产业
汽车产业
新能源产业
新材料产业
“以竹代塑”
成果发布厅
新型电力系统
化学领域
现代纺织
低空经济
信息通信
智慧公路
煤炭开采及煤化工
中医药
智能机器人全产业链
海洋装备
新一代信息技术
量子科技与先进制造
人工智能
高性能装备制造
具身智能与智慧医疗融合创新
作物
科创地方
科创北京
科创天津
科创内蒙古
科创辽宁
科创河北
科创湖南
科创宁夏
科创广东
科创江苏
科创广西
科创重庆
科创山东
科创河南
科创福建
科创黑龙江
科创湖北
科创浙江
科创山西
科创资讯
科创头条
科协活动
通知公告
科技政策
技术经理人
科技服务团
资源中心
项目库
问题库
案例库
开源库
会议展览
品牌栏目
院士开讲
解码新质生产力
金融服务云课堂
企创云课堂
有问题想咨询
有成果想转化
我的交易
我的会议
我报名的路演会议
我的资讯
我的消息
我的动态
我的需求
我的成果
我的
个人资料编辑
退出登录
登录/注册
科创中国
需求发布
成果发布
科创案例库
揭榜挂帅
技术经理人
会议展览
科创联合体
科技服务团
科创资讯
科技政策
院士开讲
学术资源
城市站点
协作站点
搜索
问题库
项目库
开源库
English
我的交易
我的会议
我报名的路演会议
我的资讯
我的消息
我的动态
我的需求
我的成果
我的
个人资料编辑
退出登录
登录/注册
组织入驻
隐藏工作区
全国
在线展厅
切换展厅
全国
北京市
天津市
河北省
山西省
内蒙古
辽宁省
吉林省
黑龙江省
上海市
江苏省
浙江省
安徽省
福建省
江西省
山东省
河南省
湖北省
湖南省
广东省
广西
海南省
重庆市
四川省
贵州省
云南省
西藏
陕西省
甘肃省
青海省
宁夏
新疆
新疆兵团
路演活动
科技成果
参观
人数
0
0
0
0
0
0
0
点赞
人数
0
0
0
0
0
0
0
技术领域
全部
新兴行业
|
新基建
|
电子信息
|
高端产业
|
生物医药
|
石化与新材料
|
智能机械与光机电一体化
|
节能环保
|
新能源
|
现代农业
|
高端技术服务业
|
农林牧副渔
|
城建规划
|
文化创意
|
矿山工程
|
冶金工程
|
企业管理
|
知识产权
|
智库咨询
|
旅游休闲娱乐
|
企业发展服务
|
电子商务
|
纺织
|
其他
|
更多
基于全贴合式设计的衣物速干机
江南大学
SonoVue超声造影技术在诊治肿瘤血管生成拟态中的检查指标
江南大学
一种新型木聚糖酶及其制备方法
江南大学
一种藤仓赤霉菌及其转化丁香酚合成松柏醛的方法
江南大学
一种制作高精度织物表面立体图案的装置与方法
江南大学
一种全向医护床椅的多功能辅助支撑结构
江南大学
通过投影生产单色印花织物的方法
江南大学
一种基于电子辐照的涤纶织物的抗老化改性方法
江南大学
一种利用大枣蒸馏酒副产物生产大枣果醋饮料的方法
江南大学
一种水性聚氨酯-二氧化硅纳米复合乳液的制备方法
江南大学
一种增强织物静电的处理设备及工作方法
江南大学
棉涤交织经编面料的制造工艺
江南大学
一种高密度培养乳酸菌的自动反馈补料方法
江南大学
本发明公开了一种提高真丝织物双面渗透印花渗透性及清晰度的方法,属于精细化工领域。本发明针对真丝织物双
江南大学
一种光敏壳聚糖衍生物胶体粒子作为乳化剂的应用
江南大学
一种在油水两相体系下高效脱除二苯并噻吩中硫的方法
江南大学
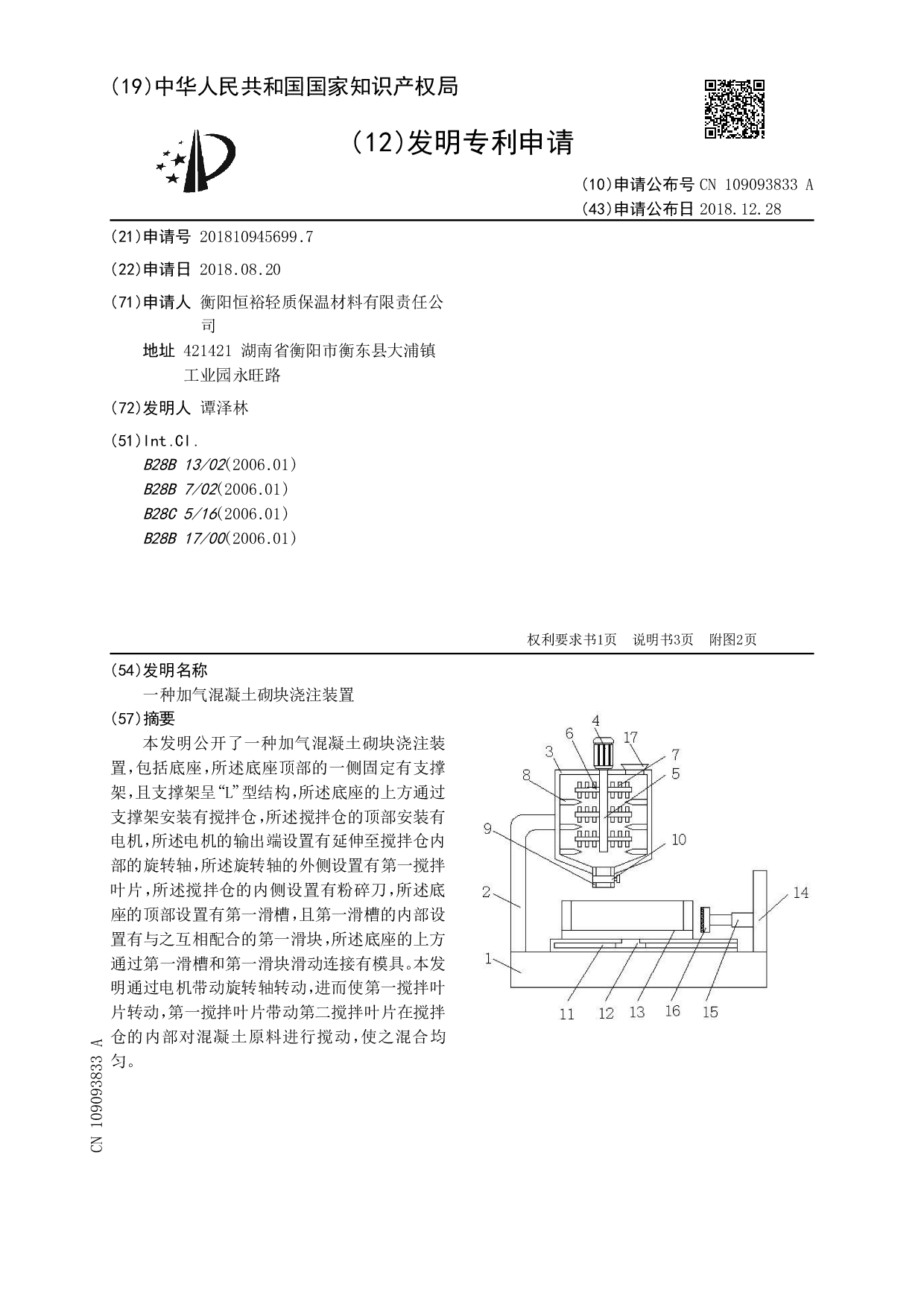
一种加气混凝土砌块浇注装置
衡阳恒裕轻质保温材料有限责任公司
一种聚多巴胺/透明质酸改性涂覆聚乳酸膜的制备方法
江南大学
一种性能改善的普鲁兰酶嵌合体及高产该嵌合体的巴斯德毕赤酵母突变株
江南大学
一种多级储能助力外骨骼
江南大学
首页
上一页
834
835
836
837
838
839
840
下一页
尾页
共4040页 转到
页