应用聚碳酸酯-聚苯乙烯共混合金制作车窗玻璃的方法
太原理工大学
一种焦化行业废弃油综合利用的方法
太原理工大学
一种核壳结构复合沸石的制备方法
太原理工大学
基于对硝基苯甲酸的氮杂环丙烷化合物开环方法
太原理工大学
基于光子晶体的全可见光波段全角度反射器
太原理工大学
一种电子传输层掺杂氟化锂的磷光二极管的制备方法
太原理工大学
一种含铁微孔复合分子筛的快速制备方法
太原理工大学
一种脱除二硫化碳的方法
太原理工大学
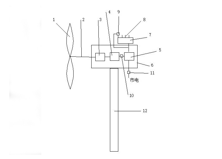
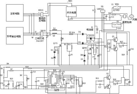
可以治理雾霾的风力发电机
福建省梦笔科技有限公司
一种按压型插座
极品双面毛圈布设备制造及生产技术
张家港市凤凰镇新创针织机械商行
车垫毛刺布设备制造及生产技术
张家港市凤凰镇新创针织机械商行
一种方便插座
一种部分氧化环境中处理脱硫废液的热解装置
太原理工大学
具有自校正功能的埋入式传感器系统封装方法和装置
太原理工大学
一种中低温快速固化增强用环氧树脂材料的制备方法
太原理工大学
一种汽车刹车灯延时电路
一种4千伏发电补充升压电路
一种智能床头灯
一种厕纸架感应装置
共4040页 转到