科创中国
问题分诊室
具身智能与智慧医疗融合创新产业
高性能装备制造产业
智能机器人全产业链产业
中医药产业
人工智能产业
新一代信息技术产业
作物产业
量子科技与先进制造产业
海洋装备产业
煤炭开采及煤化工产业
特殊钢产业
节能环保产业
低空经济产业
光电产业
汽车产业
新能源产业
新材料产业
“以竹代塑”
成果发布厅
新型电力系统
化学领域
现代纺织
低空经济
信息通信
智慧公路
煤炭开采及煤化工
中医药
智能机器人全产业链
海洋装备
新一代信息技术
量子科技与先进制造
人工智能
高性能装备制造
具身智能与智慧医疗融合创新
作物
科创地方
科创北京
科创天津
科创内蒙古
科创辽宁
科创江苏
科创广西
科创广东
科创重庆
科创宁夏
科创河北
科创山东
科创河南
科创福建
科创湖南
科创黑龙江
科创湖北
科创浙江
科创山西
科创资讯
科创头条
科协活动
通知公告
科技政策
技术经理人
科技服务团
资源中心
项目库
问题库
案例库
开源库
学术资源
会议展览
品牌栏目
院士开讲
解码新质生产力
金融服务云课堂
企创云课堂
有问题想咨询
有成果想转化
我的交易
我的会议
我报名的路演会议
我的资讯
我的消息
我的动态
我的需求
我的成果
我的
个人资料编辑
退出登录
登录/注册
科创中国
需求发布
成果发布
科创案例库
揭榜挂帅
技术经理人
会议展览
科创联合体
科技服务团
科创资讯
科技政策
院士开讲
学术资源
城市站点
协作站点
搜索
问题库
项目库
开源库
English
我的交易
我的会议
我报名的路演会议
我的资讯
我的消息
我的动态
我的需求
我的成果
我的
个人资料编辑
退出登录
登录/注册
组织入驻
隐藏工作区
全国
在线展厅
切换展厅
全国
北京市
天津市
河北省
山西省
内蒙古
辽宁省
吉林省
黑龙江省
上海市
江苏省
浙江省
安徽省
福建省
江西省
山东省
河南省
湖北省
湖南省
广东省
广西
海南省
重庆市
四川省
贵州省
云南省
西藏
陕西省
甘肃省
青海省
宁夏
新疆
新疆兵团
路演活动
科技成果
参观
人数
0
0
0
0
0
0
0
点赞
人数
0
0
0
0
0
0
0
技术领域
全部
新兴行业
|
新基建
|
电子信息
|
高端产业
|
生物医药
|
石化与新材料
|
智能机械与光机电一体化
|
节能环保
|
新能源
|
现代农业
|
高端技术服务业
|
农林牧副渔
|
城建规划
|
文化创意
|
矿山工程
|
冶金工程
|
企业管理
|
知识产权
|
智库咨询
|
旅游休闲娱乐
|
企业发展服务
|
电子商务
|
纺织
|
其他
|
更多
一种酿酒酵母用于娃娃菜采后病害控制及贮藏保鲜的用途
徐州众研美汇信息科技有限公司
一种花状FeS/C纳米复合材料的制备方法和用途
徐州众研美汇信息科技有限公司
一种制备钼氧根修饰的四元硫化物量子点光催化剂的方法
徐州众研美汇信息科技有限公司
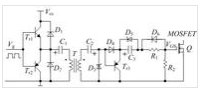
一种隔离型可快速关断的MOSFET驱动电路
徐州众研美汇信息科技有限公司
一种带有自润滑功能的天然气/柴油双燃料喷射器
徐州众研美汇信息科技有限公司
一种降血压肽的间接酶联免疫检测法
徐州众研美汇信息科技有限公司
一种制备Ti/BNNSs复合粉末的方法及制备Ti/BNNSs复合涂层的方法及应用
徐州众研美汇信息科技有限公司
一种香加皮抗肿瘤有效组分提取物及其制法和用途
徐州众研美汇信息科技有限公司
一种基于近红外光谱分析技术对酵母菌生长曲线测定的方法
徐州众研美汇信息科技有限公司
锆锶复合微合金化和锰锌合金化的高强韧铝硅铜系铸造铝合金及制备方法
徐州众研美汇信息科技有限公司
银杏酚酸类化合物在杀灭福寿螺上的用途
徐州众研美汇信息科技有限公司
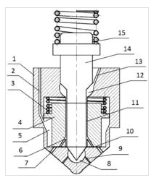
一种基于新型磁斥力混合磁轴承的外转子车载飞轮储能装置
徐州众研美汇信息科技有限公司
一种基于超分子界面组装策略制备高密度硼酸位点吸附剂的方法
徐州众研美汇信息科技有限公司
一种煤基改性高分子发泡材料的制备方法及其应用
徐州众研美汇信息科技有限公司
一种SDN环境下基于子网温度的DDoS攻击检测方法
徐州众研美汇信息科技有限公司
小花图钉
徐州众研美汇信息科技有限公司
一种多级离心泵流道式导叶多工况水力优化方法
徐州众研美汇信息科技有限公司
一种在植物柱头和花托特异性表达β-D-葡糖醛酸酶基因的方法
徐州众研美汇信息科技有限公司
可再制造的适于秸杆全量还田的大耕深旋耕刀
徐州众研美汇信息科技有限公司
一种带高度调节系统的可变阻尼汽车液压减振器
徐州众研美汇信息科技有限公司
首页
上一页
140
141
142
143
144
145
146
下一页
尾页
共4040页 转到
页