科创中国
问题分诊室
具身智能与智慧医疗融合创新产业
高性能装备制造产业
智能机器人全产业链产业
中医药产业
人工智能产业
新一代信息技术产业
作物产业
量子科技与先进制造产业
海洋装备产业
煤炭开采及煤化工产业
特殊钢产业
节能环保产业
低空经济产业
光电产业
汽车产业
新能源产业
新材料产业
“以竹代塑”
成果发布厅
新型电力系统
化学领域
现代纺织
低空经济
信息通信
智慧公路
煤炭开采及煤化工
中医药
智能机器人全产业链
海洋装备
新一代信息技术
量子科技与先进制造
人工智能
高性能装备制造
具身智能与智慧医疗融合创新
作物
科创地方
科创北京
科创天津
科创内蒙古
科创辽宁
科创江苏
科创广西
科创广东
科创重庆
科创宁夏
科创河北
科创山东
科创河南
科创福建
科创湖南
科创黑龙江
科创湖北
科创浙江
科创山西
科创资讯
科创头条
科协活动
通知公告
科技政策
技术经理人
科技服务团
资源中心
项目库
问题库
案例库
开源库
学术资源
会议展览
品牌栏目
院士开讲
解码新质生产力
金融服务云课堂
企创云课堂
有问题想咨询
有成果想转化
我的交易
我的会议
我报名的路演会议
我的资讯
我的消息
我的动态
我的需求
我的成果
我的
个人资料编辑
退出登录
登录/注册
科创中国
需求发布
成果发布
科创案例库
揭榜挂帅
技术经理人
会议展览
科创联合体
科技服务团
科创资讯
科技政策
院士开讲
学术资源
城市站点
协作站点
搜索
问题库
项目库
开源库
English
我的交易
我的会议
我报名的路演会议
我的资讯
我的消息
我的动态
我的需求
我的成果
我的
个人资料编辑
退出登录
登录/注册
组织入驻
隐藏工作区
全国
在线展厅
切换展厅
全国
北京市
天津市
河北省
山西省
内蒙古
辽宁省
吉林省
黑龙江省
上海市
江苏省
浙江省
安徽省
福建省
江西省
山东省
河南省
湖北省
湖南省
广东省
广西
海南省
重庆市
四川省
贵州省
云南省
西藏
陕西省
甘肃省
青海省
宁夏
新疆
新疆兵团
路演活动
科技成果
参观
人数
0
0
0
0
0
0
0
点赞
人数
0
0
0
0
0
0
0
技术领域
全部
新兴行业
|
新基建
|
电子信息
|
高端产业
|
生物医药
|
石化与新材料
|
智能机械与光机电一体化
|
节能环保
|
新能源
|
现代农业
|
高端技术服务业
|
农林牧副渔
|
城建规划
|
文化创意
|
矿山工程
|
冶金工程
|
企业管理
|
知识产权
|
智库咨询
|
旅游休闲娱乐
|
企业发展服务
|
电子商务
|
纺织
|
其他
|
更多
一种粗聚丙烯-玄武岩混杂纤维预制干硬性纤维混凝土、顶管、制造方法
重庆大学
一种三维脉冲电解除氨氮的方法
重庆大学
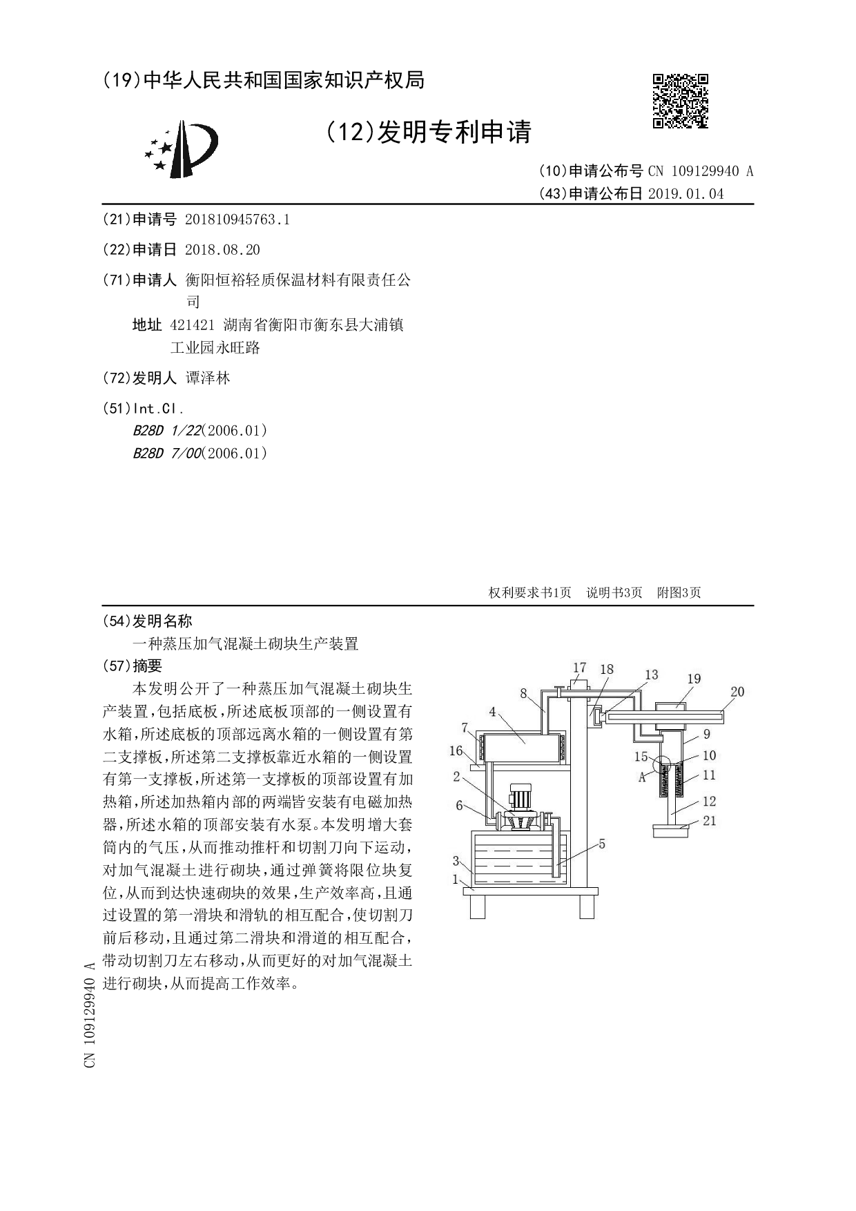
一种蒸压加气混凝土砌块生产装置
衡阳恒裕轻质保温材料有限责任公司
一种石墨烯/碳纳米纤维生物医用外敷无纺布的制备方法
重庆大学
一种5G和TSN融合网络流调度框架与资源分配方法
重庆大学
高海拔地区阻塞性睡眠呼吸暂停综合征与甲状腺结节的相关性研究
西宁市科技创新促进中心
1565nm非剥脱点阵激光联合得宝松注射液局部注射治疗瘢痕疙瘩临床研究
西宁市科技创新促进中心
一种蒸压加气混凝土砌块脱模装置
衡阳恒裕轻质保温材料有限责任公司
多种抗肿瘤免疫效应细胞联合治疗中晚期结直肠癌临床基础研究
西宁市科技创新促进中心
一种自保温蒸压加气混凝土砌块生产装置
衡阳恒裕轻质保温材料有限责任公司
一种磁混凝处理废水后的磁粉回收装置
温州大学
床旁超声为导向脓毒性休克患者的液体复苏
西宁市科技创新促进中心
暗紫贝母超细粉体的制备及其特性研究
西宁市科技创新促进中心
牦牛衣原体病综合防治技术应用与推广
西宁市科技创新促进中心
规模化奶牛养殖中乳房炎的综合防治技术研究
西宁市科技创新促进中心
食品安全地方标准牦牛生乳
西宁市科技创新促进中心
牦牛健康养殖蠕虫病与外寄生虫病防治技术规范
西宁市科技创新促进中心
仿生矿化技术提高D型肉毒毒素热稳定性及生物利用度的研究
西宁市科技创新促进中心
高浓度沙棘棕榈烯酸(Ω-7)的提取分离纯化及其在保健食品中的运用研究
西宁市科技创新促进中心
微囊化D型肉毒毒素灭鼠剂中试与示范应用
西宁市科技创新促进中心
首页
上一页
8245
8246
8247
8248
8249
8250
8251
下一页
尾页
共15998页 转到
页