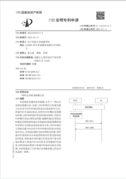
一种RX会话状态检测方法
电子科技大学成都学院
一种基于Ceph的分布式集群数据迁移优化方法
电子科技大学成都学院
一种乳腺病理图像识别分类方法、系统、设备及介质
电子科技大学成都学院
一种预转化催化剂及其制备方法
四川蜀泰化工科技有限公司
一种智能爬楼梯机器人
电子科技大学成都学院
一种基于大数据的教学互动系统及方法
电子科技大学成都学院
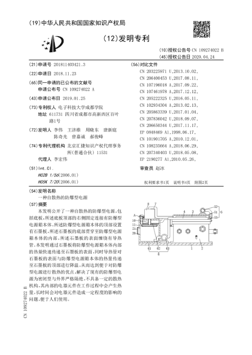
一种自散热的防爆型电源
电子科技大学成都学院
一种甲烷化催化剂及其制备方法
四川蜀泰化工科技有限公司
一种机器人视觉图像处理方法
电子科技大学成都学院
一种基于大数据与机器学习的虚拟机安全防护方法及系统
电子科技大学成都学院
一种大数据一体机安装设备及方法
电子科技大学成都学院
复合果蔬喷雾干燥技术与装备
中国农业科学院农产品加工研究所
甲醇直接裂解制CO和H2的催化剂、制备方法及应用
四川蜀泰化工科技有限公司
一种大棚自动灌溉系统
电子科技大学成都学院
一种基于遗传算法的实体商业营销方法
电子科技大学成都学院
一种基于微服务的数据分析系统及方法
电子科技大学成都学院
一种扩展大屏设备TypeC接口的装置
电子科技大学成都学院
一种催化加热耦合甲醇制氢工艺
四川蜀泰化工科技有限公司
种基于串行总线的模块化EPS装置及其总线处理方法
电子科技大学成都学院
一种大数据分析方法及系统
电子科技大学成都学院
共189页 转到