一种直接驱动组合发动机流道调节结构及其控制方法
华中科技大学
一种移动式可循环使用的水生态修复用浮床
中国科学院生态环境研究中心
基于可控纳米裂纹实现的互补电阻开关器件及其控制方法
华中科技大学
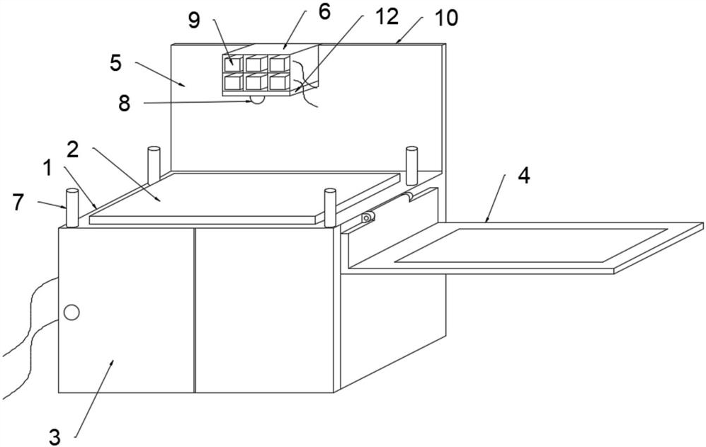
电子实验用实验台
贵州知富云科技有限公司
一种水生态修复装置及其修复方法
中国科学院生态环境研究中心
土力学测试的小型一维压缩试验装置
贵州知富云科技有限公司
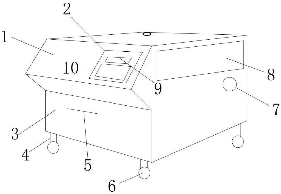
一种水生态监测装置
中国科学院生态环境研究中心
新型岩石在水环境下力学性能实验装置
贵州知富云科技有限公司
一种基于混合监测数据的机动车车内人员安全智能报警设备
贵州知富云科技有限公司
一种能发电的运动鞋
贵州知富云科技有限公司
一种恒温磁力搅拌器
贵州知富云科技有限公司
一种高速公路车流监测机构
天津扬帆科技有限公司
铁基稀土羟基氧化物环保材料
包头中科万成环保科技 有限公司
一种防菌签字笔
贵州知富云科技有限公司
一种钢琴盖板控制机构
贵州知富云科技有限公司
高产 DHA 裂殖壶菌培养技术
山东省食品发酵工业研究设计院
一种钢琴盖合预警系统
贵州知富云科技有限公司
一种磨土装置
贵州知富云科技有限公司
生物法生产木糖醇
山东省食品发酵工业研究设计院
一种辅助踏板装置
贵州知富云科技有限公司
共16043页 转到