科创中国
问题分诊室
具身智能与智慧医疗融合创新产业
高性能装备制造产业
智能机器人全产业链产业
中医药产业
人工智能产业
新一代信息技术产业
作物产业
量子科技与先进制造产业
海洋装备产业
煤炭开采及煤化工产业
特殊钢产业
节能环保产业
低空经济产业
光电产业
汽车产业
新能源产业
新材料产业
“以竹代塑”
成果发布厅
新型电力系统
化学领域
现代纺织
低空经济
信息通信
智慧公路
煤炭开采及煤化工
中医药
智能机器人全产业链
海洋装备
新一代信息技术
量子科技与先进制造
人工智能
高性能装备制造
具身智能与智慧医疗融合创新
作物
科创地方
科创北京
科创天津
科创内蒙古
科创辽宁
科创河北
科创湖南
科创宁夏
科创广东
科创江苏
科创广西
科创重庆
科创山东
科创河南
科创福建
科创黑龙江
科创湖北
科创浙江
科创山西
科创资讯
科创头条
科协活动
通知公告
科技政策
技术经理人
科技服务团
资源中心
项目库
问题库
案例库
开源库
学术资源
会议展览
品牌栏目
院士开讲
解码新质生产力
金融服务云课堂
企创云课堂
有问题想咨询
有成果想转化
我的交易
我的会议
我报名的路演会议
我的资讯
我的消息
我的动态
我的需求
我的成果
我的
个人资料编辑
退出登录
登录/注册
科创中国
需求发布
成果发布
科创案例库
揭榜挂帅
技术经理人
会议展览
科创联合体
科技服务团
科创资讯
科技政策
院士开讲
学术资源
城市站点
协作站点
搜索
问题库
项目库
开源库
English
我的交易
我的会议
我报名的路演会议
我的资讯
我的消息
我的动态
我的需求
我的成果
我的
个人资料编辑
退出登录
登录/注册
组织入驻
隐藏工作区
全国
在线展厅
切换展厅
全国
北京市
天津市
河北省
山西省
内蒙古
辽宁省
吉林省
黑龙江省
上海市
江苏省
浙江省
安徽省
福建省
江西省
山东省
河南省
湖北省
湖南省
广东省
广西
海南省
重庆市
四川省
贵州省
云南省
西藏
陕西省
甘肃省
青海省
宁夏
新疆
新疆兵团
路演活动
科技成果
参观
人数
0
0
0
0
0
0
0
点赞
人数
0
0
0
0
0
0
0
技术领域
全部
新兴行业
|
新基建
|
电子信息
|
高端产业
|
生物医药
|
石化与新材料
|
智能机械与光机电一体化
|
节能环保
|
新能源
|
现代农业
|
高端技术服务业
|
农林牧副渔
|
城建规划
|
文化创意
|
矿山工程
|
冶金工程
|
企业管理
|
知识产权
|
智库咨询
|
旅游休闲娱乐
|
企业发展服务
|
电子商务
|
纺织
|
其他
|
更多
预测基因表达及解释非编码变异方面重要进展
天津联创科技发展有限公司
一种木包钢钢木组合柱
徐州众研美汇信息科技有限公司
一种用于高填充比固体推进剂的柔性面点火装置
江苏中机矿山设备有限公司
方便速食玉米大碴粥制备关键技术
齐齐哈尔大学
一种新闻传播装置
贵州知富云科技有限公司
固体火箭冲压发动机进气道流量调节实验装置
江苏中机矿山设备有限公司
基于真菌疏水蛋白的新型冷冻电镜支持膜技术
天津联创科技发展有限公司
一种定量修复增材件表面缺陷的方法
江苏中机矿山设备有限公司
一种Fe3O4磁性细菌纤维素及其制备方法
江苏中机矿山设备有限公司
肿瘤靶向型近红外光敏剂研究领域新进展
天津联创科技发展有限公司
小型田间抽水灌溉装置
徐州众研美汇信息科技有限公司
一种旋转弹爆炸物安全处理自失效装置
江苏中机矿山设备有限公司
CZTSSe太阳电池领域重要进展
天津联创科技发展有限公司
一种多糖、其硫酸化产物及其在制备抗炎药物中的应用
江苏中机矿山设备有限公司
高亮度AIE纳米探针实现早期动脉粥样硬化的精准检测与药物筛选
天津联创科技发展有限公司
一种产生单一超声横波的光学换能器及方法
江苏中机矿山设备有限公司
与现有技术相比,本发明的显著优点为:(1)本发明既可应用于单点激光雷达,也可以用于线阵激光雷达;(2
江苏中机矿山设备有限公司
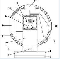
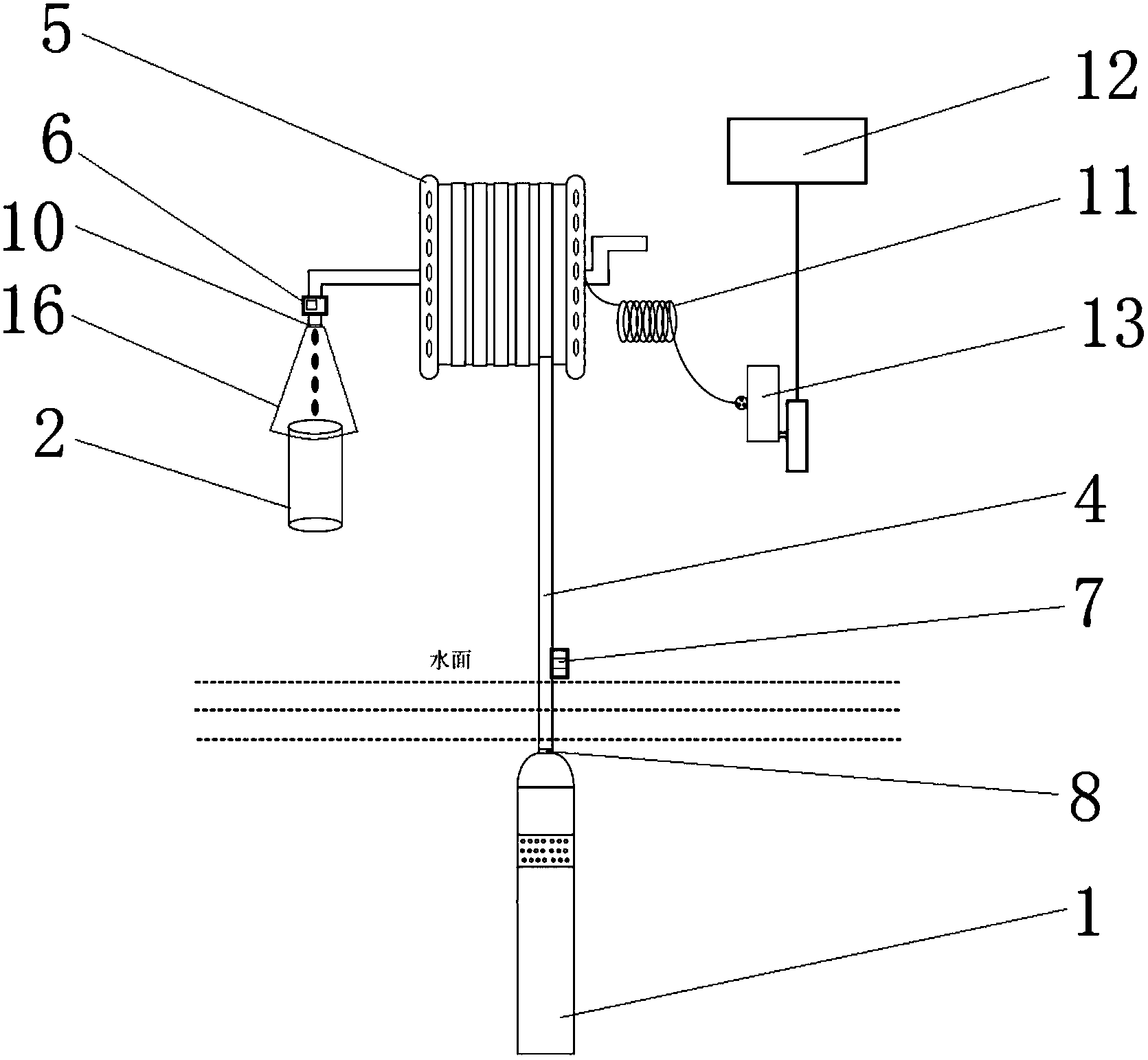
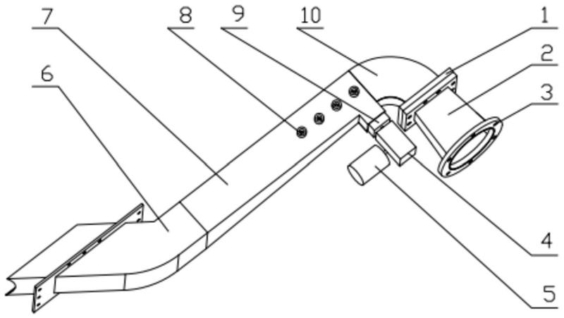
一种适用于水库、湖泊的精准型采水器
贵州知富云科技有限公司
一种线阵激光雷达距离像模拟装置和方法
江苏中机矿山设备有限公司
预混火焰合成铁酸锌球形纳米材料的方法
江苏中机矿山设备有限公司
首页
上一页
6581
6582
6583
6584
6585
6586
6587
下一页
尾页
共16043页 转到
页