科创中国
问题分诊室
具身智能与智慧医疗融合创新产业
高性能装备制造产业
智能机器人全产业链产业
中医药产业
人工智能产业
新一代信息技术产业
作物产业
量子科技与先进制造产业
海洋装备产业
煤炭开采及煤化工产业
特殊钢产业
节能环保产业
低空经济产业
光电产业
汽车产业
新能源产业
新材料产业
“以竹代塑”
成果发布厅
新型电力系统
化学领域
现代纺织
低空经济
信息通信
智慧公路
煤炭开采及煤化工
中医药
智能机器人全产业链
海洋装备
新一代信息技术
量子科技与先进制造
人工智能
高性能装备制造
具身智能与智慧医疗融合创新
作物
科创地方
科创北京
科创天津
科创内蒙古
科创辽宁
科创河北
科创湖南
科创宁夏
科创广东
科创江苏
科创广西
科创重庆
科创山东
科创河南
科创福建
科创黑龙江
科创湖北
科创浙江
科创山西
科创资讯
科创头条
科协活动
通知公告
科技政策
技术经理人
科技服务团
资源中心
项目库
问题库
案例库
开源库
学术资源
会议展览
品牌栏目
院士开讲
解码新质生产力
金融服务云课堂
企创云课堂
有问题想咨询
有成果想转化
我的交易
我的会议
我报名的路演会议
我的资讯
我的消息
我的动态
我的需求
我的成果
我的
个人资料编辑
退出登录
登录/注册
科创中国
需求发布
成果发布
科创案例库
揭榜挂帅
技术经理人
会议展览
科创联合体
科技服务团
科创资讯
科技政策
院士开讲
学术资源
城市站点
协作站点
搜索
问题库
项目库
开源库
English
我的交易
我的会议
我报名的路演会议
我的资讯
我的消息
我的动态
我的需求
我的成果
我的
个人资料编辑
退出登录
登录/注册
组织入驻
隐藏工作区
全国
在线展厅
切换展厅
全国
北京市
天津市
河北省
山西省
内蒙古
辽宁省
吉林省
黑龙江省
上海市
江苏省
浙江省
安徽省
福建省
江西省
山东省
河南省
湖北省
湖南省
广东省
广西
海南省
重庆市
四川省
贵州省
云南省
西藏
陕西省
甘肃省
青海省
宁夏
新疆
新疆兵团
路演活动
科技成果
参观
人数
0
0
0
0
0
0
0
点赞
人数
0
0
0
0
0
0
0
技术领域
全部
新兴行业
|
新基建
|
电子信息
|
高端产业
|
生物医药
|
石化与新材料
|
智能机械与光机电一体化
|
节能环保
|
新能源
|
现代农业
|
高端技术服务业
|
农林牧副渔
|
城建规划
|
文化创意
|
矿山工程
|
冶金工程
|
企业管理
|
知识产权
|
智库咨询
|
旅游休闲娱乐
|
企业发展服务
|
电子商务
|
纺织
|
其他
|
更多
架空输电线路全能智慧管家
国网数字科技控股有限公司
一种高效保温墙体结构
徐州众研美汇信息科技有限公司
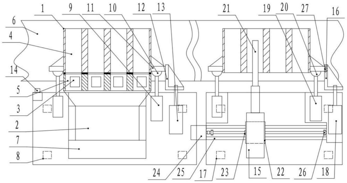
致密非均质储层模型饱和原油装置
中国石油大学(北京)
一种基于生物燃料电池和产电细菌的硝酸盐浓度传感器
徐州众研美汇信息科技有限公司
一种重质芳烃轻质化的双活性催化剂及其制备方法和应用
徐州众研美汇信息科技有限公司
高温乳化动态测试仪
中国石油大学(北京)
高温高压低速气体微管粘度测量装置
中国石油大学(北京)
一种太阳能热水器的自动上水及关水装置
徐州众研美汇信息科技有限公司
爆珠香烟过滤嘴中爆珠质量检测控制系统
贵州知富云科技有限公司
一种传动系统及加工设备
徐州众研美汇信息科技有限公司
高压微量气体浓度在线检测装置
中国石油大学(北京)
一种大空间建筑自然通风结构
徐州众研美汇信息科技有限公司
煤矸石微生物矿物肥料
贵州知富云科技有限公司
致密岩心启动压力梯度的测量装置
中国石油大学(北京)
4-碘苯基取代碳硼烷衍生物及其制备方法
徐州众研美汇信息科技有限公司
热缩密封式多测点油气开采模拟装置
中国石油大学(北京)
一种相变储热板、其制备方法及储热装置
徐州众研美汇信息科技有限公司
二氢香豆素骨架拼接硫代吡咯啉酮螺环氧化吲哚化合物及其制备方法及应用
贵州知富云科技有限公司
高压微量气体取样分析仪
中国石油大学(北京)
基于U-Net深度网络模型的CT影像中肾肿瘤智能分割方法及装置
徐州众研美汇信息科技有限公司
首页
上一页
6485
6486
6487
6488
6489
6490
6491
下一页
尾页
共16043页 转到
页