随钻流体分析仪
中国石油大学
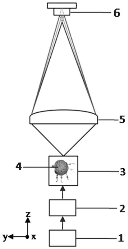
一种基于相位编码单透镜的显微成像方法
江苏中机矿山设备有限公司
居中型核磁共振测井仪探头永磁体
中国石油大学
静电纺不同直径双层人工血管的制备方法
江苏中机矿山设备有限公司
多径环境中基于麦克风阵列的声源定位方法
江苏中机矿山设备有限公司
基于神经网络的储层微观孔隙结构评价方法及装置
中国石油大学
旋转式高压无气喷枪
新疆通奥油田技术服务有限公司
基于核磁共振的岩石孔隙分形维数评价方法及装置
中国石油大学
熔盐储热在煤气发电的应用技术
思安新能源股份有限公司
气象雷达倍频速调管
中国技术交易所有限公司
关于工程/农业机械动力换挡自动变速器与电控系统技术
合肥工业大学
一种矿石加工中粉尘处理装置的工作方法
巴州磊溢泥浆材料有限公司
基于边缘计算动态任务到达的多无人机路径规划方法
江苏中机矿山设备有限公司
采用故障保险原理提高后坐保险机构跌落安全性的引信
江苏中机矿山设备有限公司
一种基于计算鬼成像的多深度目标对焦方法
江苏中机矿山设备有限公司
激光气体分析模块及装置
中国技术交易所有限公司
一种可以产生零布里渊散射的超材料
江苏中机矿山设备有限公司
一种基于评估函数的机器人轨迹跟踪策略动态优化方法
江苏中机矿山设备有限公司
基于FPGA的集成化宽带微波光谱仪
江苏中机矿山设备有限公司
一种可自适应调节的双丝熔化极电弧焊接装置及方法
江苏中机矿山设备有限公司
共16043页 转到