铝合金盘毂类零件搅拌摩擦冲挤成形方法
武汉理工大学
金属手机壳热摆辗成形方法
武汉理工大学
一种温度-应力耦合时效处理装置及其使用方法
武汉理工大学
便于热冲压件后期切边冲孔的热冲压模具及其设计方法
武汉理工大学
铝合金热成形生产线加热设备
武汉理工大学
一种自动复位的汽车折叠座椅机构
武汉理工大学
基于单目相机的多高度标定测量方法及起重机防斜拉和精确定位方法
武汉理工大学
一种多工位连续热冲压生产线及方法
武汉理工大学
一种高铁轴承环的压力淬火模具组件
武汉理工大学
一种换挡执行机构换挡杆快速夹具
武汉理工大学
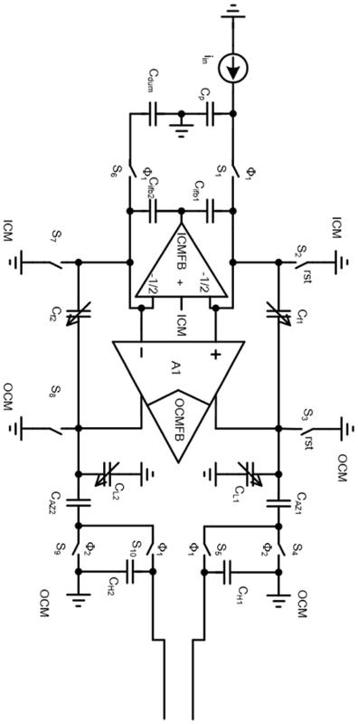
一种基于相关双采样的伪差分结构微弱电流积分电路
江苏中机矿山设备有限公司
一种带有控制撬的溢流漏失监测报警系统
新疆格瑞迪斯石油技术股份有限公司
一种溢流预警系统供电装置
新疆格瑞迪斯石油技术股份有限公司
一种EKM控制撬
新疆格瑞迪斯石油技术股份有限公司
一种可视堵漏评价装置
新疆格瑞迪斯石油技术股份有限公司
可移动便拆装式电线杆防护墩
国网新疆电力有限公司巴州供电公司
一种低碳温室系统装置
新疆惠森生物技术有限公司
旋扣式反循环下短节
新疆格瑞迪斯石油技术股份有限公司
一种油井平台测速仪器保温装置
巴州大朴石油技术服务有限公司
一种套铣打捞一体化修井工具
新疆华油油气工程有限公司
共16043页 转到