科创中国
问题分诊室
具身智能与智慧医疗融合创新产业
高性能装备制造产业
智能机器人全产业链产业
中医药产业
人工智能产业
新一代信息技术产业
作物产业
量子科技与先进制造产业
海洋装备产业
煤炭开采及煤化工产业
特殊钢产业
节能环保产业
低空经济产业
光电产业
汽车产业
新能源产业
新材料产业
“以竹代塑”
成果发布厅
新型电力系统
化学领域
现代纺织
低空经济
信息通信
智慧公路
煤炭开采及煤化工
中医药
智能机器人全产业链
海洋装备
新一代信息技术
量子科技与先进制造
人工智能
高性能装备制造
具身智能与智慧医疗融合创新
作物
科创地方
科创北京
科创天津
科创内蒙古
科创辽宁
科创河北
科创湖南
科创宁夏
科创广东
科创江苏
科创广西
科创重庆
科创山东
科创河南
科创福建
科创黑龙江
科创湖北
科创浙江
科创山西
科创资讯
科创头条
科协活动
通知公告
科技政策
技术经理人
科技服务团
资源中心
项目库
问题库
案例库
开源库
学术资源
会议展览
品牌栏目
院士开讲
解码新质生产力
金融服务云课堂
企创云课堂
有问题想咨询
有成果想转化
我的交易
我的会议
我报名的路演会议
我的资讯
我的消息
我的动态
我的需求
我的成果
我的
个人资料编辑
退出登录
登录/注册
科创中国
需求发布
成果发布
科创案例库
揭榜挂帅
技术经理人
会议展览
科创联合体
科技服务团
科创资讯
科技政策
院士开讲
学术资源
城市站点
协作站点
搜索
问题库
项目库
开源库
English
我的交易
我的会议
我报名的路演会议
我的资讯
我的消息
我的动态
我的需求
我的成果
我的
个人资料编辑
退出登录
登录/注册
组织入驻
隐藏工作区
全国
在线展厅
切换展厅
全国
北京市
天津市
河北省
山西省
内蒙古
辽宁省
吉林省
黑龙江省
上海市
江苏省
浙江省
安徽省
福建省
江西省
山东省
河南省
湖北省
湖南省
广东省
广西
海南省
重庆市
四川省
贵州省
云南省
西藏
陕西省
甘肃省
青海省
宁夏
新疆
新疆兵团
路演活动
科技成果
参观
人数
0
0
0
0
0
0
0
点赞
人数
0
0
0
0
0
0
0
技术领域
全部
新兴行业
|
新基建
|
电子信息
|
高端产业
|
生物医药
|
石化与新材料
|
智能机械与光机电一体化
|
节能环保
|
新能源
|
现代农业
|
高端技术服务业
|
农林牧副渔
|
城建规划
|
文化创意
|
矿山工程
|
冶金工程
|
企业管理
|
知识产权
|
智库咨询
|
旅游休闲娱乐
|
企业发展服务
|
电子商务
|
纺织
|
其他
|
更多
基于微信端的设计师交流软件的技术服务
黑龙江木川电子商务有限公司
一种线缆输送设备
江苏万华通信科技有限公司
基于负荷转供和储能调节的配电网电压控制方法及系统
江苏中机矿山设备有限公司
一种基于物联网的五恒空间系统的控制方法、装置
格瑞海思人居环境科技(江苏)有限公司
纳米碳晶导电发热材料制备及应用技术
中国技术交易所有限公司
功能性生物菌剂的研制与开发
黑龙江八一农垦大学生命科学技术学院
一种吡虫啉的盐及其制备方法与用途
常州佰业腾飞专利代理事务所
一种考虑业务优先级的电力无线专网基站优化方法
江苏中机矿山设备有限公司
车用碳纤维吸附储存天然气技术及产品研发
中国技术交易所有限公司
设计师作品展示管理软件的技术服务
黑龙江木川电子商务有限公司
位于输送线上的金属带头自动修整装置
江苏巨弘捆带制造有限公司
兼顾无功充裕性和电压均衡性的风电场无功电压控制方法
东南大学溧阳研究院
一种壳层内嵌磁性微粒的中空聚膦腈微球的制备方法
中国技术交易所有限公司
一种古树名木的防风固定装置
泰安市古树名木保护学会
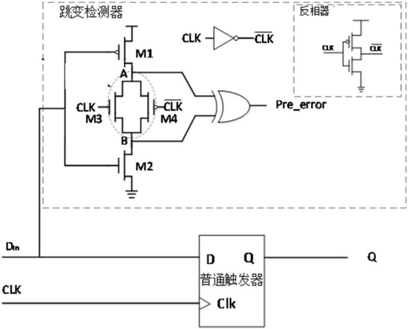
一种跳变检测器及时钟频率调节系统的控制电路
江苏中机矿山设备有限公司
一种波发生器自动化压装工装及方法
国茂精密传动(常州)有限公司
洁净钢连铸用碱性低碳、无碳钢包内衬及绝热衬耐火材料
中国技术交易所有限公司
基于GID的智能交通解决方案
江苏中机矿山设备有限公司
一种用于顺序等效采样系统中的窄脉冲产生电路
江苏中机矿山设备有限公司
基于粒子群优化的改进灰色模型的电力负荷预测方法
江苏中机矿山设备有限公司
首页
上一页
6254
6255
6256
6257
6258
6259
6260
下一页
尾页
共16031页 转到
页