科创中国
问题分诊室
具身智能与智慧医疗融合创新产业
高性能装备制造产业
智能机器人全产业链产业
中医药产业
人工智能产业
新一代信息技术产业
作物产业
量子科技与先进制造产业
海洋装备产业
煤炭开采及煤化工产业
特殊钢产业
节能环保产业
低空经济产业
光电产业
汽车产业
新能源产业
新材料产业
“以竹代塑”
成果发布厅
新型电力系统
化学领域
现代纺织
低空经济
信息通信
智慧公路
煤炭开采及煤化工
中医药
智能机器人全产业链
海洋装备
新一代信息技术
量子科技与先进制造
人工智能
高性能装备制造
具身智能与智慧医疗融合创新
作物
科创地方
科创北京
科创天津
科创内蒙古
科创辽宁
科创河北
科创湖南
科创宁夏
科创广东
科创江苏
科创广西
科创重庆
科创山东
科创河南
科创福建
科创黑龙江
科创湖北
科创浙江
科创山西
科创资讯
科创头条
科协活动
通知公告
科技政策
技术经理人
科技服务团
资源中心
项目库
问题库
案例库
开源库
学术资源
会议展览
品牌栏目
院士开讲
解码新质生产力
金融服务云课堂
企创云课堂
有问题想咨询
有成果想转化
我的交易
我的会议
我报名的路演会议
我的资讯
我的消息
我的动态
我的需求
我的成果
我的
个人资料编辑
退出登录
登录/注册
科创中国
需求发布
成果发布
科创案例库
揭榜挂帅
技术经理人
会议展览
科创联合体
科技服务团
科创资讯
科技政策
院士开讲
学术资源
城市站点
协作站点
搜索
问题库
项目库
开源库
English
我的交易
我的会议
我报名的路演会议
我的资讯
我的消息
我的动态
我的需求
我的成果
我的
个人资料编辑
退出登录
登录/注册
组织入驻
隐藏工作区
全国
在线展厅
切换展厅
全国
北京市
天津市
河北省
山西省
内蒙古
辽宁省
吉林省
黑龙江省
上海市
江苏省
浙江省
安徽省
福建省
江西省
山东省
河南省
湖北省
湖南省
广东省
广西
海南省
重庆市
四川省
贵州省
云南省
西藏
陕西省
甘肃省
青海省
宁夏
新疆
新疆兵团
路演活动
科技成果
参观
人数
0
0
0
0
0
0
0
点赞
人数
0
0
0
0
0
0
0
技术领域
全部
新兴行业
|
新基建
|
电子信息
|
高端产业
|
生物医药
|
石化与新材料
|
智能机械与光机电一体化
|
节能环保
|
新能源
|
现代农业
|
高端技术服务业
|
农林牧副渔
|
城建规划
|
文化创意
|
矿山工程
|
冶金工程
|
企业管理
|
知识产权
|
智库咨询
|
旅游休闲娱乐
|
企业发展服务
|
电子商务
|
纺织
|
其他
|
更多
一种自蔓延高温快速一步合成CuxMSnySe4热电材料粉体的方法
武汉理工大学
一种温室气体减排的垂直流人工湿地系统运行方法
重庆大学溧阳智慧城市研究院
布式节能型集中供热控制系统解决方案
天津联创科技发展有限公司
一种超快速制备n型碲化铋基高性能热电材料的方法
武汉理工大学
基于湿法铺粉的选择性激光熔融设备及其打印工艺
武汉理工大学
布式环境振动发电装置设计及应用
天津联创科技发展有限公司
一种机械零部件加工用焊接固定装置
江苏南江减速机有限公司
一种快速制备高性能Mg2Si0.3Sn0.7基热电材料的新方法
武汉理工大学
一种钢地板贴附用金属皮加工系统及表面防氧化处理工艺
常州市华腾活动地板有限公司
一种快速制备高性能Mg2Si基热电材料的方法
武汉理工大学
一种高性能Cu2SnSe3热电材料及其快速制备方法
武汉理工大学
一种具有纳米层状结构高性能BiCuSeO基块体热电材料的超快速制备方法
武汉理工大学
一种新型便携式井下打捞器
个人
一种与Mg-Si-Sn基热电元件相匹配的分层电极及其连接工艺
武汉理工大学
一种超快速制备Cu2Se基热电发电元器件的方法
武汉理工大学
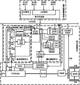
基于汽车尾气热电转换的弱混合动力系统及控制方法
武汉理工大学
自蔓延高温快速一步合成具有纳米结构Cu2Se热电材料粉体的方法
武汉理工大学
快速制备单相Bi2S3热电化合物的方法
武汉理工大学
一种自蔓延燃烧合成超快速制备高性能CoSb3基热电材料的方法
武汉理工大学
永磁式塑壳断路器的手动操作机构
江苏凯隆电器有限公司
首页
上一页
6240
6241
6242
6243
6244
6245
6246
下一页
尾页
共16031页 转到
页