退役锂电池材料再生装备的研发及产业化
苏州博萃循环科技有限公司
一种计算机用多屏显示连接装置
华北理工大学
水土保持项目
黑龙江省德予地质勘查技术服务有限公司
新疆天山钢铁-一种应用于连铸结晶器供水泵的泄压装置
新疆天山钢铁巴州有限公司
压覆矿产资源项目
黑龙江省德予地质勘查技术服务有限公司
基于三维空间锚球交域重心的无线传感器网络定位方法
河海大学常州校区
土地复垦项目
黑龙江省德予地质勘查技术服务有限公司
一种档位式按压旋拧双用节能水龙头
河海大学常州校区
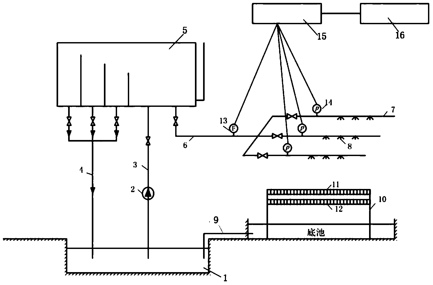
不同水头下冷却塔喷溅装置布水及交互影响测试装置
河海大学常州校区
地质灾害预警设备安装平台
黑龙江省德予地质勘查技术服务有限公司
一种提高光伏组件综合效率的太阳能新型装置
河海大学常州校区
新疆天山钢铁-一种可调式钢坯导向装置
新疆天山钢铁巴州有限公司
分段控温调整气体流量快速脱碳炼钢的装置及使用方法
华北理工大学
地质勘探用钻孔设备
黑龙江省德予地质勘查技术服务有限公司
地质勘探用土壤储存装置
黑龙江省德予地质勘查技术服务有限公司
水文地质勘查样品取样装置
黑龙江省德予地质勘查技术服务有限公司
地质勘探用金属探测设备
黑龙江省德予地质勘查技术服务有限公司
宁波欧依安盾重大危险源检测平台
宁波欧依安盾安全科技有限公司
便携式可调节的地质勘探辅助绘图架
黑龙江省德予地质勘查技术服务有限公司
基于理化生物电化学系统的水环境污染类型快速识别技术
北京航空航天大学
共16030页 转到