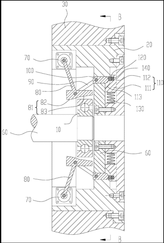
曲柄滑块式径向保护轴承
江苏理工学院
三阶忆阻文氏桥混沌振荡器
江苏理工学院
F500系列开关电源
河北省科技成果展示交易中心
一种基于渐进式神经网络预测蛋白质与配体结合自由能的方法
江苏理工学院
DJ—XB—94型铝电解槽阳极效应自动报警装置
河北省科技成果展示交易中心
一种电子芯片检测装置
广州华昇科技咨询有限公司
基于遗传算法和五次多项式插值的机器人路径规划方法
江苏理工学院
一种基于降维和点云数据匹配的电池外观缺陷检测方法
江苏理工学院
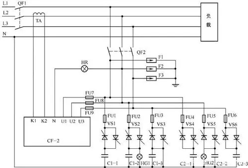
相控式无功功率自动补偿装置
河北省科技成果展示交易中心
一种SOT芯片图像快速校正与字符识别方法
江苏理工学院
高校双创管理软件开发
黑龙江兆研信息技术有限公司
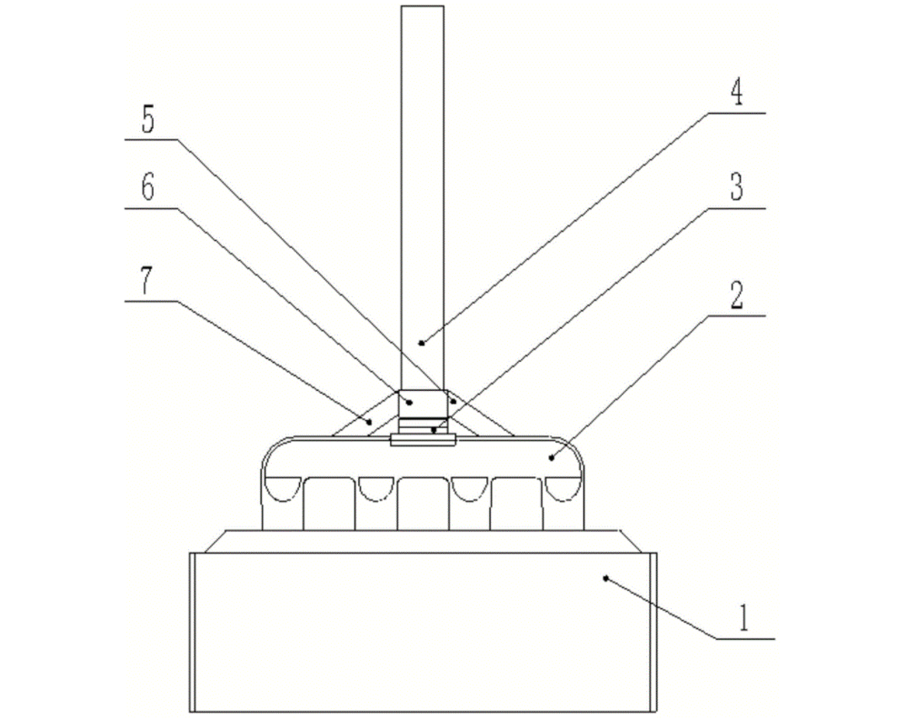
一种燃气钢瓶残液自动烧净器
河北省科技成果展示交易中心
榴莲壳活性炭及其制备方法
江苏理工学院
新基建公域音频云——公域流量场景声音智能覆盖
北京创业投资协会
一种基于双滑模控制的永磁同步电主轴直接转矩调速系统及方法
江苏理工学院
督办台账功能开发
黑龙江兆研信息技术有限公司
液流电池储能技术及应用
中国科学院大连化学物理研究所
OA办公绩效考核功能开发
黑龙江兆研信息技术有限公司
汽车制动防抱死系统的模糊免疫PID控制方法
江苏理工学院
OA办公预算管理功能开发
黑龙江兆研信息技术有限公司
共16030页 转到