科创中国
问题分诊室
具身智能与智慧医疗融合创新产业
高性能装备制造产业
智能机器人全产业链产业
中医药产业
人工智能产业
新一代信息技术产业
作物产业
量子科技与先进制造产业
海洋装备产业
煤炭开采及煤化工产业
特殊钢产业
节能环保产业
低空经济产业
光电产业
汽车产业
新能源产业
新材料产业
“以竹代塑”
成果发布厅
新型电力系统
化学领域
现代纺织
低空经济
信息通信
智慧公路
煤炭开采及煤化工
中医药
智能机器人全产业链
海洋装备
新一代信息技术
量子科技与先进制造
人工智能
高性能装备制造
具身智能与智慧医疗融合创新
作物
科创地方
科创北京
科创天津
科创内蒙古
科创辽宁
科创河北
科创湖南
科创宁夏
科创广东
科创江苏
科创广西
科创重庆
科创山东
科创河南
科创福建
科创黑龙江
科创湖北
科创浙江
科创山西
科创资讯
科创头条
科协活动
通知公告
科技政策
技术经理人
科技服务团
资源中心
项目库
问题库
案例库
开源库
学术资源
会议展览
品牌栏目
院士开讲
解码新质生产力
金融服务云课堂
企创云课堂
有问题想咨询
有成果想转化
我的交易
我的会议
我报名的路演会议
我的资讯
我的消息
我的动态
我的需求
我的成果
我的
个人资料编辑
退出登录
登录/注册
科创中国
需求发布
成果发布
科创案例库
揭榜挂帅
技术经理人
会议展览
科创联合体
科技服务团
科创资讯
科技政策
院士开讲
学术资源
城市站点
协作站点
搜索
问题库
项目库
开源库
English
我的交易
我的会议
我报名的路演会议
我的资讯
我的消息
我的动态
我的需求
我的成果
我的
个人资料编辑
退出登录
登录/注册
组织入驻
隐藏工作区
全国
在线展厅
切换展厅
全国
北京市
天津市
河北省
山西省
内蒙古
辽宁省
吉林省
黑龙江省
上海市
江苏省
浙江省
安徽省
福建省
江西省
山东省
河南省
湖北省
湖南省
广东省
广西
海南省
重庆市
四川省
贵州省
云南省
西藏
陕西省
甘肃省
青海省
宁夏
新疆
新疆兵团
路演活动
科技成果
参观
人数
0
0
0
0
0
0
0
点赞
人数
0
0
0
0
0
0
0
技术领域
全部
新兴行业
|
新基建
|
电子信息
|
高端产业
|
生物医药
|
石化与新材料
|
智能机械与光机电一体化
|
节能环保
|
新能源
|
现代农业
|
高端技术服务业
|
农林牧副渔
|
城建规划
|
文化创意
|
矿山工程
|
冶金工程
|
企业管理
|
知识产权
|
智库咨询
|
旅游休闲娱乐
|
企业发展服务
|
电子商务
|
纺织
|
其他
|
更多
基于视频数据结构化的智能系统V1.0系统
麒麟(山东)智能设备制造有限公司
机械手臂电缆的研制
特变电工(德阳)电缆股份有限公司
一种基于工业CT的金属内部缺陷危险源定位方法及系统
西安交通大学
小零件插装自动线
上海技术交易所
青海省政务外网跨运营商互联网负载管理系统建设
青海省信息中心
一种联合M估计和K-means算法的扩频序列盲估计方法及系统
西安交通大学
青株有机肥替代化肥栽培技术规范
青海大学农林科学院(青海省农林科学院)
一种基于交叉视觉皮质模型的医学图像配准方法
华中科技大学
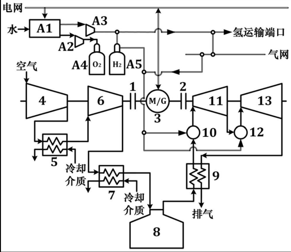
一种氢电耦合的异质跨时间尺度复合储能系统及方法
西安交通大学
一种用于制造片材与柔性薄膜复合叠层的热压设备
华中科技大学
一种橡皮囊液压激振直推式钻进探测装置
西安交通大学
太阳能分解水制氢
北京理工大学技术转移中心
安全大数据技术的高原地区广电行业信息 网络安全监测研究及平台应用实现
青海省广播电视局
核电站应急处置机器人关键技术研究与应用
山东大学、山东国兴智能科技股份有限公司
一种基于弦线的航空薄壁叶片加工扭曲度误差测量方法
华中科技大学
陕豆5号大豆新品系简介
西北农林科技大学
一种基于方向场估计的非局部均值滤波方法
华中科技大学
一种陶制彩绘文物彩绘层加固回贴方法
西安交通大学
一种牙颌模型测量装置
华中科技大学
粉末材料压制自动化生产线开发应用
桂林电子科技大学
首页
上一页
5665
5666
5667
5668
5669
5670
5671
下一页
尾页
共16030页 转到
页