科创中国
问题分诊室
具身智能与智慧医疗融合创新产业
高性能装备制造产业
智能机器人全产业链产业
中医药产业
人工智能产业
新一代信息技术产业
作物产业
量子科技与先进制造产业
海洋装备产业
煤炭开采及煤化工产业
特殊钢产业
节能环保产业
低空经济产业
光电产业
汽车产业
新能源产业
新材料产业
“以竹代塑”
成果发布厅
新型电力系统
化学领域
现代纺织
低空经济
信息通信
智慧公路
煤炭开采及煤化工
中医药
智能机器人全产业链
海洋装备
新一代信息技术
量子科技与先进制造
人工智能
高性能装备制造
具身智能与智慧医疗融合创新
作物
科创地方
科创北京
科创天津
科创内蒙古
科创辽宁
科创江苏
科创广西
科创广东
科创重庆
科创宁夏
科创河北
科创山东
科创河南
科创福建
科创湖南
科创黑龙江
科创湖北
科创浙江
科创山西
科创资讯
科创头条
科协活动
通知公告
科技政策
技术经理人
科技服务团
资源中心
项目库
问题库
案例库
开源库
学术资源
会议展览
品牌栏目
院士开讲
解码新质生产力
金融服务云课堂
企创云课堂
有问题想咨询
有成果想转化
我的交易
我的会议
我报名的路演会议
我的资讯
我的消息
我的动态
我的需求
我的成果
我的
个人资料编辑
退出登录
登录/注册
科创中国
需求发布
成果发布
科创案例库
揭榜挂帅
技术经理人
会议展览
科创联合体
科技服务团
科创资讯
科技政策
院士开讲
学术资源
城市站点
协作站点
搜索
问题库
项目库
开源库
English
我的交易
我的会议
我报名的路演会议
我的资讯
我的消息
我的动态
我的需求
我的成果
我的
个人资料编辑
退出登录
登录/注册
组织入驻
隐藏工作区
全国
在线展厅
切换展厅
全国
北京市
天津市
河北省
山西省
内蒙古
辽宁省
吉林省
黑龙江省
上海市
江苏省
浙江省
安徽省
福建省
江西省
山东省
河南省
湖北省
湖南省
广东省
广西
海南省
重庆市
四川省
贵州省
云南省
西藏
陕西省
甘肃省
青海省
宁夏
新疆
新疆兵团
路演活动
科技成果
参观
人数
0
0
0
0
0
0
0
点赞
人数
0
0
0
0
0
0
0
技术领域
全部
新兴行业
|
新基建
|
电子信息
|
高端产业
|
生物医药
|
石化与新材料
|
智能机械与光机电一体化
|
节能环保
|
新能源
|
现代农业
|
高端技术服务业
|
农林牧副渔
|
城建规划
|
文化创意
|
矿山工程
|
冶金工程
|
企业管理
|
知识产权
|
智库咨询
|
旅游休闲娱乐
|
企业发展服务
|
电子商务
|
纺织
|
其他
|
更多
一种智能网联车辆在汇入口区域的集中优化协调方法
南京航空航天大学
LED 封装用液体硅橡树脂
中国工程物理研究院四川省科学城海天实业有限公司
一种分离型隔离阻燃带
天津瑞源电缆有限公司
玻璃裂片叠片设备
维达力实业(赤壁)有限公司
一种扁型电力电缆
天津瑞源电缆有限公司
一种隧道用总线电缆
天津瑞源电缆有限公司
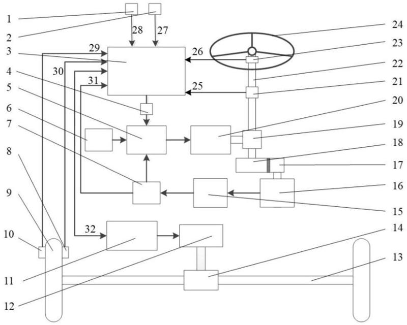
一种具有能量回收功能的线控转向系统及其路感控制方法
南京航空航天大学
一种新型消防安全布电线
天津瑞源电缆有限公司
一种光热发电复合电缆
天津瑞源电缆有限公司
一种可伸缩无尘式木地板切割设备
湖北圣保罗木业有限公司
一种便于安装的复合木地板
湖北圣保罗木业有限公司
一种新型加强型控制软电缆
天津瑞源电缆有限公司
一种枇杷制浆机用果浆滤渣装置
通山县大畈枇杷专业合作社
电动汽车电驱动总成
北京理工大学
一种新型防火电缆
天津瑞源电缆有限公司
一种精密电子连接器加工用新型热收缩包装机
武汉市建成电气有限公司
基于电子病历识别及量化肺动脉高压靶向药物 药源性疾病的研究
中国毒理学会
一种包装机械转盘结构
湖北庆拓精密机械有限公司
一种可调式好氧液体发酵设备
湖北稼轩康农业发展股份有限公司
基于人工智能+大数据的中药致心脏不良反应筛选及评价模型研究
中国毒理学会
首页
上一页
5513
5514
5515
5516
5517
5518
5519
下一页
尾页
共16030页 转到
页