一种以生物质制备的片层碳为载体的复合加氢脱硫催化剂的制备方法
黑龙江大学
自支撑棒状的磷掺杂CoMoO3析氧电催化剂及其制备方法
哈尔滨师范大学
一种诱导红甜菜胚性愈伤组织的方法
黑龙江大学
一种解剖镜
哈尔滨师范大学
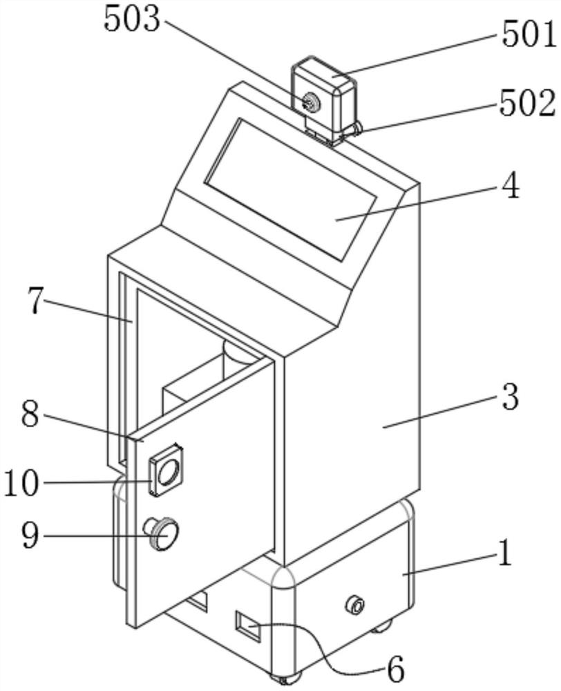
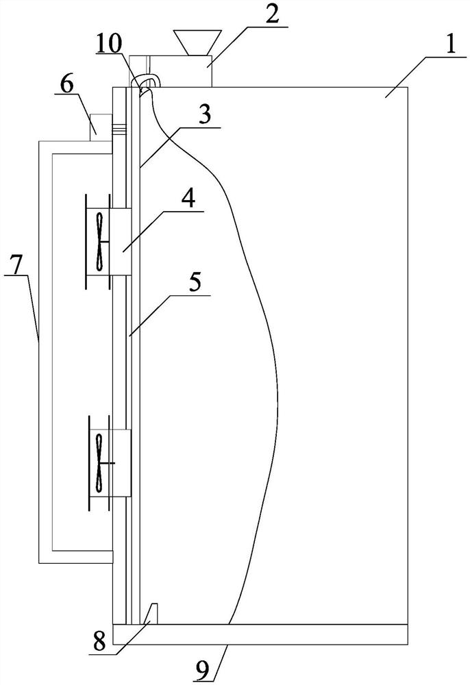
一种便携式城市墙壁涂鸦清除装置
哈尔滨师范大学
一种可拆卸的小型混凝土模具
黑龙江大学
可循环利用思想政治教学装置及循环方法
千慧科技服务有限公司
扑克牌(纤毛虫)
哈尔滨师范大学
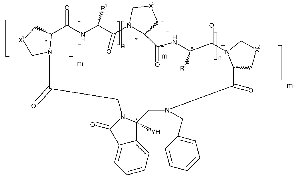
一种含硫的异吲哚酮并环肽衍生物及其制备方法
哈尔滨师范大学
呼吸科护理用辅助康复训练装置
哈尔滨医科大学
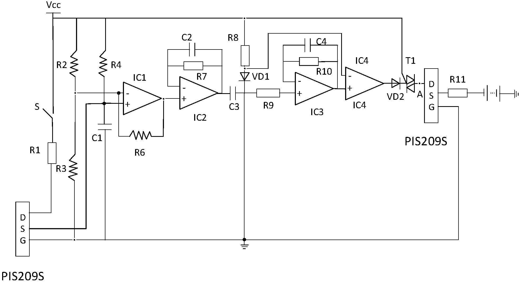
电脑主机电源控制电路
哈尔滨师范大学
一种基于多神经网络的信息识别装置
哈尔滨医科大学
一种自动清除灰尘的电脑机箱
哈尔滨师范大学
一种基于智能手机控制的电磁驱动颈部理疗仪
哈尔滨师范大学
一种肿瘤手术的肿瘤标本暂存装置
哈尔滨医科大学
教学展示装置及展示方法
千慧科技服务有限公司
一种全自动无线同步广场舞音乐节奏灯光系统
哈尔滨师范大学
一种防护服
哈尔滨医科大学
法律信息重复率检测系统及检测方法
千慧科技服务有限公司
一种图像电子元件精密定位装置
哈尔滨师范大学
共102页 转到