C-V2X融合信息域控解决方案
大唐高鸿智联科技(重庆)有限公司
大容量高安全有机液体储氢关键技术
中国地质大学(武汉)
异恶唑拼接3,3′-吡咯双螺环氧化吲哚化合物及其制备方法及应用
贵州知富云科技有限公司
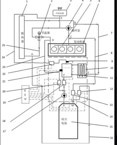
一种基于混合动力汽车的双向预热装置
无锡职业技术学院
新一代多导睡眠监测系统
杭州兆观传感科技有限公司
基于PSD反馈的二维快速控制反射镜及其控制系统
中国科学院深圳先进技术研究院
一种具有气体轴承式离心压缩机的制冷系统
无锡职业技术学院
一种太赫兹成像系统
中国科学院深圳先进技术研究院
一种预应力钢管混凝土组合梁及其制作方法
贵州知富云科技有限公司
汽车辅助驾驶控制方法及其装置
无锡职业技术学院
矿物基超低密度压裂支撑剂制备技术
中国地质大学(武汉)
利用大功率微波电磁波消除雾霾的装置
河北师范大学
C-V2X车规级通信模组
中信科智联科技有限公司
一种插入式半抛物线多点取压的流量传感器
宁夏机械工程学会
基于定位二维码的商场导购系统的构建方法以及导购系统
中国科学院深圳先进技术研究院
山地农机自动导航驾驶系统关键技术
重庆文理学院智能智造工程学院
一种用于清洁消毒的机器人
无锡职业技术学院
战略性铝系矿物深加工及功能优化利用关键技术
中国地质大学(武汉)
一种强力搅拌充气式浸出槽
贵州知富云科技有限公司
一种属性子空间加权的随机森林数据处理方法
中国科学院深圳先进技术研究院
共16005页 转到