基于营养品质评价的定价策略模型应用
农业农村部食物与营养发展研究所
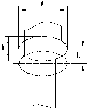
一种管材挤压成形模具及其成形方法
西京学院
区块链平台
国信优易数据股份有限公司
燕麦方便面加工技术
农业农村部食物与营养发展研究所
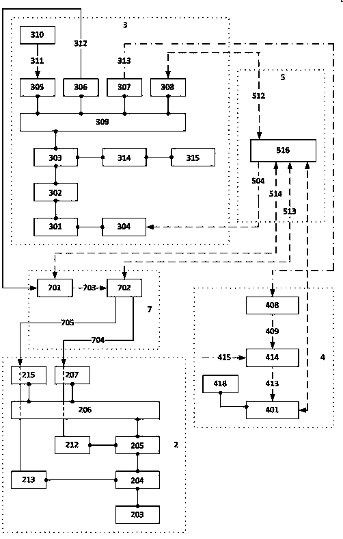
一种教学系统的信息发送的方法及装置
西京学院
气态单质汞浓度的连续监测装置和方法
国投人力资源服务有限公司
皮下隧道手术机器人
北京信息科技大学
一种材料挤压模具及其成形方法
西京学院
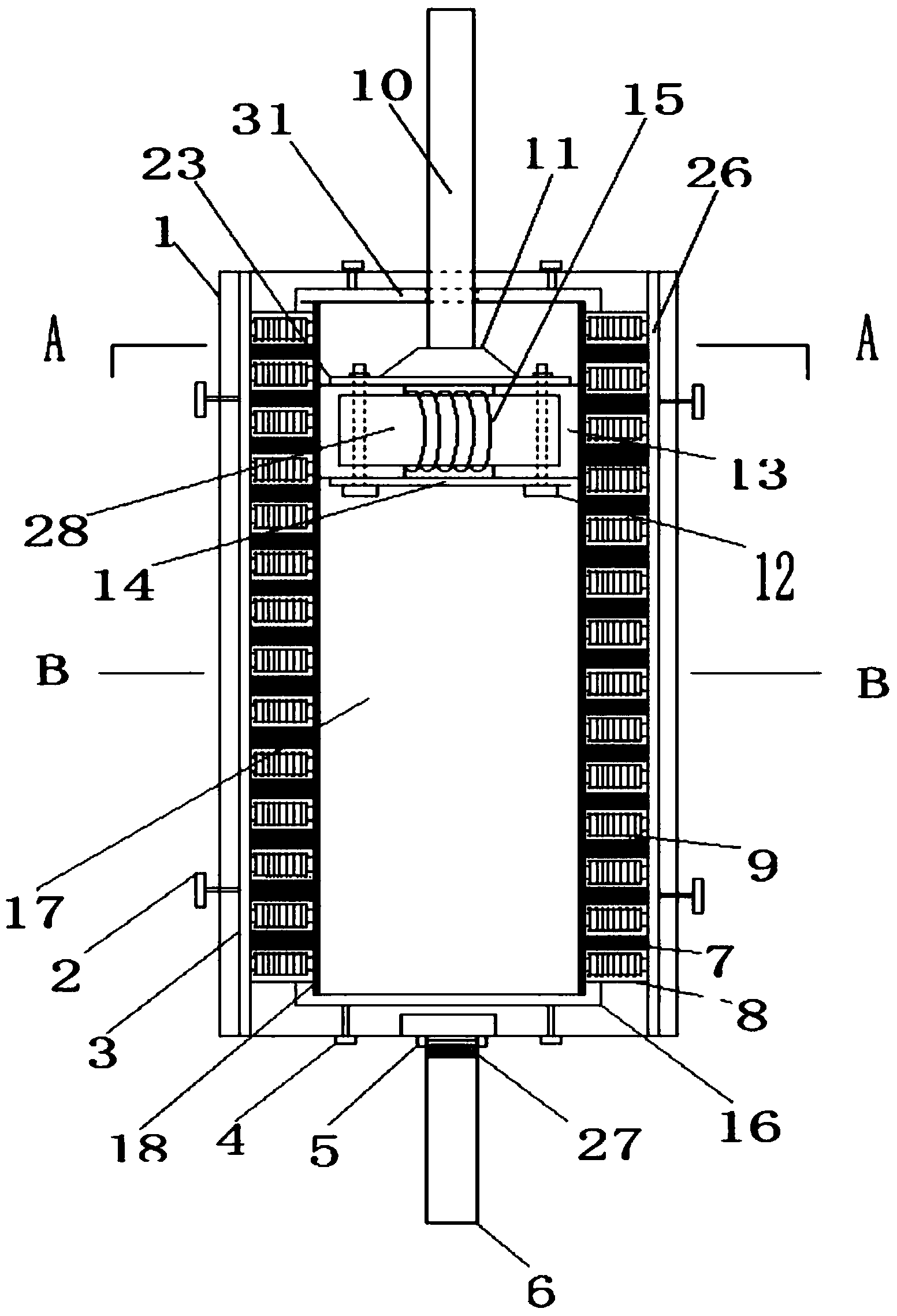
一种磁控半主动摩擦耗能器
西京学院
广东博工叁陆伍机器人
广东博工叁陆伍机器人科技有限公司
一种光学衍射模拟方法及其装置
西京学院
一种藜麦多肽及其制备方法
中国农业科学院作物科学研究所
社会信用服务平台
国信优易数据股份有限公司
盐碱滩涂适宜藜麦种质资源品种选育及种植技术
中国农业科学院作物科学研究所
一种无人机用悬臂动力系统水平安装装置
西京学院
一种航天员骨丢失防护剂及其制备方法
国投人力资源服务有限公司
数据中台
国信优易数据股份有限公司
一种FDM型低熔点合金3D打印机喷头系统及其应用
西京学院
藜麦饮品加工技术
中国农业科学院作物科学研究所
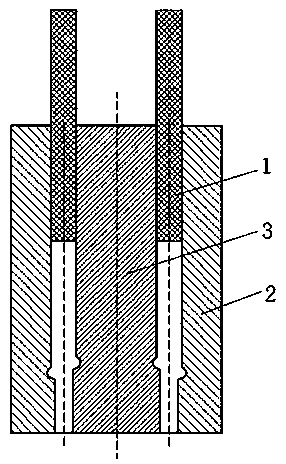
一种定量分段式的香肠扎线设备
西京学院
共16004页 转到