科创中国
问题分诊室
具身智能与智慧医疗融合创新产业
高性能装备制造产业
智能机器人全产业链产业
中医药产业
人工智能产业
新一代信息技术产业
作物产业
量子科技与先进制造产业
海洋装备产业
煤炭开采及煤化工产业
特殊钢产业
节能环保产业
低空经济产业
光电产业
汽车产业
新能源产业
新材料产业
“以竹代塑”
成果发布厅
新型电力系统
化学领域
现代纺织
低空经济
信息通信
智慧公路
煤炭开采及煤化工
中医药
智能机器人全产业链
海洋装备
新一代信息技术
量子科技与先进制造
人工智能
高性能装备制造
具身智能与智慧医疗融合创新
作物
科创地方
科创北京
科创天津
科创内蒙古
科创辽宁
科创河北
科创湖南
科创宁夏
科创广东
科创江苏
科创广西
科创重庆
科创山东
科创河南
科创福建
科创黑龙江
科创湖北
科创浙江
科创山西
科创资讯
科创头条
科协活动
通知公告
科技政策
技术经理人
科技服务团
资源中心
项目库
问题库
案例库
开源库
会议展览
品牌栏目
院士开讲
解码新质生产力
金融服务云课堂
企创云课堂
有问题想咨询
有成果想转化
我的交易
我的会议
我报名的路演会议
我的资讯
我的消息
我的动态
我的需求
我的成果
我的
个人资料编辑
退出登录
登录/注册
科创中国
需求发布
成果发布
科创案例库
揭榜挂帅
技术经理人
会议展览
科创联合体
科技服务团
科创资讯
科技政策
院士开讲
学术资源
城市站点
协作站点
搜索
问题库
项目库
开源库
English
我的交易
我的会议
我报名的路演会议
我的资讯
我的消息
我的动态
我的需求
我的成果
我的
个人资料编辑
退出登录
登录/注册
组织入驻
隐藏工作区
全国
在线展厅
切换展厅
全国
北京市
天津市
河北省
山西省
内蒙古
辽宁省
吉林省
黑龙江省
上海市
江苏省
浙江省
安徽省
福建省
江西省
山东省
河南省
湖北省
湖南省
广东省
广西
海南省
重庆市
四川省
贵州省
云南省
西藏
陕西省
甘肃省
青海省
宁夏
新疆
新疆兵团
路演活动
科技成果
参观
人数
0
0
0
0
0
0
0
点赞
人数
0
0
0
0
0
0
0
技术领域
全部
新兴行业
|
新基建
|
电子信息
|
高端产业
|
生物医药
|
石化与新材料
|
智能机械与光机电一体化
|
节能环保
|
新能源
|
现代农业
|
高端技术服务业
|
农林牧副渔
|
城建规划
|
文化创意
|
矿山工程
|
冶金工程
|
企业管理
|
知识产权
|
智库咨询
|
旅游休闲娱乐
|
企业发展服务
|
电子商务
|
纺织
|
其他
|
更多
无痛血检芯片设备
深圳市华云智能健康有限公司
生物活性人工皮肤的研发及其产业化
广州市清柳再生医学科技有限公司
急性心梗脑梗急救药的研发
湖景(苏州)生物制药
3D可视化骨科增材制造云平台
安徽普锐霆医疗技术有限公司
电之杰-能源电力安全生产管理一体智慧化
西安电之杰信息科技有限公司
氢动科技-面向数字化试飞的全电推进无人机动力系统半实物仿真平台
氢动科技-面向数字化试飞的全电推进无人机动力系统半实物仿真平台
明然智控--智能可调光门窗绿色
供电系统飞机电推进技术工业和信息化部重点实验室
绿厨智烹锅&智烹菜
绿厨(西安)科技有限责任公司
无源制冷超材料织物
中国材料研究学会
微波介质陶瓷元器件研发与产业化项目
中国材料研究学会
基于MRSVT视频序列目标跟踪系统
厦门大学
基于SSM的公司人员情报公开与管理系统
福州大学
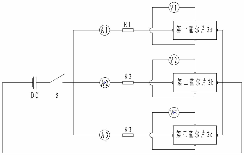
一种压实传感器
河北大学
完全生物降解包装材料及制品
中国材料研究学会
快捷预制金锡产业化应用项目
西安智慧谷科技研究院有限公司
一种可远程监控的公路压实控制装置
河北大学
东数西算温冷元件及系统产业化——直线流体技术
深圳市邦荣机电有限公司
做机器人的“最强大脑”
安徽智摹机器人科技有限公司
轻量化 “数字孪生” 3D引擎推动企业数字化转型发展
西安葛兰创智信息科技有限公司
沃有元红色星球
深圳沃有元数字技术有限公 司
首页
上一页
4593
4594
4595
4596
4597
4598
4599
下一页
尾页
共16046页 转到
页