吸塑机用快速冷却装
芜湖金铭利物流设备科技有限公司
用于制作缓冲衬托的吸塑机
芜湖金铭利物流设备科技有限公司
磁流变液缓冲装置
河北科技大学
冲压裁剪机
芜湖金铭利物流设备科技有限公司
用于制作汽车零件包装的吸塑机
芜湖金铭利物流设备科技有限公司
一种厌氧反应器布水器
河北科技大学
一种污水泵站智能远程联控系统
天津城建大学
一种地下综合管廊智能监控系统
天津城建大学
一种用于选育阿勒泰羊产肉性能的分子标记方法及其应用
新疆农业大学
一种基于对偶单元法的三维集成微系统电热耦合分析方法
宁波市软件行业协会
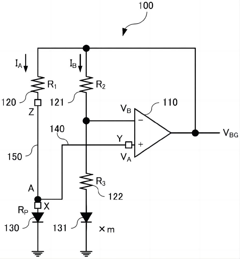
一种带隙基准电压产生电路
宁波市软件行业协会
一种吊篮花盆
河北科技大学
防盗挎包
河北科技大学
处理污水用三维三相电化学反应器
河北科技大学
森林立地指数时空估测中的变异函数模型优化方法
新疆农业大学
生物芯片荧光图像倾斜角度的确定方法及装置
新疆大学
一种可变式测试斜面模砼抗裂试验装置
新疆农业大学
Android恶意代码分析与检测算法
新疆大学
煤液化铁基催化剂及其制备方法和提高煤液化油产率方法
新疆大学
一种钛合金与陶瓷异种材料的激光钎焊方法
新疆大学
共16004页 转到