轨道交通车辆多源多模态的故障风险推理和维修决策方法
重庆摆渡谷科技发展有限公司
储备粮机械通风调质技术
南开科协
长角扁谷盗的抗药性和实仓防治技术
南开科协
一种基于FPGA的智能组包快速转发系统及转发方法
重庆摆渡谷科技发展有限公司
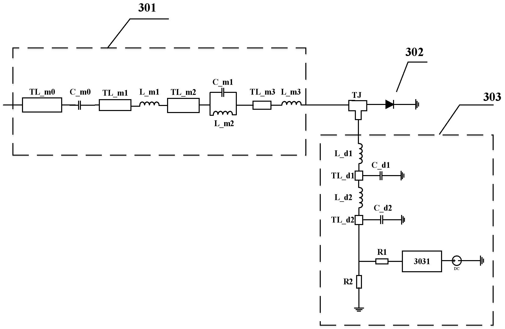
宽带宽角有源散射单元及其双站RCS性能的测量装置
重庆摆渡谷科技发展有限公司
有机农业示范基地有机产品综合生产技术研究与推广
南开科协
一种宽电压域SRAM读写时序控制电路及方法
重庆摆渡谷科技发展有限公司
农耕新方法粉垄及其应用研究
南开科协
静脉点滴或静脉注射后的止血贴
哈尔滨医科大学
与石墨兼容的耐高压阻燃电解液及锂离子电池
重庆摆渡谷科技发展有限公司
绿色生物储粮防护剂乙基多杀菌素的开发
南开科协
粮食储藏“四合一”新技术的推广与应用
南开科协
一种基于参数化建模的钣金模具清角自动生成设计方法
重庆摆渡谷科技发展有限公司
基于边缘网络架构的微服务部署与请求路由方法及系统
重庆摆渡谷科技发展有限公司
一种基于FPGA的IPsec抗重放方法
重庆摆渡谷科技发展有限公司
三角洲保护性耕作技术体系、关键技术和设备试验示范
南开科协
农户安全储粮——大蒜精油微胶囊保护剂的研究
南开科协
玉米田保护性耕作减少养分流失技术研究与示范
南开科协
一种小提琴音调矫正器
黑龙江大学
种子快速发芽技术及设备引进示范
南开科协
共15998页 转到